
作者:ADI现场应用工程师Frederik Dostal
人们使用升压转换器,从低输入电压生成高输出电压。使用开关稳压器和升压拓扑可以轻松实现这种电压转换。但是,电压增益本身存在限制。电压增益是输出电压与输入电压的比值。如果从12V输入电压生成24V输出电压,电压增益为2。
以一个工业应用为例,需要从24V电源电压生成300V输出电压,输出电流为160mA。

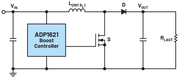
图1.升压转换器电路
还可以使用占空比来表示电压增益:

占空比和电压增益是升压转换器的主要参数。占空比表示在每个周期中,开关S开启的时长。电压增益表示输出电压超出输入电压的比例(因数)。
为了生成高电压,占空比数值会增大到接近于1,但不会达到1。
选择具有较高的最大占空比的升压转换器,似乎可以从低电源电压生成高输出电压。但是,这不是唯一的决定因素。除了占空比限制,还必须考虑可能达到的最大电压增益。
电压增益是升压转换器可能实现的最大输出电压与可用的输入电压的比值。可以这样理解升压转换器本身的限制:在使用升压转换器时,所有电能从输入端传输到输出端时,必须先暂时存储起来。在开启期间,也就是,在图1中的开关S开启期间,电能将暂时存储在电感L中。此时,图1中的二极管D会阻断电流流动。
在关闭期间,电感L中暂时存储的电能会放电。电感充电和放电都必须遵循电感规则。在每种情况下,电流由电感值和电感两端的电压差决定。电感两端的电压可以简单描述为:充电期间为VIN,关闭期间为VOUT - VIN。
电压增益较高时,关闭时间可能不够长,导致电感中暂时存储的电能无法完全放电。因此,公式1中描述占空比的简化公式无法表述这种限制。只有同时考虑电感的直流电阻(DCR)和负载电阻时,最大电压增益公式才算成立。参见公式2:

所以,RL和RLOAD的比值会影响可能的输入和输出电压之间的比值,进而影响升压转换器的电压增益。该电压增益可以如图所示。图2所示的示例中,输入电压为24V,输出电压为300V,电流为160mA,负载电阻为1.8kΩ,电感RL的DCR为3Ω。

图2.当负载电阻高达电感DCR (RL)的600倍时可能实现的电压增益
在该示例中,图2显示电压增益可能达到约12.5(根据公式2演算得出)。但是,如果负载电阻降低(即:输出电流增高),或者电感的DCR (RL)增高(即:电感尺寸减小),将会无法实现要求的电压增益。
图3显示负载电阻和电感电阻的比值为300时的电压增益曲线。此时,选择RL为6Ω,负载电阻为1.8kΩ。

图3.当负载电阻高达电感DCR的300倍时可能实现的电压增益
图3显示,在这种情况下,最大电压增益仅为9。所以,无法将24V输入电压转换为300V输出电压。所选的DCR,或者电感的RL太高了。
总之,在设计采用升压拓扑的电路时,务必要确定可能达到的最大电压增益。需要注意,它取决于负载电阻(也就是输出电流)和电感的DCR。如果情况显示似乎无法达到所需的电压增益,可以选择具有更低DCR的更大电感。
关于ADI公司
Analog Devices, Inc. (NASDAQ: ADI)是全球领先的半导体公司,致力于在现实世界与数字世界之间架起桥梁,以实现智能边缘领域的突破性创新。ADI提供结合模拟、数字和软件技术的解决方案,推动数字化工厂、汽车和数字医疗等领域的持续发展,应对气候变化挑战,并建立人与世界万物的可靠互联。ADI公司2022财年收入超过120亿美元,全球员工2.4万余人。携手全球12.5万家客户,ADI助力创新者不断超越一切可能。更多信息,请访问www.analog.com/cn。
关于作者
Frederik Dostal曾就读于德国埃尔兰根大学微电子学专业。他于2001年开始工作,涉足电源管理业务,曾担任各种应用工程师职位,并在亚利桑那州凤凰城工作了4年,负责开关模式电源。他于2009年加入ADI公司,并在慕尼黑ADI公司担任电源管理现场应用工程师。