
作者:ADI现场应用工程师Frederik Dostal
选择合适的电源转换器仅仅意味着找到最便宜的器件吗?事实证明,电源电压转换领域的创新是值得的,并且在市场上获得了回报——因为这些解决方案带来了更高质量的产品。ADI将在本文概述一些利用低成本电源转换器成功实现高质量产品的应用实例。
几乎所有电气设备都会使用电源转换器。多年来,人们针对不同的应用条件设计和调整电源转换器。今天的制造商之间是否有差异化?
“大宗商品”特指这样一类商品——市场上不同制造商生产的该商品之间差别不大,并且各自的价格(像原材料价格一样)主要由制造成本决定,产品创新的空间很小。
大约20年前,我开始在电源半导体领域工作,当时电源行业的很大一部分应用正在经历一场剧变。大多数应用正从线性稳压器(LDO)过渡到效率更高的开关稳压器。这主要是通过开发内置功率开关的开关稳压器IC,以及大大便利此类开关稳压器解决方案应用的简化设计来实现的。凌力尔特公司(现为ADI公司的一部分)在实现这一根本性变革中发挥了重要作用。
在那段重要时期之后,人们经常听到这样的说法——电源业务再也无法产生重大创新,进一步的发展只会朝着一个方向前进:降低成本。
简单电压转换即足够的应用
当今肯定存在简单电压转换即足够的应用。用于消费类产品的非常便宜的开关模式电源就是此类应用。具有几乎相同技术特性的电源转换器广泛存在。线性稳压器的价格在几欧分左右。简单的开关稳压器也能以每个几美分的价格获得,但其具有明显的优势,例如更高的效率和更大的输出电流。
电压转换器市场的差异化
然而,对于大多数应用而言,电源领域将不再有创新的预测被证明是错误的。即使在赠品等廉价促销品中,电源转换质量也起着决定性作用。这可以用我已使用多年的一件促销礼物来说明:我车上点烟器的USB充电适配器。它承诺提供最高2A的充电电流。集成开关模式电源转换器将12V转换为5V,可以很好地产生2A电流。它使用标准开关稳压器来减少如此高功率下的热损失。遗憾的是,当使用此USB适配器时,车载收音机便停止工作。转换器的开关频率和开关转换的频率引起了强辐射,使无线电接收变得不可能。选择开关稳压器时,注意的是价格,而不是确保低电磁辐射。
另一个例子是带纽扣电池的廉价设备,短时间运行后就要更换电池。在这里,最终产品的质量同样直接取决于电源的质量。
适合大多数应用的高质量创新
还要考虑到持续良率以及防止过多电子废料,这也需要开发更高质量的电源产品。因此,在大多数应用中,稳压器并未成为大宗商品。以下是一些非常成功的创新目标。
提高转换效率
能源是要花钱的。这笔钱是支付给电力公司,用于购买电池,还是为光伏系统制造太阳能电池所导致的开销,无关紧要。因此,对于所有电源,转换效率都很重要。在某些情况下,它甚至是决定性的。
电压转换过程中发生的能量损耗会导致另一个问题:系统升温。如果必须安装额外的散热器和风扇,成本可能变得相当高。电子电路的可靠性和耐用性通常也严重依赖于工作温度。
无论是极低功率(如能量收集或电池供电应用)还是高功率(如kW范围的电源单元),提高效率基本上是所有功率转换的创新目标。20年前,85%的转换效率对于开关稳压器来说可能很不错,但在今天的许多应用中,即使93%也不够高。看起来这种趋势不会很快消失。100%的转换效率似乎并不容易达到,但仍将是目标。100%效率的电压转换意味着没有任何损失。
为了提高效率,可以进行许多创新。创新之一是可以降低RDS(ON)(即处于“导通”状态的开关的电阻)和开关的栅极电容。另外也可以提高开关转换的速度,这会降低开关损耗。许多此类改进是由GaN和SiC等新型开关技术提供的。
另一种选择是降低无源元件(如电感和电容)的损耗。
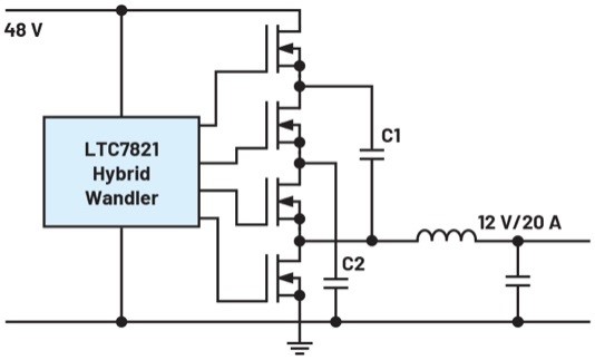
除了这些明显的调整之外,还有涉及开关稳压器拓扑结构的方法。LTC7821混合转换器就是一个例子。它将电荷泵与降压转换器相结合,在电源电压转换为较低电压时可实现非常高的效率。对于48V至12V转换,在20A输出电流和500kHz开关频率的条件下,可以实现97.3%的转换效率。使用标准商用硅MOSFET可产生240W的输出功率。图1说明了混合降压转换概念。损耗之所以如此之低,是因为电荷泵的工作效率极高,而且由于电源电压已经减半,下游降压转换器可以在最优电压范围内工作。

图1.混合开关稳压器拓扑结构,用于在某些应用中实现特别高的转换效率
改善电磁兼容性
正在进行重要创新的第二个领域是电磁兼容性(EMC)。这是电路获得批准的重要先决条件。开关稳压器总是会产生电磁辐射。辐射是每个开关稳压器都有的脉冲电流产生的,其大小取决于开关频率和开关转换的速度。所用电源中的辐射和传导发射也可能引发电子设备中其他电路部分的功能问题。因此,减少所产生的干扰非常重要。
推动创新的动力之一是以减少对额外滤波器的需求。开关稳压器的干扰越少,则附加滤波器和屏蔽元件的成本越低。因此,改进的开关稳压器IC很受用户欢迎。
过去几年最大的创新之一是ADI的Silent Switcher®概念。它通过各种技巧,例如平衡对称脉冲电流和去除键合线,显著降低了开关稳压器电路的辐射发射。此概念如图2所示。该创新可配合各种开关稳压器拓扑使用。图2显示了降压转换器拓扑的脉冲电流和所产生的磁场。磁场分为两部分,由于对称排列,它们方向相反,在很大程度上彼此抵消。

图2.降压开关稳压器中的脉冲电流,Silent Switcher技术使所产生的脉冲磁场相互抵消
EMC仿真
在经过认证的测试实验室进行EMI测量的成本很高。修改已经开发好的硬件也很昂贵。因此,电压转换电路设计的另一个重要支柱是使用ADI LTpowerCAD®等工具进行EMC优化。在开发过程中使用仿真工具实现EMC优化具有巨大的潜力。图3显示了作为LTpowerCAD开发环境一部分的EMI滤波器设计器。利用此工具可以计算开关稳压器的传导发射,如果干扰太高,可以设计滤波器来提供补救措施。
高开关频率和快速控制环路
电源的另一个趋势是开关频率越来越高,这使得低成本且节省空间的电路成为可能。在电源输出端的电压纹波相同的情况下,使用较低的电感和电容值可以降低电感和电容的成本。LTC3311就是这种现代开关稳压器IC的一个例子。它是基于ADI Silent Switcher平台的降压开关稳压器。对于高开关频率(LTC33xx开关稳压器系列可扩展到10MHz),除了上述优势外,还存在实现非常快速控制环路的可能性。
快速控制环路意味着即使动态负载发生变化,输出电压也仅表现出很小的电压偏差。尤其是FPGA,它要求即使在高负载瞬变情况下,电源电压也不能超出一个很窄的调节范围。确保这一点的方法之一是添加大量高质量输出电容,而更优雅且更便宜的方法是使用高开关频率的开关稳压器IC,从而获得高控制环路带宽。
电容成本的节省为开关稳压器IC创新提供了资金。

图3.LTpowerCAD工具,用于简单计算开关稳压器电路中的传导发射
更高的集成度和易用性
正在出现大量创新的第四个领域是高集成度的完整电源电路。第一步是将多个开关稳压器集成到一个IC外壳中。这些产品通常被称为电源管理集成电路(PMIC)。它们节省了电路板空间,可作为大批量电源管理ASIC提供,或作为目录产品提供,用作常见应用的通用PMIC解决方案。 ADP5014 是一款受欢迎的电源构建模块——例如,用于FPGA。 图4显示了一个使用这种PMIC模块为FPGA供电的电路。

图4.作为范例,ADP5014是一款提供四个不同输出电压的高集成度开关稳压器
除高度集成外,模块还非常易于使用。模块几乎将整个开关稳压器电路集成在一个外壳中。通常,只有输入和输出电容是外接的,电路其余部分(包括电感器)都是集成的。因此,用户不再需要选择外部无源元件。模块可以简单地焊接到主板上,可靠地产生所需的电压。µModule®选择的存在使得几乎所有应用都有合适的模块可用。目前,大约有200种不同的电源模块可供使用。
已经优化的µModule特别适合于满足复杂的电源要求。例如,LTM4700 降压开关稳压器可提供高达100A的输出电流。特殊外壳确保散热最优,因此即使在这种高电流情况下,也能保证可靠运行。 许多µModule采用特别设计,使得作为外壳一部分的内置电感像散热器一样将热量释放到环境空气中,因此电路板只需吸收来自电源的少量额外热量。这大大简化了大功率电源的设计。
µModule创新使得构建不会过热、针对应用进行优化且易于使用的小型电路成为可能。所有这些都能节省资金,使该产品组在众多应用领域中非常受欢迎。进一步创新的潜力仍然很大。
预期电源领域会有更多创新
随着模数转换器、模拟前端、微控制器和FPGA等电气负载的发展,对电源的要求在不断变化和调整。需要的电压正在降低,而需要的电流却在增加。因此,标准开关稳压器将不再能够满足未来的需求。这一发现可以解释为什么电源仍有很大的创新潜力,以及为何在可预见的将来,它不会转而成为“大宗商品”。
关于ADI公司
Analog Devices, Inc. (NASDAQ: ADI)是全球领先的半导体公司,致力于在现实世界与数字世界之间架起桥梁,以实现智能边缘领域的突破性创新。ADI提供结合模拟、数字和软件技术的解决方案,推动数字化工厂、汽车和数字医疗等领域的持续发展,应对气候变化挑战,并建立人与世界万物的可靠互联。ADI公司2022财年收入超过120亿美元,全球员工2.4万余人。携手全球12.5万家客户,ADI助力创新者不断超越一切可能。更多信息,请访问www.analog.com/cn。
关于作者
Frederik Dostal曾就读于德国埃尔兰根大学微电子学专业。他于2001年开始工作,涉足电源管理业务,曾担任各种应用工程师职位,并在亚利桑那州凤凰城工作了4年,负责开关模式电源。他于2009年加入ADI公司,并在慕尼黑ADI公司担任电源管理现场应用工程师。