
引言
目前中大功率拉杆音箱主要采用12V铅酸电池为供电电源,在电源直供的时候,一般的功放芯片输出功率在20W左右(喇叭为4欧、THD10%)。超过50W的功率现阶段市场上主要采用升压芯片+TPA3116的组合解决方案。
随着竞争的加剧,音响厂家对于成本的控制、国产替代的需求越来越迫切。深圳市永阜康科技有限公司推出基于IU8689+IU5706、单声道100W/立体声2x 60W同步升压+功放IC大功率拉杆音箱应用组合方案,升压效率高达96%。在提供更大功率输出的前提下,整套方案组合极具性价比。
IU8689+IU5706功率输出典型指标
单声道:108W/28V/4欧/THD10%

立体声:2*75W/24V/4欧/THD10%

方案说明
1、采用IU5706高效同步升压控制器。此芯片4.5V-24V输入电压(涵盖2-5节锂电、铅酸电池作为电源的应用),输出电压最高33V,并且能够为负载提供8A持续电流,效率高达96%,采用EQA-16封装。
IU5706脚位定义图以及管脚说明


2、采用IU8689大功率D类音频功放IC,工作电压4.5V-28V,25V提供2x70W/4欧 ( THD+N=1%)持续功率输出;28V提供100W/4欧 ( THD+N=10%)持续功率输出;低Rdson(相比TPA3116更小),保证音质有足够的下潜度;采用EQB-28封装(散热片在背部,支持外接散热器)。
IU8689脚位定义图以及管脚说明


3、IU5706支持12V升压至24V,给两颗IU8689供电,输出4x65W/4欧 ( THD+N=1%);IU8689主从模式可实现多颗芯片无限级联功率输出,此应用非常适合车载音频后装市场。
IU8689主从模式应用图

应用信息
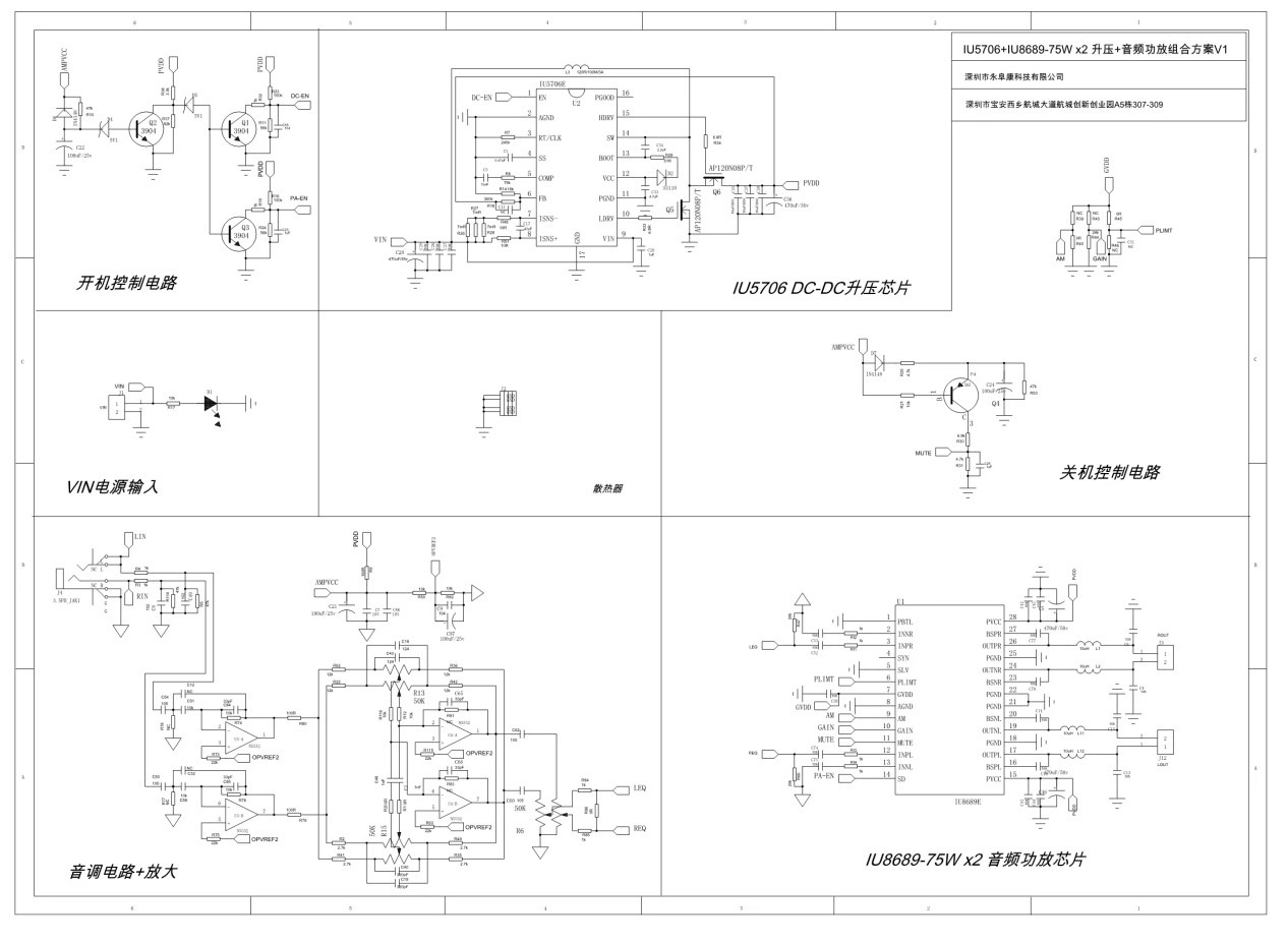
1. IU8689+IU5706 DEMO板原理图

2. IU8689+IU5706 DEMO板顶层设计图

3. IU8689+IU5706 DEMO板底层设计图

4. IU8689+IU5706 DEMO板贴片图

5. IU8689+IU5706 DEMO板物料清单

6. IU8689+IU5706 DEMO板实物图
