
作者:ADI现场应用工程师Frederik Dostal
许多电路都需要电气隔离。为了达到电气隔离的目的,人们通常会使用变压器。在各类不同的拓扑结构中也会看到利用变压器来传输电能的身影。其中,反激式转换器是一种广泛使用的电路类型,尤其适用于大约50W或更低的功率。
图1显示了简单的反激式转换器的原理图。当开关S1接通时,反激式转换器将电能存储在变压器线圈T1中。当S1断开时,存储在线圈中的电能经由T1的次级绕组,再经由续流二极管D1传输至输出。

图1.反激式转换器的原理图
从图1可以看出,除了电源路径,还需要反馈路径(绿色所示)。该路径用于准确调节输出电压。遗憾的是,这个反馈路径是相当复杂的,因为反馈信号也必须通过电气隔离器进行传输。为此,可以使用光耦合器或数字隔离器模块,例如ADuM3190。反馈信号也可以在初级侧进行检测,在这种情况下,无需对反馈路径进行电气隔离。
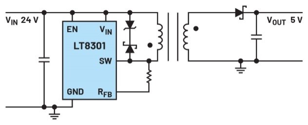
使用ADI提供的无光耦产品平台中的转换器,可以轻松构建小型电气隔离反激式电路。图2显示LT8301,其输入电压高达42V,最大开关电流为1.2A。在图2所示的电路中,没有从输出电压回流至初级侧开关稳压器的反馈路径。但是,通过变压器提供了一个隐藏的内部反馈路径。在初级侧开关断开期间,测量通过变压器的初级绕组反射回来的电压。这样就可以获取有关初级侧输出电压状态的准确信息。

图2.采用无光耦LT8301构建的高度紧凑、易于使用的反激式转换器电路
除了这个电气隔离解决方案,还可以使用另一种非常不错的方式来构建电气隔离反激式电路。此技术如图3所示。它被称为隔离降压转换器。

图3.采用MAX17681的隔离降压转换器
一般反激转换器和隔离降压转换器之间的主要区别在于初级变压器绕组和地之间的电容CBUCK。在MAX17681中,变压器的初级绕组由半桥驱动。这意味着,MAX17681具有高端和低端开关。在无光耦反激式转换器(图2)中,只包含一个开关,位于变压器的初级绕组和地之间。
隔离降压转换器可以视为一个简单的降压转换器,具有耦合电感,因此可产生隔离电压。图3中的蓝线表示降压转换器。CBUCK的电压对应这个集成式降压转换器的调节电压。
这两种电气隔离开关稳压器概念都无需通过光耦合器进行信号反馈。那么每种解决方案的优点是什么呢?
总体来看,无光耦转换器(图2)无需使用大型初级侧旁路电容(CBUCK),由一个开关从内部驱动。隔离降压转换器的优点在于:可额外提供一个精密调节的初级侧电压。例如,它可以用在系统中为初级侧电路的电子器件提供电能。在设置时,必须确保在使用具有对应匝数比的变压器时,能够生成所需的电气隔离电压VOUT2。
关于ADI公司
Analog Devices, Inc.(NASDAQ: ADI)在现代数字经济的中心发挥重要作用,凭借其种类丰富的模拟与混合信号、电源管理、RF、数字与传感技术,将现实世界的现象转化成有行动意义的洞察。ADI服务于全球12.5万家客户,在工业、通信、汽车与消费市场提供超过7.5万种产品。ADI公司总部位于马萨诸塞州威明顿市。更多信息请访问:http://www.analog.com/cn。
关于作者
Frederik Dostal曾就读于德国埃尔兰根大学微电子学专业。他于2001年开始工作,涉足电源管理业务,曾担任各种应用工程师职位,并在亚利桑那州凤凰城工作了4年,负责开关模式电源。他于2009年加入ADI公司,并在慕尼黑ADI公司担任电源管理现场应用工程师。