
随着第三代半导体的普及,及对功率密度的高需求,第三代半导体在一些高功率应用领域逐渐取代硅功率器件。而在USB PD 快充产品上为了降低了开关损耗并提高开关频率此前普遍使用氮化镓功率器件。事实上,不仅氮化镓可以用在USB PD快充上,新能源汽车热门功率器件碳化硅MOSFET也很有应用优势。
这不,2022年开工第一天, 派恩杰半导体即发布了65W PD 快充碳化硅方案,首次把以往只用于新能源汽车, 航天和高功率密度要求的电源产品等的碳化硅技术导入消费者随身携带的USB PD快充上。派恩杰半导体此次发布的65W PD快充碳化硅方案采用的是派恩杰半导体的 650V/300mohm的SiC MOSFET。

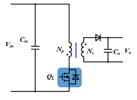
派恩杰推出650V/300mhom SiC MOSFET,可配合现有PWM控制器进行方案设计,并可直接在不更改任何驱动方案情况下取代原有硅功率器件的应用, 派恩杰这款SiC MOSFET可直接以PWM 控制器进行直驱,不需要额外使用门极驱动器。 在派恩杰研发的这款应用方案中,采用的PWM IC是RT7790。

派恩杰半导体此次推出的将650V/300mhom应用于QR Flyacak 65W USB PD快充方案,功率密度可达到1.98W/cm³。在110Vac输入时输出满载最高效率可达93.52%, 在220Vac输入时可达93.89%, 符合DoE 6级能效标准。



此外, 派恩杰半导体在此65W USB PD快充方案中, 在不更改任何驱动参数条件下与传统硅功率器件650V/125mohm进行性能比较, 在满载条件下完整展现出碳化硅MOSFET在高温时导通电阻优势, 如下图所示, 在轻载条件下更突显出碳化硅MOSFET低开关损耗的优势, 整体平均效率优于硅功率器件。

在成本方面,派恩杰650V/300mohm SiC MOSFET在工艺上进行了彻底地优化,售价几乎与120mohm~140mhom硅MOSFET相比拟。碳化硅MOSFET除了效率, 成本及可靠性性能有优势之外。由于碳化硅MOSFET有着更快的开关速度,极小的开关损耗大幅降低了系统损耗, 但所带来的EMI影响最受设计者的挑战, 派恩杰650V/300mhom MOSFET在EMI实测结果下完全符合标准。

此前,派恩杰半导体在新能源汽车应用领域取得了重大进展,顺利在新能源汽车OBC上车。2022年,派恩杰半导体将符合车规品质的碳化硅功率器件导入消费电源领域,相信能为消费电源用户带来更优的解决方案。