
英飞凌科技大中华区应用工程师 郑姿清
编者按
双脉冲是分析功率开关器件动态特性的基础实验方法,贯穿器件的研发,应用和驱动保护电路的设计。合理采用双脉冲测试平台,你可以在系统设计中从容的调试驱动电路,优化动态过程,验证短路保护。
双脉冲测试基础系列文章包括基本原理和应用,对电压电流探头要求和影响测试结果的因素等。
为什么要进行双脉冲测试?
在以前甚至是今天,许多使用IGBT或者MOSFET做逆变器的工程师是不做双脉冲实验的,而是直接在标定的工况下跑看能否达到设计的功率。这样的测试确实很必要,但是往往这样看不出具体的开关损耗,电压或者电流的尖峰情况,以及寄生导通情况。这会导致对有些风险的认识出现盲点,进而影响最后产品未来的长期可靠性。又或者设计裕量过大带来成本增加,使得产品的市场竞争力下降。如果能在设计研发阶段,精准地了解器件的开关性能,将对整个产品的优化带来极大的好处。比如能在不同的电压、电流和温度下获得开关损耗,给系统仿真提供可靠的数据;又比如可以通过观察波形振荡情况来选择合适的门极电阻。
双脉冲测试原理
顾名思义,双脉冲测试就是给被测器件两个脉冲作为驱动控制信号,如图1所示。第一个脉冲相对较宽,以获得一定的电流。同时第一个脉冲的下降沿作为关断过程的观测时刻,而第二个脉冲的上升沿则作为开通过程的观测时刻。

图1
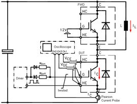
考虑到可能的电场干扰,最佳的双脉冲平台是全桥结构的,如图2所示。3管的门极给15V常开信号,4管则是处于常关,2管作为被测器件给予双脉冲信号。1管主要作用于续流,所以门极可以是常关信号,或者在使用MOS管时门极用同步整流信号。第1个脉冲来临时,电流经过3管和负载电感进入2管。为了得到一个期望的电流值,此脉冲需持续一定时长,时长可通过T=I*L/V来获得,其中L是负载电感值,I是期望电流,V是母线电压。当然实际中可以直接用示波器观察电流值来调整脉宽。
第一个脉冲结束时,2管关断,表现出器件的关断波形。此后,电流在3管、负载和1管中续流。当第2个脉冲到来时,2管开通,1管上的电流重新流入2管,这时可测量1管的反向恢复特性及2管的开通特性。其中电流的获取在小功率时可以采用电流检测电阻,而大电流时一般使用磁性电流检测器,比如罗氏线圈或者Pearson磁环。关于电压电流探头的使用之前有专门的文章详细介绍过。
图2
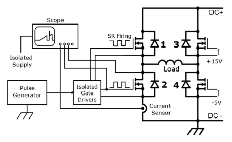
平时实验室测量时结构上也可以简化成半桥形式,如图3,工作原理和全桥类似,这里就不赘述了。

图3
哪些参数可以通过双脉冲实验获得?
通过双脉冲测试,可以得到包括开关损耗,各电压电流尖峰值,斜率变化值在内的动态参数。比如IGBT参数:

各参数可以在示波器上直接测量得到,定义如图4:

图4
以及反并联二极管参数:

各参数测量定义如图5:

图5
其中开关损耗需要借助示波器的函数运算功能获得,也可以把所有波形都存成表格点再后期进行处理运算。图6和图7分别是开通和关断波形。其中1通道黑色的是被测器件VCE的信号,2通道红色的是桥臂电流,3通道绿色的是门极信号。数学运算1是电压和电流信号的乘积,数学运算2是该乘积的积分线,也就是损耗值。根据国标定义,开通损耗的积分时间区间为门极电压上升的10%到VCE电压下降至2%这个区间;而关断损耗的积分时间区间为门极电压下降至90%到电流降到2%。如果有些许振荡的话,以第一次触及边界值为准。但有严重振荡的话建议调整驱动参数(比如增加门极电阻)重新测量。

图6

图7
总结
双脉冲测试非常适合研发阶段对器件在系统上的损耗评估,为系统仿真带来数据支持。毕竟有太多的因素会使实际值和数据规格产生很大差别,用规格书上的值做为仿真依据粗糙了些,当然器件选型的时候还是很值得借鉴的。设计越精准,对成本控制就越友好。
