
随着SSD(固态硬盘)向 “更高速度、更小体积、更低功耗” 升级,其对供电方案的要求愈发严格——既需在高速读写时提供稳定大电流,又要在休眠时降低功耗;既要避免纹波影响数据准确性,又能够在掉电时快速放电保障安全。
为此,帝奥微专门推出3A同步降压DC-DC DIO60843,以 “全负载高效率、低纹波洁净供电、大电流小体积” 为核心亮点,搭配宽输入电压、Power-Good信号、多重保护等特性,完美适配 SSD从消费级到工业级的多样化供电需求!

DIO60843简介及主要参数
DIO60843是一款高集成度同步降压DC-DC 转换器,采用固定频率恒定导通时间(COT)架构,集成低导通内阻功率开关,支持3A持续输出电流,1.5MHz高开关频率可缩小外围元件尺寸,1.5mm×1.5mm QFN-7超小封装可满足一些高密度布局的应用场景。该产品可应用在SSD、TV、PC、以及各类便携电子如手机、平板等。其核心参数如下:

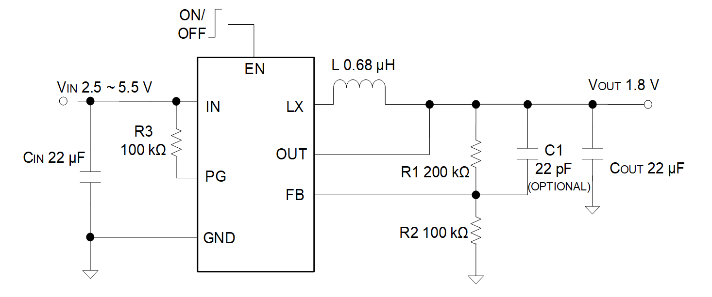
DIO60843应用框图

DIO60843性能解析
一、全负载高效率:适配 SSD “休眠 - 读写” 双模功耗需求
SSD的工作状态有工作模式(连续读写)和低功耗模式(空闲、待机、睡眠),DIO60843 通过两大设计实现全负载高效,精准匹配不同场景的需求。
1、轻载低功耗:静态电流仅15μA,SSD休眠时大幅降低供电回路损耗,尤其对移动设备(如笔记本SSD)而言,可间接延长设备续航;
2、重载低损耗:低RDS (ON) 功率开关,搭配1.5MHz高开关频率,在3A重载时转换效率可达93%以上,减少SSD供电模块发热,避免因高温导致的性能降频等问题。

二、低纹波洁净供电:守护SSD数据读写准确性
SSD的NAND存储颗粒和控制器对供电纹波较为敏感 —— 若供电纹波过大,可能导致:① 数据写入时出现 “位错误”,增加ECC纠错负担;② 控制器指令执行异常,引发读写延迟甚至卡顿。
DIO60843采用固定频率COT架构,1.5MHz恒定开关频率避免频率波动导致的纹波增大;配合低ESR陶瓷输出电容,轻载时输出纹波可控制在±10mV以下,重载时输出纹波不超过±5mV,为SSD提供 “无扰洁净” 的供电环境,从源头减少数据读写错误风险,保障 SSD存储可靠性。
DIO60843输出纹波特性解析:

三、SSD专属 “保障特性”:从供电到安全的全链路守护
1、Power-Good(PG)信号:SSD控制器可通过PG引脚检测供电是否稳定 —— 当DIO60843输出电压达到目标值的90%以上时,PG引脚才输出高电平,确保SSD在供电就绪后再启动读写,避免 “上电即工作”导致的数据错误。
2、多重保护:DIO60843自带多重保护,如短路保护(防止SSD内部短路烧毁供电)、热关断保护(避免高温损坏)、欠压锁定保护(防止低压供电不稳定)等,为SSD提供 “全天候” 安全防护。
3、快速放电:SSD在意外掉电或进入深度休眠时,输出端电容若残留电压,可能导致:① 存储颗粒未完成数据 “Flush” 操作,造成数据丢失;② 下次上电时电压叠加,损坏敏感元件。DIO60843集成3Ω主动放电电阻,当EN引脚拉低后可将输出电压迅速降至0.1V以下,完全符合JEDEC SSD掉电安全标准,为数据保驾护航。
4、快速瞬态响应:SSD从 “休眠”切换到 “高速读写”时,负载电流会从几mA骤升至3A,DIO60843的COT控制架构配合负载电流直接感应控制策略,可快速抑制输出电压波动,输出电压不超过±3%(Vout=1.8V),确保SSD读写性能稳定。
DIO60843动态响应特性解析:VIN=5V VOUT=1.8V (Iload = 0.01A to 3.0A)

总结
DIO60843 —— SSD供电的 “高效稳定搭档”
从 “全负载高效率”降低SSD功耗与发热,到 “低纹波”保障数据读写准确,再到 “3Ω快速放电”确保掉电安全,同时叠加PG信号、宽压、多重保护等特性,DIO60843以 “针对性设计”成功解决了SSD供电的核心痛点;1.5mm×1.5mm超小QFN封装更适配SSD的高密度布局需求,是消费级/工业级SSD应用的理想供电方案。