
背景
随着手机SoC制程逐步升级至3nm等先进节点,其核心GPIO电源域电压持续降低(如1.2V),以实现更高性能和更低功耗。然而,许多外围设备(如传感器、存储器接口等)仍普遍采用1.8V逻辑电平。这种核心与外围间的电压域差异,导致信号无法直接可靠通信。
为了应对先进制程SoC与外围设备电源域不兼容等问题,帝奥微推出超小封装、超高速、4通道电平转换DIO7S104Q,该器件能高效、无缝地在SoC的1.2V低压域与外围设备的1.8V域之间进行信号电平转换,确保系统各部件间信号的正确匹配与可靠传输。

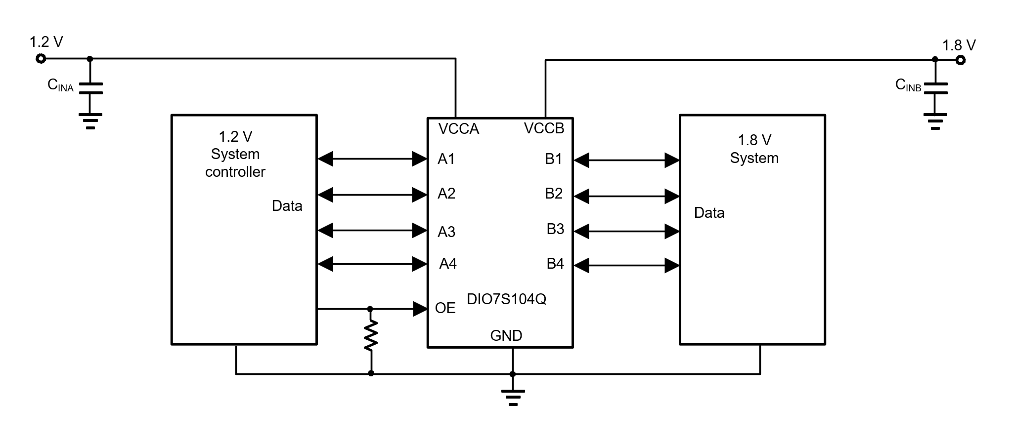
DIO7S104Q 是一款4通道双向电压电平转换器,带有输出使能(OE)引脚。该器件使用两个独立的可配置电源轨。 A端口和OE引脚参考 VCCA,VCCA提供0.72V至1.98V的电压;B端口引脚参考VCCB,VCCB提供1.62V至3.63V的电压,因此DIO7S104Q可以满足0.72V超低压系统应用电平转换的需求。DIO7S104Q可应用于GPIO/I2C/SMBus/I3C/SPI等信号开漏输出和推挽输出的电平转换。
DIO7S104Q特别适用于超高速SPI接口的电平转换,在1.2V转1.8V应用中,DIO7S104Q仅5ns最大的延时,即使在40MHz SPI,脉宽25ns的应用场景,它也能满足应用需求。DIO7S104Q具有一个输出使能引脚,用于控制输出状态。当OE输入为低电平时,所有I/O均处于高阻态。 DIO7S104Q 采用WLCSP-12和QFN2.0*1.7-12 封装。其额定环境温度范围为 -40 至 85℃,可以满足工业和消费应用的要求。
主要参数和竞品对比
电源电压范围:
− A 端口 0.72V 至 1.98V
− B 端口 1.62V 至 3.63V
最大数据速率:
− 推挽:80Mbps (40MHz)
− 开漏:6.8Mbps (3.4MHz)
VCC 隔离特性:如果 VCCA 或 VCCB 输入为 GND,则所有输出均处于高阻态
OE 输入高电平参考VCCA电源域
无电源时序要求,VCCA 或 VCCB可以任意先上电
采用 0.35mm 间距的 12 引脚 WLCSP 封装和 0.4mm 间距的 QFN-12 封装
工作温度:-40 至 85℃

DIO7S104Q的应用框图

DIO7S104Q是帝奥微推出的一款超小封装、超高速、4通道双向电平转换器。其核心优势在于能高效适配不同电压域间的信号转换需求,解决系统互联的关键问题。凭借小尺寸与高性能的完美结合,该器件可广泛应用于消费电子、通信、工业控制及物联网等众多领域,为设计提供灵活可靠的解决方案。
帝奥微将持续推出更多精品,解决客户应用的关键问题,为客户创造更高的价值!
如需相关样品,请联系
帝奥微(688381.SH)
江苏帝奥微电子股份有限公司是一家专注于从事高性能模拟芯片的研发、设计和销售的集成电路设计企业,核心管理团队来自于仙童半导体(Fairchild Semiconductor),均拥有超过十五年以上的从业经验。
帝奥微产品主要分为信号链模拟芯片和电源管理模拟芯片两大系列,广泛应用于汽车电子、机器人、消费电子、通信与计算、工控以及医疗等领域。
公司成立至今获得多项政府资质和行业奖项,包括国家高新技术企业、国家级专精特新“小巨人”企业、国家知识产权优势企业、江苏省工程技术研究中心、2024年度行业领袖奖、2024中国IC设计TOP10模拟芯片公司、2024年度卓越影响力IC设计企业奖2024年度上市公司最佳治理建设奖、2025年度创新力汽车芯片奖等。
此外,帝奥微已通过ISO 26262功能安全管理体系最高等级ASIL-D认证,帝奥微车规芯片研究院通过中国合格评定国家认可委员会(CNAS)评审,正式获得CNAS认证。