

近年来,随着AI需求的兴起,数据中心的能量密度越来越高。运放作为电流检测的重要方式,对精度、响应时间(摆率、带宽)、可靠性、适配性、安全性等方面提出了更高要求。为响应市场趋势,江苏帝奥微电子股份有限公司(以下简称帝奥微)推出了自主研发高带宽、高精度运算放大器DIO2558X系列产品。
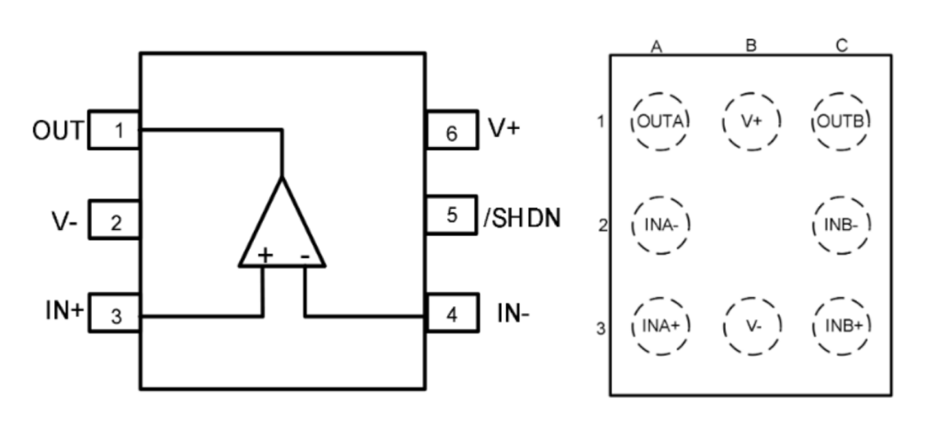
DIA2558X是一款高带宽、高精度、低噪声运放产品,设计用于电流的精准检测和快速过流响应。关断(shutdown)引脚帮助系统节省功耗,同时极低的温漂性能和噪声非常适用微小信号的处理。

图1:DIA2558X选型表
DIO2558X的封装除了常规的MSOP/TSSOP/SOP/SOT23外,还支持WLCSP封装(1.43mmx1.77mm),为空间较小的应用带来了极大的便利。

图2:CSP和shutdown封装图
DIO2558X已经完成严格的可靠性和小批量三温测试认证,为通信、工业、医疗等客户的应用保驾护航,提供稳定优异的信号传输质量。
典型应用
分流器的电流检测
DIO2558X的失调电压低至1uV,温漂0.01uV/C, 共模抑制和电源抑制比小于-120dB,保证了分流器测试精度要求。同时18MHz的GBW和的11V/us压摆率保证了快速过流响应,实现功率MOS的单周期保护。
值得一提的是,DIO2558X在芯片上电和下电设计中做了glitch的特殊处理,避免了误打开后级的开关管,70mA以上的输出短路电流能力也保证了较强的抗干扰性。

图3:分流器检测应用
小信号检测
通信和工业应用中经常需要对微小电压和电流信号进行检测,为防止芯片的噪声淹没有用信号,低噪声的运放成为了正确读取输入信号的关键。DIO2558X的电压噪声为0.18uV Vpp(0.1~10Hz),可以轻松处理uV级的输入信号。

图4:电流信号的放大图

图5:电压信号的放大
产品优势
1. 高带宽增益
增益带宽积是用来简单衡量运放性能的重要参数。这个参数表示增益和带宽的乘积。运放的单位增益带宽,是指运放增益为1时的-3dB带宽,与运放的增益带宽积从数值上而言是相等的。

图6. 增益带宽
2. 零漂移
运放失调电压Vos随温度变化范围,影响输出信号的波动。

图7. 温漂特性
3. 低噪声
运放等效输入噪声,会影响输出信号的信噪比。

图8. G=10,输出电压噪声
主要功能特性
宽电压供电范围: 2.7V to 5.5V
单位增益带宽: 18MHz
低失调电压:
− 1.2μV(typ.)
− Low input offset voltage drift: ±0.01μV/°C
超低输入电压噪声/密度:
− 9nV/sqrt(Hz) at f=1kHz
− 180nVpp at f=0.1~10Hz
高信号输出摆率: 11V/μs
轨到轨输入输出
工作温度范围: -40°C to 125°C
作为公司信号链产品线的实力代表之一,高性能放大器经过不断的技术升级与创新突破,已形成丰富、且性能优异的产品系列,涵盖低噪声放大器、高精度放大器、低功耗放大器、高速放大器及电流检测放大器等,能够满足各类应用需求。
卓越实力是帝奥微产品的底气,公司将继续拓充信号链产品线,为客户提供更多高质量产品,更加全面丰富的解决方案!
更多产品详情请联系:marketing@dioo.com
帝奥微(688381.SH) 江苏帝奥微电子股份有限公司是一家专注于从事高性能模拟芯片的研发、设计和销售的集成电路设计企业,核心管理团队来自于仙童半导体(Fairchild Semiconductor),均拥有超过十五年以上的从业经验。 帝奥微产品主要分为信号链模拟芯片和电源管理模拟芯片两大系列,广泛应用于汽车电子、人形机器人、消费电子、通讯设备、工业以及医疗等领域。 帝奥微获得多项政府资质和行业奖项,包括国家级专精特新“小巨人”企业、国家高新技术企业、国家知识产权优势企业、江苏省工程技术研究中心、江苏省民营科技企业、IC风云榜“年度领军企业奖”、2024年度上市公司最佳治理建设奖、全球电子成就奖之2024年度杰出创新企业、2024年度全球电子创新产品奖、中国IC设计成就奖之年度杰出市场表现奖-汽车电子、金辑奖-最佳技术实践应用奖、2024年度卓越影响力IC设计企业奖、2024年度硬核汽车芯片奖等。