
概要
DIPS25智能功率模块采用芯能新一代自研半桥带保护的驱动IC芯片和IGBT芯片,具备驱动开关匹配EMC优化特性与全方位的保护功能,包括欠压、过流、过温、防直通等。集成高精度的 NTC 温度输出与自主可调的过温保护阈值,使客户端的设计自由度更高。
DIPS25新产品系列采用了框架+全塑封的散热结构,兼备模块体积小、保护功能齐全、功率密度高、散热能力优秀、安装方便和绝缘等级高等满足各种装配场景需求,目前产品的规格等级有3A/600V、6A/600V、10A/600V;
产品型号:XNS03S61F6、XNS06S61F6、XNS10S61F6。

产品特点
1、内置高压栅极驱动,配套芯片完全国产化
2、三相全桥逆变拓扑,适用于各类电机驱动场景
3、驱动集成自举电路,内置限流保护电阻,集成度更高
4、内置欠压保护、过流保护、互锁保护及故障输出(FO)/使能(EN)
5、内部集成NTC电阻与过温保护功能
6、完全兼容3.3V和5V驱动输入信号
7、绝缘电压等级:1500Vac
8、符合ROHS标准
解决问题
01
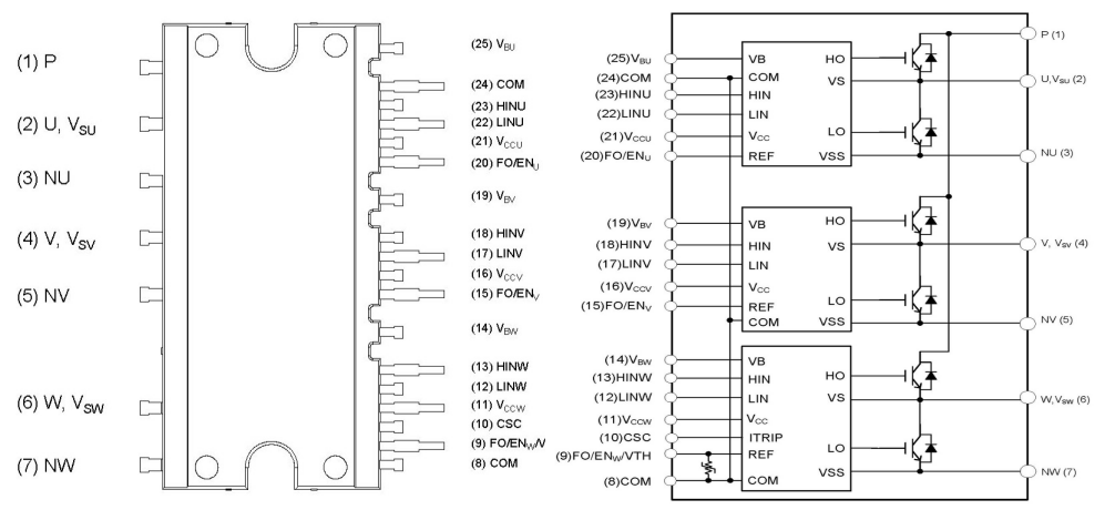
引脚布局与爬电距离优化,与市面上主流产品完全Pin to Pin兼容

02
集成自举电路、欠压保护、过流保护、过温保护、温度输出功能

03
功率密度高
电流等级可达10A,功率密度高、全塑封+框架散热结构、小体积

04
预留配置
装配顺序:预紧1→2;正式紧固:2→1
方便用户的散热装置安装

来源:芯能半导体