
更大容量电池需具备相同或更快充电时间的趋势正在加速USB-C PD采用更大的功率及更高的输出电压, USB PD组织发布了最新的USB PD3.1 EPR规范,使得最大的输出达到48V 5A, 240W的功率。在设计USB PD适配器和充电器时,要满足COC V5 Tier2 等最新的能效标准,并考虑小型化设计以配合移动便携式设备等轻薄短小但功能丰富多样的趋势。安森美(onsemi)最新推出的240 W图腾柱PFC配合最新的高频准谐振 (QR)控制器所构成的双管反激变换器 USB PD3.1 EPR适配器和快充参考设计,模拟协议控制板支持所有PD 3.1 EPR固定输出,在230Vac和48V输出条件下,四点平均能效达到95.4%,在230Vac和48V5A时,效率高达96.2%, 待机功耗在100mW以下,远超COC V5 Tier2标准,且PCBA尺寸仅89mm x 51mm x 21.5 mm,功率密度为40W/立方英寸,并且采用低成本的双层PCB设计,是下一代PD3.1 EPR智能手机快充、笔记本电脑适配器,电动工具快充等的理想选择方案。

图1:240W图腾柱PFC配合高频QR双管反激 USB PD3.1 EPR适配器和快充方案
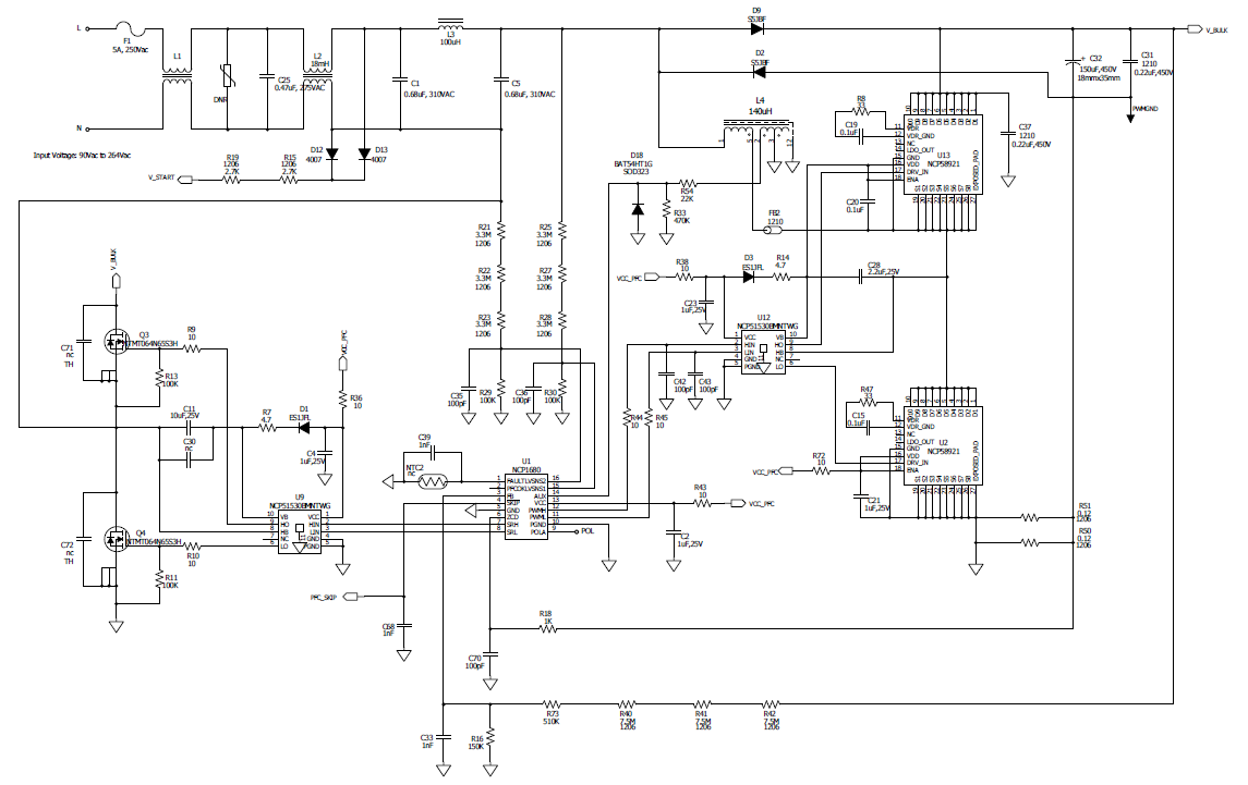
该方案的PFC使用NCP1680 CRM模式,具有谷底同步频率反走的图腾柱PFC控制器,配合2只65mohm的SJ FET和2只50mohm的iGaN组成高效的PFC电路,在90Vac和满载情况下PFC的效率高达97%。 在轻载模式下由后级电路产生skip脉冲信号输入到NCP1680,使得PFC进入强制skip待机模式,输出电压在额定值的94%和100%之间波动来降低开关损耗提高轻载效率。

图2:240W图腾柱PFC电路原理图
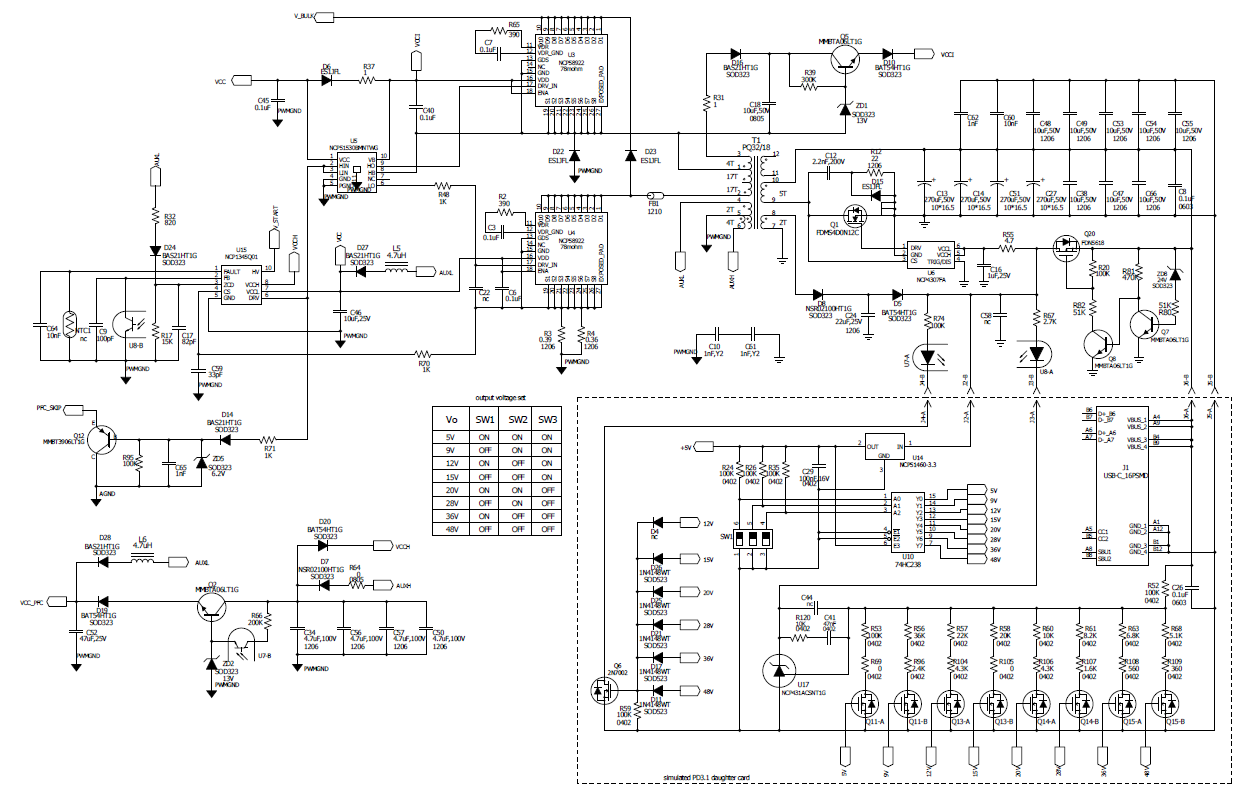
PWM部分使用安森美的NCP1345高频QR反激式脉宽调制 (PWM) 控制器,一只半桥驱动控制器NCP51530和2只iGaN组成双管反激拓扑架构,使得变压器可以采用大匝比,电源能近似工作在ZVS状态并且漏感能量能被完全回馈到电源输入端而达到非常高的转换效率。同步整流控制器NCP4307支持高低电压供电且外围电路非常简单,输出整流采用120V,4hohm的SJ FET FDMS4D0N12C。
提高工作频率可缩小电源尺寸,该设计在PFC工作,输出为390V、满载的情况下,频率达130~150 KHz,NCP1345 QR反激式拓扑,采用专有的谷底锁定电路,确保稳定的谷底开关,直至第6个谷底,随着负载的进一步降低,在空载和轻载时,NCP1345进入Quiet Skip和反激式非连续导通模式(DCM),然后过渡到频率反走模式,以减少开关损耗,提高空载和轻载能效。谷底锁定和Quiet Skip实现领先市场的噪声性能,且由于波形的谐波含量降低,电磁干扰(EMI)性能也得以改善,这可减少所需的EMI滤波器,从而降低成本。NCP1345固有的初级恒流控制使得能很方便的设计最大的恒流点即OCP保护值,这个OCP值在所有的输入及输出电压范围内几乎是固定值。另外NCP1345也提供高低电压双供电VCC端子以简化VCC电路的设计。

图3:240W双管反激同步整流和模拟协议控制电路原理图
双管反激变换器要求N*Vo的设计必须小于输入电压,否则会自动限制占空比导致OCP保护,所以在变压器的匝比的设计上确保5V,9V,12V时N*Vo小于90Vac时的最低输入直流电压,这样在5V,9V,12V时可以关断PFC来提高效率,在15V及以上输出电压时PFC一直工作以确保双管拓扑能正常工作。
由于没有合适的48V的协议控制器,所以用了431参考基准配合DIP开关分立电路来产生输出电压控制采样反馈及PFC控制电路来模拟PD3.1 EPR的工作状态,所有这些电路都设计在一个子板卡上以便未来更换PD子卡,模拟PD协议板的界面完全兼容当前的协议界面。本参考设计目前只支持PD3.1 EPR固定的输出电压,暂不支持PD3.1 EPR AVS输出,所以未来只要设计一个PD3.1 EPR协议子卡装上就能支持完整的PD3.1 EPR输出。
能效测试
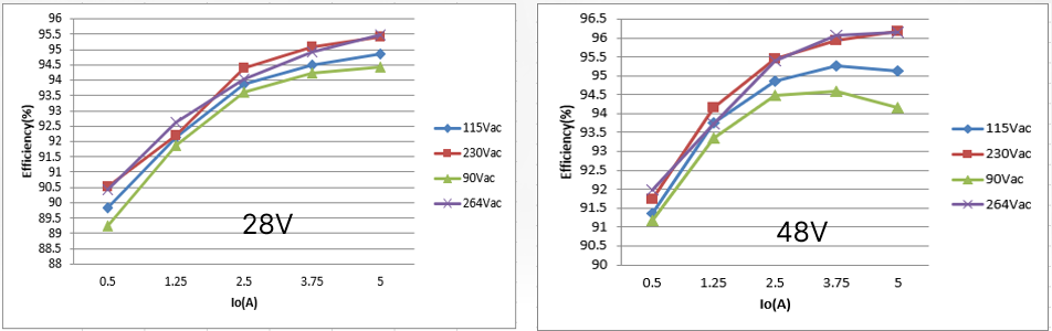
该方案在230Vac和5V输出没接负载的情况下,输入功率小于100mW, 待机功耗及48V下PF曲线如下图。 在5V小负载下的效率及各个输出下0.25W的效率也很好。在115 VAC(蓝色曲线)和230 VAC (红色曲线)输入电压的平均能效和轻载(10%负载)能效,从下面曲线图可看到都远高于COC V5 Tier 2平均能效标准和COC V5 Tier 2轻载能效标准,由于PFC在5V,9V,12V时停止工作,所以可以看到这几个电压下效率较高,28V和48V满载下的效率也非常高。



图4:待机功耗和能效曲线

图5:28V和48V的负载效率曲线
安全保护功能和恒流控制
该高频QR USB PD方案集成丰富的安全和保护功能,包括:精密的瞬时过压保护(OVP)、过流保护(OCP)、短路保护(SCP)、开环保护、X2电容放电等。
OVP保护可以通过ZCD脚外部的电阻来精确设定。OCP可以通过变压器匝比,初级电流感应电阻及NCP1345内部的恒流电压参考来设定精密的恒流输出值得到。具体设计可以参考规格书。
热性能测试
由于非常高的效率,该方案在没有加任何导热材料及主动散热的情况下,靠自然散热得到下列的热成像图,该热成像图是在满载工作30分钟后测得。

图6:240W高频QR USB PD3.1 EPR适配器参考设计热成像