

麦肯锡预计,到2030年,物联网将在全球创造5.5万亿至12.6万亿美元的经济价值[1],我国物联网连接数全球占比高达30%,到2025年能够超过80亿个[2]。此外,可穿戴设备市场规模也在迅速扩大。据IDC,2020-2021,全球可穿戴设备的出货量超过3.5亿台,国内市场规模到2025年有望增至462.6亿元[3]。
物联网应用、可穿戴设备爆炸式增长,离不开电源管理技术为其赋能。体积小、便于携带的电池供电设备,如蓝牙耳机、智能手表、可视门铃、物品追踪器等,往往尺寸紧凑、电池容量有限,同时又要求能够长时间待机和迅速响应,这对设备的电源系统及器件本身的低功耗性能提出很高的要求。续航时间和“唤醒”时的反应速度关乎设备的核心性能表现。因而,具备超低静态电流、超快瞬时响应的同步降压转换器得到设计师的青睐。
致力于提升物联网和可穿戴设备性能,豪威集团——全球排名前列的先进数字成像、模拟、触摸和显示技术等半导体解决方案开发商,近日发布新一代高效同步降压转换器WD1020/WD1021。

WD1020/WD1021产品特性
超低静态电流:延长待机时间
该系列产品具有超低的360nA静态电流。在低至10uA的轻载下仍能提供高效率。全负载范围内效率最高可达97%。通过先进的峰值电流控制架构,WD1020/WD1021在宽泛的负载范围内仍具有优秀的动态响应能力,可有效延长电池供电产品的续航时间,非常适用于为传感器、 MCU、无线通讯及其它系统组件供电。

效率曲线
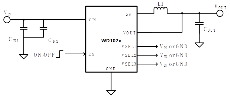
通过采用3个VSEL引脚编码,WD1020/WD1021可以实现8个不同的电压输出。在输入电压降低到接近输出时,可自动切换到100%占空比模式运行,拓宽电池工作电压范围,增强电池续航能力;根据负载大小不同,WD1020/WD1021还可自动切换运行于PFM或PWM模式,保证在轻载(<1mA)到满载的整个负载范围都维持业界领先的运行效率。

典型应用电路

引脚信息
小封装:节省宝贵空间
除保证续航时间外,设计者需要平衡高性能与小尺寸、高效之间的关系。在封装及尺寸方面,WD1020/WD1021采用CSP-8L封装,拥有1.61mm×0.82mm超小尺寸,同时内部集成斜坡补偿,降低了外围器件数量需求,加上高达1MHz的开关频率,可与小型贴片陶瓷电容和电感搭配实现非常紧凑的整体解决方案,对于智能手表、TWS耳机和智能手环等小尺寸的移动式应用提供良好适配,为产品设计节省了宝贵的内部空间。

CSP-8L封装
强保护:保障安全运行
虽然小巧又省电,但保护功能一样不少。
WD1020/WD1021集成了完善的保护功能,可在多种异常条件下提供安全保障,包括软启动,输入欠压保护,过流保护,过温保护等。另外,WD1020/WD1021还具有输出快速放电功能,可消除输出残压对后级电路的影响。
便携式、小型化的产品设计,对电源管理技术要求越来越苛刻。兼具超低静态电流和紧凑设计的WD1020/WD1021是此类应用的理想之选。
目前,豪威集团的电源管理产品,广泛运用于智能设备、物联网、可穿戴、笔电、工业设备等应用场景。
[1] 网易:麦肯锡最新报告:2022年物联网发展趋势,如何把握风口和机遇?
[2] 前瞻经济学人:预见2022:《2022年中国物联网行业全景图谱》
[3] 新浪网:苹果、华为领衔,引爆医用可穿戴设备百亿市场