
英飞凌科技大中华区应用工程师 张浩
如何评估IGBT模块的损耗与结温?英飞凌官网在线仿真工具IPOSIM,是IGBT模块在选型阶段的重要参考。这篇文章将针对IPOSIM仿真中的散热器热阻参数Rthha,给大家做一些清晰和深入的解析。
IPOSIM中Rthha定义:折算到每个Switch(开关)的散热器热阻
折算思路:对于常规模块,先确定散热器的总热阻,再根据散热器包含的Switch数量,折算出热阻Rthha。对于PIM模块,其散热器热阻需要额外计算。
一、两电平仿真中的Rthha的定义与设置
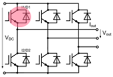
在两电平逆变拓扑中,每个Switch基本单元为:T1+D1

两电平举例说明:3XFF600R12KE4 per Inverter

(FF600R12KE4)
62mm封装的半桥模块如上,三个半桥模块置于散热器,组成完整的三相逆变拓扑。假设每个模块200W损耗,散热器的温升30℃,则散热器总热阻为30℃/(200W*3)=0.05K/W。
散热器总共包含了6个Switch基本单元,因此IPOSIM中Rthha为:0.05*6=0.30K/W。
二、三电平仿真中的Rthha的定义与设置
三电平的拓扑相对复杂一些,以常见的三种拓扑NPC1、NPC2和ANPC为例,分别进行说明:

在NPC1拓扑中,每个Switch基本单元为:T1+D1+T2+D2+D5

在NPC2拓扑中,每个Switch基本单元为:T1+D1+T2+D2

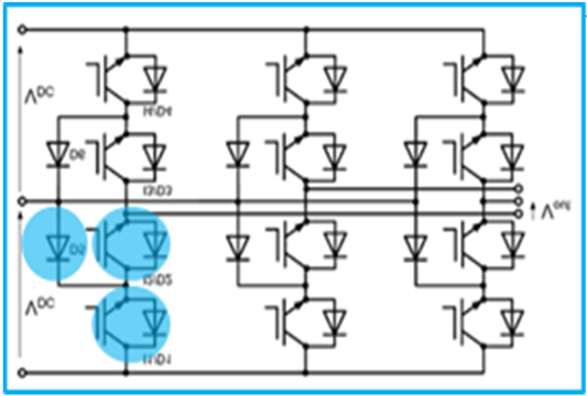
在ANPC拓扑中,每个Switch基本单元为:T1+D1+T2+D2+T5+D5
三电平NPC1举例说明:
3XF3L150R07W2E3_B11 per Inverter

(F3L150R07W2E3_B11)
在中小功率的三电平应用里,1个模块就能装下三电平的1个甚至3个桥臂。如Easy2B封装的三电平模块F3L150R07W2E3_B11,模块内为1个NPC1桥臂,3个模块置于散热器上,组成完整的三电平的三相逆变拓扑。假设每个Easy2B模块损耗200W, 散热器的温升30℃,则散热器总热阻为:30℃/(200W*3)=0.05K/W。
散热器总共包含了6个Switch基本单元,因此IPOSIM中Rthha为:0.05*6=0.30K/W。
三电平ANPC举例说明:
3XFF600R12ME4_B72 per phase

(FF600R12ME4_B72)
在大功率的三电平应用里,往往需要多个模块才能组成1个三电平桥臂,如EconoDual3™封装的半桥模块FF600R12ME4_B72,3个模块组成1个ANPC或NPC1的桥臂,同样3个模块置于散热器上,只是三电平拓扑的某一相。假设3个模块损耗一共1200W,散热器温升50℃,则散热器总热阻为50℃/1200W=0.042K/W。
散热器只包含了2个Switch基本单元,因此IPOSIM中Rthha为:0.042*2=0.084K/W。
三、变频器PIM模块仿真中的Rthha的定义与设置
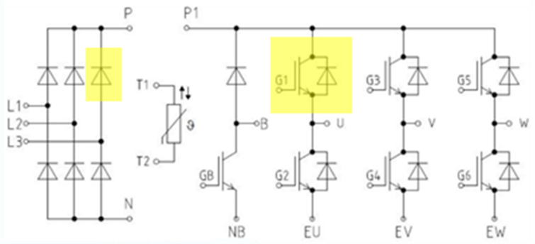
在中小功率的变频器应用里,常常会用到PIM模块(包含整流、制动和逆变),如英飞凌最新IGBT7系列EasyPIM模块FP25R12W2T7_B11。

如下图所示,是基于有限元热仿真的散热器表面温度分布:环境温度50℃,散热器表面最高温度82.3℃,其中每个整流二极管RD的损耗为3W,每个IGBT的损耗为10W,每个FWD的损耗为4W。

考虑到模块内整流部分和逆变部分的相互影响,我们可分别计算逆变(Inv)和整流(Rec)部分的Switch对应的散热器热阻Rthha,其中:
PIM模块逆变部分的散热器热阻Rthha(Inv)=(82.3℃-50℃)/(10W+4W)=2.30K/W
PS:如果按散热器总热阻X6去折算逆变部分的热阻,会存在低估的情况:
散热器总热阻=(82.3℃-50℃)/(6*10W+6*4W+6*3W)=0.317K/W,
即0.317*6=1.90K/W,
比上述的热阻值2.30K/W偏低约18%。
散热器(总)热阻在不同工况下的变化
散热器的热阻并非定值,而是会随热源的分布变化而变化。
在一些大功率三电平的应用场合,一方面,各个模块之间的损耗不同;同时,模块间损耗差异还会随着工况不同而变化,因此,需要格外关注此时散热器总热阻的变化情况。如下,分别以常见白模块和黑模块三电平NPC1拓扑为例,进行简单的分析。
案例一
基于EconoDual™3白模块NPC1三电平,在某种水冷条件下,不同工况时的散热器总热阻:



案例二
基于PrimePACK™3黑模块NPC1三电平,在某种水冷条件下,不同工况时的散热器总热阻:



因此,需考虑最恶劣工况下的热阻,或者在不同工况仿真时,采取不同的散热器热阻应对,以获得更准确的仿真结果。
综上所述,文章总结了在IPOSIM中Rthha参数,在两电平和三电平应用中的定义与设置,以及一些常见的问题,期望对大家如何正确选取Rthha进行准确的IPOSIM仿真有所帮助。
纸上得来终觉浅,绝知此事要躬行。
赶紧打开IPOSIM试试吧。