
2024年1月18日,致力于亚太地区市场的国际领先半导体元器件分销商---大联大控股宣布,其旗下诠鼎推出基于英诺赛科(Innoscience)InnoGaN ISG3201和INN040LA015A器件的1KW DC/DC电源模块方案。

图示1-大联大诠鼎基于Innoscience产品的1KW DC/DC电源模块方案的展示板图
随着“双碳”概念的逐渐深入,智能化和低碳化已经成为数据中心的两大“确定性”发展趋势。据知名机构Research调查显示,现有的采用Si方案的数据中心整体功率转换能效大约为75%,而采用GaN器件则可将能源效率提升到87.5%。其中,DC/DC 48V-12V环节在整个链路中扮演了重要角色。在这种背景下,大联大诠鼎基于Innoscience InnoGaN ISG3201和INN040LA015A器件推出1KW DC/DC电源模块方案,其利用氮化镓寄生结电容小的特点,配合磁集成方案,将开关频率提升至1MHz,具有高效率和高功率密度特性。

图示2-大联大诠鼎基于Innoscience产品的1KW DC/DC电源模块方案的场景应用图
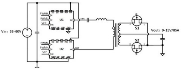
本方案采用全桥LLC DCX拓扑结构,固定变比为4:1,支持48V输入转12V输出,集成Innoscience旗下两颗100V InnoGaN ISG3201和八颗INN040LA015A低压GaN芯片。ISG3201是一颗耐压100V的半桥氮化镓合封芯片,其通过内部集成驱动器,优化驱动回路和功率回路,显著降低寄生电感和开关尖峰,进一步提高1KW 48电源模块系统的整体性能和可靠性。不仅如此,该芯片还具有独立的高侧和低侧PWM信号输入,并支持TTL电平驱动,可由专用控制器或通用MCU进行驱动控制,是数据中心模块电源,电机驱动以及D类功率放大器等48V电源系统的最佳选择。
INN040LA015A是一颗耐压40V导阻1.5mΩ的增强型氮化镓晶体管,其采用FCLGA 5*4封装,体积小巧,同时具备极低栅极电荷和导通电阻,且反向恢复电荷为零,不仅可以降低占板面积,而且具有更高的开关频率,能够为系统提供更高的动态响应。

图示3-大联大诠鼎基于Innoscience产品的1KW DC/DC电源模块方案的方块图
本方案能够以39mm×26mm×7.5mm的尺寸为数据中心带来高功率密度与低损耗的优势。在实际测试中,输入电压48V、输出12V/30A时,峰值效率可达98%;输入电压48V、输出12V/85A时,满载效率可达96.29%。未来,随着数据中心向更高效与更智能的方向发展,氮化镓也将成为重要绿色革命的关键角色,在这个进程中,大联大与Innoscience将持续研发以氮化镓为核心的解决方案,为数字时代赋能。
核心技术优势:
高效率:98%@48V-12V/30A;
高频率:1MHz;
高功率密度:2150W/in3;
超小体积:39mm×26mm×7.5mm。
方案规格:
尺寸:39mm×26mm×7.5mm;
效率:
峰值效率:98%@12V/30A;
满载效率:96.29%@12V/85A;
功率密度:2150W/in3。
如有任何疑问,请登陆【大大通】进行提问,超过七百位技术专家在线实时为您解答。欢迎关注大联大官方微博(@大联大)及大联大微信平台:(公众账号中搜索“大联大”或微信号wpg_holdings加关注)。
关于大联大控股:
大联大控股是致力于亚太地区市场的国际领先半导体元器件分销商*,总部位于台北(TSE:3702),旗下拥有世平、品佳、诠鼎及友尚,员工人数约5,000人,代理产品供货商超250家,全球78个分销据点,2022年营业额达259.7亿美金。大联大开创产业控股平台,专注于国际化营运规模与在地化弹性,长期深耕亚太市场,以「产业首选.通路标杆」为愿景,全面推行「团队、诚信、专业、效能」之核心价值观,连续23年蝉联「优秀国际品牌分销商奖」肯定。面临新制造趋势,大联大致力转型成数据驱动(Data-Driven)企业,建置在线数字化平台─「大大网」,并倡导智能物流服务(LaaS, Logistics as a Service)模式,协助客户共同面对智能制造的挑战。大联大从善念出发、以科技建立信任,期望与产业「拉邦结派」共建大竞合之生态系,并以「专注客户、科技赋能、协同生态、共创时代」十六字心法,积极推动数字化转型。(*市场排名依Gartner 2023年03月公布数据)