
产品概述
缓冲器/驱动器是数字系统中实现信号缓冲、驱动与总线隔离的核心器件,能有效增强信号驱动能力、隔离前后级电路干扰。
力芯微推出八通道三态输出缓冲器/驱动器ET74LV541V,采用2~5.5V宽电压供电设计,输入兼容TTL电平,输出具备±35mA强驱动能力,可稳定驱动总线线路或缓冲存储器地址寄存器。器件采用输入输出异侧封装布局,便于PCB设计,搭配双低有效使能端实现灵活的三态控制,兼具优异的ESD防护与闩锁性能,适用于多电源轨信号整合等对稳定性和兼容性要求严苛的场景。
产品特点
输入电压范围:2.0V – 5.5V,适配多场景电压需求
输入兼容TTL电平,通用性强,易于系统集成
八通道并行设计,输出非反相数据,支持三态控制
输出驱动电流达 ±35mA,驱动能力强劲
采用TSSOP20封装,输入输出异侧布局,优化PCB布线
典型应用

图1:ET74LV541V Application Circuit
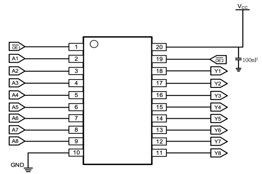
管脚定义


图2:TOP VIEW
功能框图

图3:功能框图

图4:真值表
其他亮点
(1)传输延时特性:
(2)输入到输出传输延迟时间: (3)用于测量开关时间的测试电路:


来源:力芯微电子