
圣邦微电子推出SGM42408Q,一款兼容12V&24V汽车应用的八通道低边驱动器,具备直接GPIO驱动或16位SPI控制功能。导通电阻为570mΩ,每通道最大可输出1.2A峰值电流,集成完善的故障诊断与上报功能,包括开路检测、短路保护、过流保护及过热保护等。该器件可用于阻性负载、感性负载和工业PLC的I/O模块,为汽车电子与工业控制提供高可靠性多路驱动解决方案。
SGM42408Q是一款通过AEC-Q100 Grade 1认证的高可靠性低边驱动器,专为严苛的汽车电子环境设计。器件工作温度范围-40℃至+125℃,满足汽车应用对器件的高可靠性要求。
在电气特性方面,SGM42408Q支持宽电源电压范围,输出端口耐压高达56V。数字逻辑供电电压VDD支持3V至5.5V,模拟保护电路供电电压VDDA范围为4V至5.5V。其典型导通电阻为570mΩ,每通道安全限流值可达1.2A(典型值),常温关断待机模式下,静态电流可接近0μA。SGM42408Q支持快速开通和关断:开通时间(tON)在16μs,关断时间(tOFF)在30μs;器件内置钳位保护电路,为感性负载关断提供退磁回路(每通道高达90mJ退磁能量),每个通道均具备独立的过流检测、负载开路检测、欠压保护及过热锁存保护,并支持故障状态实时上报。
该驱动器通常用于驱动阻性或感性负载,负载的另一端连接至电源(VCC)。用户可通过INx引脚并行控制各通道输出,也可以在主控制器(MCU)GPIO资源紧张情况下,采用串行通讯SPI接口(支持5MHz通信时钟频率)进行驱动控制,通过专用的Direct-SPI模式引脚(DIR)进行自由的控制方式切换。在GPIO驱动模式下,任何通道触发的故障诊断都会通过SO引脚及时输出指示;在SPI串行控制模式下,可以通过SO引脚对8个通道进行独立、精确的状态监控。
SGM42408Q采用符合环保理念的TSSOP-24(Exposed Pad)绿色封装,其八通道架构可提供单通道最高1A或8通道每通道0.6A的连续负载驱动能力。器件还集成了完善的保护机制,包括负载开路检测、短路至VCC保护、过电压钳位保护等,并特别针对汽车电子环境设计了系统级保护功能。兼容3V/5V逻辑电平输入的特性使其能灵活适配各类汽车电子控制系统,为多路驱动应用提供了高集成度、高可靠性的理想解决方案。

图1 SGM42408Q典型应用框图

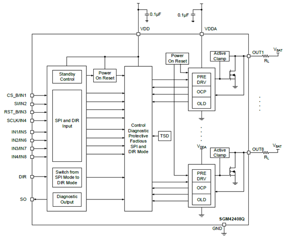
图2 SGM42408Q功能框图
圣邦微电子汽车级驱动产品系列
圣邦微电子提供完整的高边与低边驱动器产品组合,以满足汽车电子系统多样化的负载驱动需求。
表1 圣邦微电子已推出高低边驱动产品一览

关于圣邦微电子
圣邦微电子(北京)股份有限公司(股票代码300661)作为高性能、高品质综合模拟集成电路供应商,产品覆盖信号链、电源管理、传感器及存储器等领域。公司拥有38大类近7,000款可销售型号,为工业与能源、汽车、网络与计算和消费电子等领域提供各类模拟及混合信号创新解决方案。
来源:圣邦微电子