
Type-C接口是近年来逐渐普及的一种新型数据传输与充电接口。它具有多种优点,例如可逆插拔、支持高速传输和快速充电、更小巧、更易于集成等。这些优点使得Type-C接口逐渐替代了传统的USB接口和其他接口,成为越来越多设备的标配。
但Type-C接口设计因其连接器物理尺寸,接口定义和电气特性的固有特点,也面临着一些连接可靠性挑战:

图1 Type-C接口定义
1. Type-C接口管脚间距较小,有插拔时间发生时,会有ESD和浪涌等异常冲击,造成系统相关连接的电流失效造成系统异常
2. Type-C接口管脚间距较小,长时间使用后因灰尘积累,在温湿度剧烈变化时或机械振动时,造成USB2.0 DPDM信号与VBUS或GND有短路风险,引起功能异常甚至造成后级电路器件损坏
因此,接口电路设计时,需要考虑ESD,浪涌及高压保护风险。数模龙头艾为电子推出的AWP35631和AW35752D系列产品集成了8KV接触ESD防护功能,40V以上浪涌保护功能,以及快速过压保护能力,为智能手机,智能支付设备,可穿戴设备等设备USB2信号提供稳定可靠的防护。
可承受8kV接触ESD
发生+50V浪涌,500ns内信号输出电压钳位低于6.6V,可保护后级电路免受浪涌损害

图2 高鲁棒性
市面上大多数产品靠增加芯片面积提升ESD和浪涌能力时,势必会造成输入端口Con/Ron偏大,造成USB2在高速模式时插损偏大,造成整个链路通信丢包,数据传输可靠性下降。数模龙头艾为电子凭借多年来在USB2保护开关的技术积累,在保证ESD和浪涌能力前提下,仍然可以保证带宽1.4G@-3dB,保证整个通道的信号完整性。

图3 高带宽特性
智能手机尤其是折叠屏手机越来越薄,智能穿戴也对芯片封装尺寸有严格要求,因而尺寸小,厚度薄的封装对产品非常重要,数模龙头艾为电子推出的AWP35631FDR以其DFN1.5*1.0*0.55mm尺寸领先业界。

表1 封装对比
USB 2.0 Hi-speed D-SPST switch
Typical -3dB bandwidth: 1.2GHz(Single-ended)
1.4GHz(Differential)
Over voltage protection: 5.1V typical
36V DC protection on D+ and D- Ports
+50V surge protection on D+ and D-
Supply voltage range: 1.65V to 5.5V
3Ω switch on-resistance typical
CON: 4pF typical
ICC: 32μA typical
FCDFN 1.5mm X1.0mm -6L package

图4 AWP35631封装信息-Top View

图5 AWP35752D封装信息-Top View

图6 AWP35631典型应用框图

图7 AW35752D典型应用框图
Type-C接口具有快充+数字耳机+DP投屏功能,中高端手机数字耳机逐渐取代模拟耳机,艾为电子AWP35631FDR+W35752AQNR产品组合,实现手机和平板的DPDM保护,以及DP投屏的SBU保护和极性切换

图8 推荐应用场景1
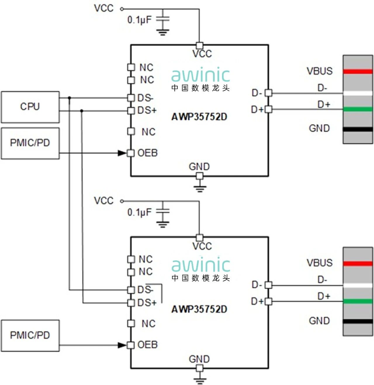
系统有双C口, 或单C口+Pogo pin, 或单C口+底座应用, 当设备平台端主控只有1个USB2接口, 设备对外有2个USB2接口需求,可以使用2颗AWP35752DQNR,2个输入端口具备高压倍护,输出端口并联在一起连接到主控USB2 Port,OEB Pin控制2颗AWP35752D实现Port1和Port2切换。

图9 推荐应用场景2
党政/金融/企业等对数据安全有较高要求,USB2信号物料需要做物理隔离,可用AWP35752D,控制OEB Pin以断开USB2通道物理连接,实现硬件级数据安全。

图10 推荐应用场景3
USB2 SPDT保护开关

表2 USB2 SPDT保护开关选型表
USB2 SPST保护开关

表3 USB2 SPDT保护开关选型表
来源:艾为之家