
01 新品介绍
本次推出4款0.5W驱动功率放大器,覆盖频段0.3-2.5GHz,典型增益大于20dB,噪声系数2dB。为了简化外围电路,方便系统应用,该系列放大器射频端口匹配全部集成。同时为了解决驱动功率放大器失配易损坏的情况,该系列放大器采用了独特的抗失配设计,输出端口开路时,输入可承受最大功率大于20dBm。

02 产品特色
配置电流调节端口,静态电流连续可调
匹配全集成,射频端口外围不需要任何元器件
均配置Power Down功能,关断时间<300ns
所有端口均配置500V以上静电防护能力
最高支持VDD=10V电压
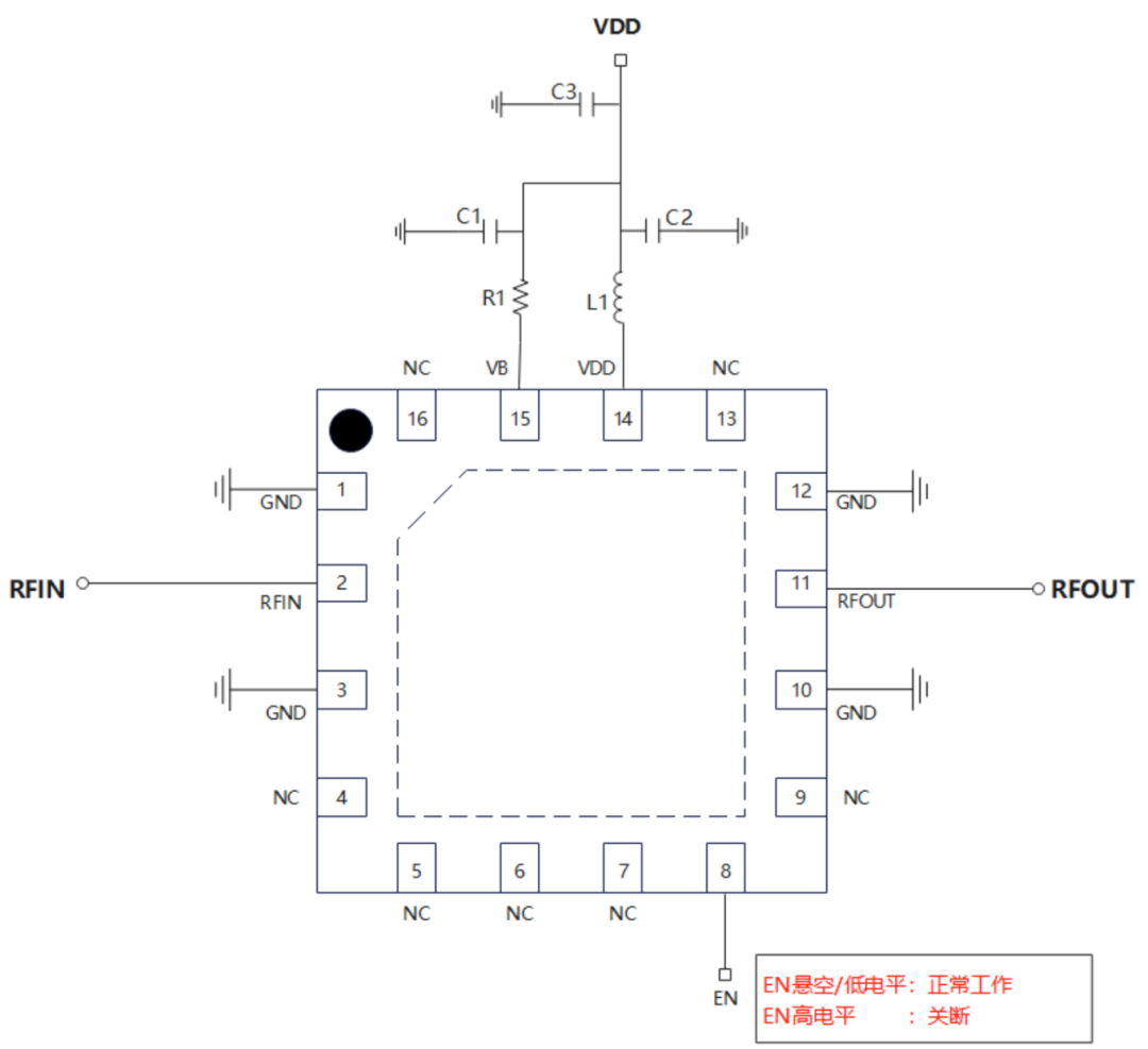
03 功能框架与管脚定义

QFN 3X3mm 16PIN

04 性能与曲线 ----FT21101-LP3
典型性能(VDD=5V)

性能曲线(VDD=5V)


05 性能与曲线 ----FT21301-LP3
典型性能(VDD=5V)

性能曲线(VDD=5V)


06 应用电路


07 外形尺寸
