
作者:Ling Jiang,高级产品应用经理
Wesley Ballar,高级产品应用工程师
Anjan Panigrahy,产品应用工程师
Henry Zhang,ADI公司研究员兼高级产品应用总监
摘要
本文介绍一种新型高性能升压和降压型μModule®稳压器。与上一代大电流降压-升压μModule稳压器相比,它实现了更高的能效比和更优的热性能。本文还介绍了其他一些重要特性,包括适用于更高功率应用的并联配置、可选的恒流调节功能,以及冗余输入配置。
简介
许多应用都需要宽输入和/或输出电压范围,例如电池供电系统。在输入电压可能低于或高于输出电压的情况下,电源需要调节其输出电压。只要不需要接地隔离,四开关降压-升压拓扑结构就能为此类应用提供超高的效率和功率密度。此外,降压-升压稳压器非常灵活,可用作单纯的降压电源或升压(带短路保护)电源。
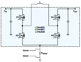
ADI公司的µModule部门开发了多款降压-升压稳压器。如图1所示,LTM8045、LTM8049、LTM8083和LTM4693旨在满足较低电流应用的需求。而LTM4607系列、LTM8055系列以及新发布的LTM4712降压-升压模块支持大电流应用(最高12 A)。LTM4607/LTM4605/LTM4609系列内部集成了控制器和MOSFET,但需要在PCB上连接外部功率电感和检测电阻(RSENSE),以构成完整的电源解决方案,如图2所示。
而LTM8054、LTM8055和LTM8056则将功率电感和RSENSE集成到µModule封装中,从而简化了客户的设计和布局工作,如图3所示。与LTM4607系列相比,LTM8055系列提供了更小尺寸的解决方案,但其输出电流受限于小尺寸集成电感,因此热性能和效率方面存在一定局限性。
2023年,ADI发布了新款大电流、四开关降压-升压稳压器LTM4712。这是一款36 VIN(最大值)、12 A功率模块,采用高密度16 mm × 16 mm × 8.34 mm BGA封装。它采用ADI专有的先进组件封装技术,将高性能功率电感集成到封装中。图4显示了该模块中集成的专有电流检测方案。这不仅节省了空间,而且还有效减少了额外的功率损耗。该器件采用先进的降压-升压控制器和高级ADI封装,能够在宽输入输出电压范围内实现超高的功率水平、功率密度、效率和出色的热性能。
表1.LTM4712、LTM4605系列和LTM8055系列总结
LTM4712 | LTM4605 | LTM4607 | LTM4609 | LTM8054 | LTM8055 | LTM8056 | |
电感、 RSENSE | 集成L/DCR | 外部L和RSENSE | 集成L和RSENSE | ||||
控制策略 | 峰值电流 | 谷值电流用于降压 峰值电流用于升压 | 谷值电流用于降压 峰值电流用于升压 | ||||
VIN范围 | 5 V至36 V | 4.5 V至20 V | 4.5 V至36 V | 4.5 V至36 V | 5 V至36 V | 5 V至36 V | 5 V至60 V |
VOUT范围 | 1 V至36 V | 0.8 V至16 V | 0.8 V至24 V | 0.8 V至34 V | 1.2 V至36 V | 1.2 V至3 V | 1.2 V至48 V |
IOUT_MAX(降压) | 12 A | 12 A | 10 A | 10 A | 5.4 A | 8.5 A | 5.5 A |
IOUT_MAX(6 VIN转12 VOUT) | 6 A | 5 A | 5 A | 4 A | 1.8 A | 3 A | 1.7 A |
封装尺寸 (mm) | 16 × 16 × 8.34 (BGA) | 15 × 15 × 2.82 (LGA) | 15 × 15 × 2.82 (LGA) | 15 × 11.25 × 3.4 (BGA) | 15 × 15 × 4.92 (BGA) | ||
引脚兼容性 | N/A | 引脚兼容 | N/A | 引脚兼容 | |||
效率 | 最高 | 中等 | 最低 | ||||
LTM4712具有快速逐周期电流模式控制功能,有助于实现可靠的保护和平稳的模式转换。当采用并联配置以支持更高电流的应用时,它有助于实现出色的均流功能。此外,这款新器件支持可选的恒定输出电流模式,可用于电池充电应用,同时还允许冗余输入,从而增强其作为冗余电源的通用性。
表1全面比较了LTM4712、LTM4607系列和LTM8055系列模块。LTM4712因其大电流、高能效比和用户友好型设计脱颖而出,非常适合可接受8.34 mm高度的应用。

图1.ADI四开关降压-升压系列

图2.LTM4607功率级原理图

图3.LTM8055典型应用电路

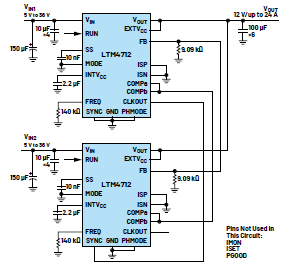
图4.LTM4712典型应用电路
LTM4712带来显著的效率提升和热性能改善
图5比较了LTM4607、LTM8055和最近推出的LTM4712在6 V VIN、12 V VIN、24 V VIN及12 V VOUT条件下的效率。评估使用了可在线订购的标准评估板。根据测试结果,LTM4712在效率方面明显优于其他两款产品,并且电流能力更强。
图6显示了室温条件下无任何强制散热措施时的热性能比较。值得注意的是,在12 V VIN和12 V VOUT条件下,与LTM8055相比,LTM4712在功率翻倍的情况下温度降低了30°C。对于需要12 A电流的应用,如果使用LTM8055,则根据散热系统的不同,可能需要并联两到三个该器件。然而,如果使用LTM4712,那么一个器件就足够了,PCB占用空间大大减少,电路设计也更简单。
表2全面呈现了LTM4712、LTM4607和LTM8055在各种工作条件下的效率和热性能,环境温度为25°C,无强制散热。图7展示了电流密度与解决方案尺寸的关系。所有测试和比较均基于可在线订购的标准演示板进行。

图5.LTM4712、LTM4607和LTM8055之间的效率比较

图6.LTM4712、LTM4607和LTM8055之间的热性能比较,TA = 25°C,无强制散热
表2.效率和热性能比较
工作条件 | 参数 | LTM4712 | LTM4607 | LTM8055 |
6 VIN/12 VOUT(升压) | 最大IOUT (A) | 6 | 5 | 3 |
效率(%)_IMAX | 93.7 | 93.2 | 91.5 | |
温度(°C)_IMAX | 62 | 76 | 80 | |
12 VIN/12 VOUT(降压-升压) | 最大IOUT (A) | 12 | 10 | 6 |
效率(%)_IMAX | 96.4 | 95.9 | 93 | |
温度(°C)_IMAX | 80 | 79 | 125 | |
24 VIN/12 VOUT(降压) | 最大IOUT (A) | 12 | 10 | 6 |
效率(%)_IMAX | 97 | 95 | 93.6 | |
温度(°C)_IMAX | 72 | 93 | 110 |

图7.LTM4712、LTM4607和LTM8055之间的电流密度比较
并联配置下实现良好的均流
LTM4712支持并联配置,通过简单的设置即可实现更高的输出功率。得益于电流模式控制,它具备出色的均流性能。EVAL-LTM4712-A2Z评估套件展示了四个模块并联运行的情况,此时能提供48 A的总输出电流。
当利用该器件实现并联配置时,必须参考评估板的设计和配置。为了实现有效均流,并联模块时需要连接COMP引脚和FB引脚。PHMODE引脚可用于配置相移。在四个模块并联的情况下,PHMODE引脚连接至INTVCC可以产生90°相移,从而实现出色的交错效果。此外,为了实现频率同步,应将第一个模块的CLOCKOUT信号连接到第二个模块的SYNC引脚。
图8展示了无强制散热情况下的热图像,可以看到每个LTM4712的温度相似,表明均流效果良好。图9显示了48 A负载条件下每个器件上的IMON电压。每个IMON引脚的电压平均值约为0.7 V,表明每个通道的负载为12 A。这些测试均在评估板上进行。

图8.4个LTM4712并联,在36 VIN、12 VOUT、TA = 25°C下提供48 A电流,无外加气流

图9.48 A负载下每个LTM4712上的IMON电压
可选恒流调节
LTM4712可用作恒定输出电流源,因此适用于电池充电器或LED驱动器等应用。图10所示的示例电路设计用于提供稳定的10 A负载电流。
负载电流通过ISET引脚和输出端附近的外部输出电流检测电阻来设置。公式VSENSE = IOUT × RSENSE_IOUT定义了代表平均输出电流的电压。最大VSENSE由ISET引脚上的电压决定,范围为0.2 V至1.2 V,线性对应0 mV至50 mV。ISET引脚电压VISET由一个15 μA内部电流源和一个连接在ISET引脚与地之间的电阻RISET决定,表示为VISET = 15 μA × RISET。因此,输出电流计算公式为:IOUT = (VISET - 0.2 V)/(20 × RSENSE_IOUT)。根据该公式,基于5 mΩ RSENSE_IOUT的输出电流随不同VISET的变化如图11中的蓝色曲线所示。图11中的紫色曲线为工作台测试结果。可以看到,测量结果与理想曲线高度吻合,表明恒流调节精度出色。
需要注意的是,当ISET引脚浮空时,或当ISET引脚电压超过1.2 V时,内部电路会将最大VSENSE限制为50 mV。由于输出中存在纹波电流,必须在ISP和ISN引脚上使用RC滤波器,以实现准确的平均电流检测。此外,在选择FB引脚和地之间的反馈电阻时,应确保其产生的输出电压高于目标VOUT。

图10.10 A恒定负载电流的示例电路

图11.基于5 mΩ RSENSE_IOUT,不同VISET下恒定输出电流调节的工作台测试
冗余电源
LTM4712适用于需要冗余输入的应用。它可用于需要备用电源的系统,或是那些从不同输入源获取电源以支持公共负载的系统。图12显示了一个示例电路,其中的两个模块由不同输入(VIN1和VIN2)供电,共同为24 A负载提供12 V输出。值得注意的是,任一输入电压下降都不会影响输出调节,而且通过连接COMP引脚,峰值电感均流作用始终有效。
图13显示了两种不同条件下的工作台测试波形。图13a展示了相位1和相位2都在降压-升压模式下运行的情况。最初,相位1提供4 A负载电流,在相位2激活后,二者逐渐各自分担一半的负载电流。IMON波形显示,当两个相位都在运行时,两个相位平等分担负载电流。
图13b展示了相同负载条件但输入不同的情况。这里,相位1以升压模式运行,而相位2以降压模式运行。由于COMP引脚连接在一起,两个相位的峰值电感电流相同。因此,相位1(升压)的输出电流低于相位2(降压)的输出电流。每个相位提供的具体负载电流可以根据电感、开关频率、VIN、VOUT和总负载电流等参数计算得出。在此示例中,相位1提供1.4 A负载电流,而相位2提供2.6 A负载电流。
设计和仿真工具
为了进一步简化用户的设计工作,LTM4712得到了LTpowerCAD®工具和LTspice®软件的支持:前者用于优化电源元件、效率、环路补偿和负载瞬态,后者用于执行时域动态仿真。

图12.输入冗余应用电路

图13.输入冗余应用电路
结论
LTM4712是一款性能突出的全集成式降压-升压型µModule稳压器,以出色的效率、高功率密度和良好的热性能著称。它在并联配置中表现出良好的均流能力,多个器件可以轻松并联以支持更高功率的应用。该器件可以灵活配置为恒定电流输出,因此非常适合电池充电系统或LED应用。此外,它还支持冗余输入,从而进一步提高了其适应性。
若要全面了解如何正确使用该器件,建议参考数据手册和相关的评估套件设计。这些资源提供了宝贵的见解和技术规范,对于用户在不同应用中优化性能至关重要。
作者简介
Ling Jiang于2018年毕业于田纳西大学诺克斯维尔分校,获电气工程博士学位。毕业后,她加入了ADI公司电源产品部,工作地点位于美国加利福尼亚湾区。她目前是一名高级产品应用经理,负责支持针对多市场应用的μModule®产品。
Wesley Ballar是多市场应用部门的高级产品应用工程师,主要负责µModule®产品支持工作。自2016年加入ADI公司以来,他在不同岗位上为µModule团队提供支持。Wesley于2015年毕业于加州州立理工大学,获电气工程学士学位。
Anjan Panigrahy于2023年毕业于德克萨斯大学奥斯汀分校,获电气与计算机工程学位,主修电力电子学。他现担任ADI公司多市场应用部门的产品应用工程师,从事μModule®稳压器支持工作。
Henry Zhang是ADI公司技术研究员兼高级产品应用总监。他于1994年获得中国浙江大学颁发的电子工程学士学位,分别于1998年和2001年获得弗吉尼亚理工学院暨州立大学(黑堡)颁发的电子工程硕士学位和博士学位。他于2001年加入凌力尔特(现在已成为ADI的一部分)。