
产品概述
锁存器是数字逻辑电路中用于暂存数据的关键组件,广泛应用于微处理器接口和数据传输系统中。
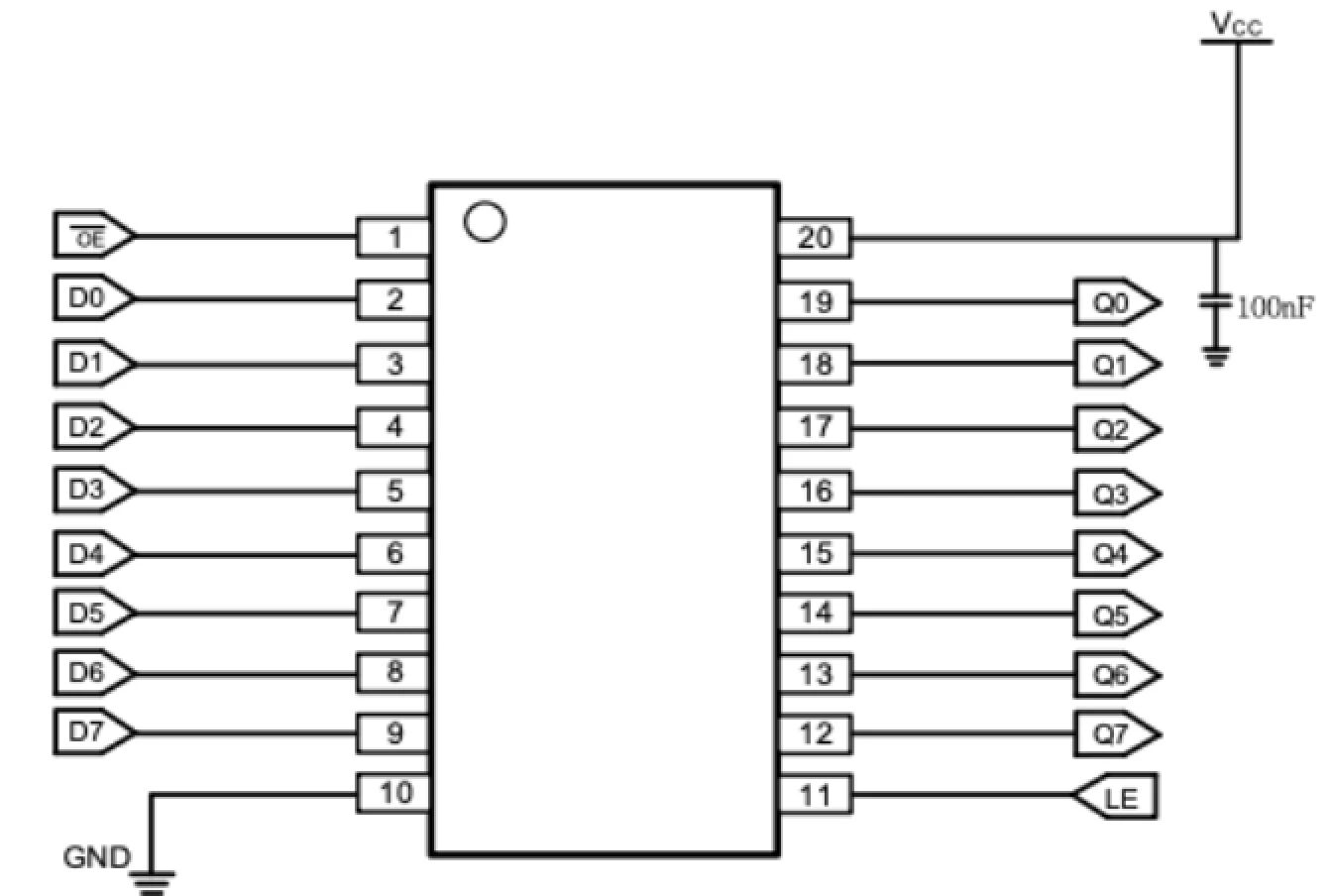
力芯微推出的 ET74HC573V 是一款高性能的8位D型透明锁存器,具备三态输出功能。该器件设计有锁存使能(LE)和输出使能(OE)输入端。当 LE 为高电平时,锁存器处于透明状态,输出随输入变化;当 LE 为低电平时,数据被锁定。此外,OE 引脚可控制输出处于高阻态,使其特别适合总线导向的应用。
ET74HC573V 采用先进的 CMOS 工艺,支持 2.0V 至 6.0V 的宽工作电压范围,具有低功耗和高噪声抗扰度的特点。其独特的引脚排列设计——输入和输出位于封装的相对两侧,极大地简化了 PCB 布线,便于与微处理器进行接口连接。
产品特性
宽工作电压范围:2.0 V 至 6.0 V
CMOS 低功耗设计
高噪声抗扰度
三态非反转输出:专为总线导向应用设计
高可靠性:
- 闩锁(Latch-up)性能超过 100 mA (JESD 78 Class II Level B)
- ESD 性能:HBM > 2000V, CDM > 1000V
宽工作温度范围:-40 °C 至 +125 °C
管脚定义

ET74HC573V TSSOP20
典型应用

功能框图

来源:力芯微电子