
支持0~4V宽压输入的同时,能够保持1Gohm的高阻输入,可显著提升电压采样的精度与抗干扰能力
纳芯微今日宣布正式推出全新一代隔离电压采样芯片NSI1611系列。作为纳芯微经典产品NSI1311系列的全面升级,NSI1611系列基于其领先的电容隔离技术,在性能与适配性上实现双重突破。其核心创新在于支持0~4V宽压输入的同时,能够保持1Gohm的高阻输入,可显著提升电压采样的精度与抗干扰能力;同时部分料号亦兼容传统0~2V输入,为客户提供更灵活的器件选择。
NSI1611系列包含差分输出的NSI1611D和单端输出的NSI1611S。其中,差分输出均为固定增益,单端输出则提供固定增益和可调比例增益两类选项,进一步满足不同系统架构与设计需求。

在新能源汽车与工业自动化领域,对高压系统采样提出了“高精度、高灵活度”的严苛要求,隔离电压采样芯片的性能迭代与场景适配能力已成为行业竞争关键。全新NSI1611系列通过创新的宽压+高阻输入与灵活输出配置两大特点,能够同时支持新项目设计与存量平台升级,为新能源汽车主驱逆变器、车载充电机(OBC)等汽车应用,以及伺服、变频器、电机驱动等工业应用带来更优的器件选择。
创新宽压+高阻输入,精度抗扰双重提升
以新能源汽车主驱系统为例,随着其母线电压进一步提升至800V,以及SiC/GaN器件的应用,控制系统对电压采样的精度及抗干扰能力有了更高的要求。市面上多数隔离电压采样芯片的输入范围为0~2V,而NSI1611创新性地在保持1Gohm高阻输入的同时,将其拓展至0~4V,突破前代及行业同类产品的输入范围限制,带来精度和抗干扰的双重升级,在适配更高母线电压的同时,降低了设计复杂度和开发周期。
抗干扰能力增强:NSI1611采用宽压输入时,参考地的噪声对输入信号的干扰比例直接减半。结合NSI1611内部的电路优化,其芯片EOS能力大幅提升,且EMI可通过CISPR 25 Class 5等级测试,CMTI高达150kV/μs。在新能源汽车主驱、工业变频器等高开关频率的复杂电磁环境中,宽压输入能够保证采样信号更纯净,大大提升了系统运行的稳定性,降低终端应用的失效风险。
采样精度再升级:0~4V的宽压输入范围可扩大分压比,结合优化的信号调理设计,在保持高阻输入的同时显著降低输入误差,让测量数据更接近真实电压值,为系统的精准控制提供可靠数据;在采样误差测试中,相比前代产品NSI1311系列,NSI1611系列凭借更宽的输入范围在系统的低压区域取得了较大的精度优势,在满量程800V母线电压系统中,当输入电压100V时,NSI1611的采样误差相比NSI 1311降低超30%,误差低于1.2%。

NSI1611和NSI1311的采样误差随输入电压变化曲线
单端/差分输出灵活选择,简化设计更高效
凭借深刻的系统级理解,NSI1611系列基于前代产品的应用痛点,全新加入单端输出版本,并且提供“固定增益/比例增益”双版本选择,适配多元化的系统配置需求,可帮助客户简化选型和设计:
简化设计、降低BOM成本:NSI1611的单端输出信号可直接接入MCU的ADC接口,彻底省去了传统差分输出方案所必需的后级运放及调理电路,不仅直接降低了BOM成本,还简化了PCB布局与器件选型复杂度,为紧凑型和高功率密度应用提供了更优的解决方案。
增益自适应适配多元需求:比例增益版本(NSI1611S33/NSI1611S50)可通过REFIN引脚进行配置,使输出增益匹配后端ADC的满量程输入范围,最大化利用ADC的动态范围,提升了整体信号链的有效位数与采样精度,进一步满足多元化的高精度测量需求。

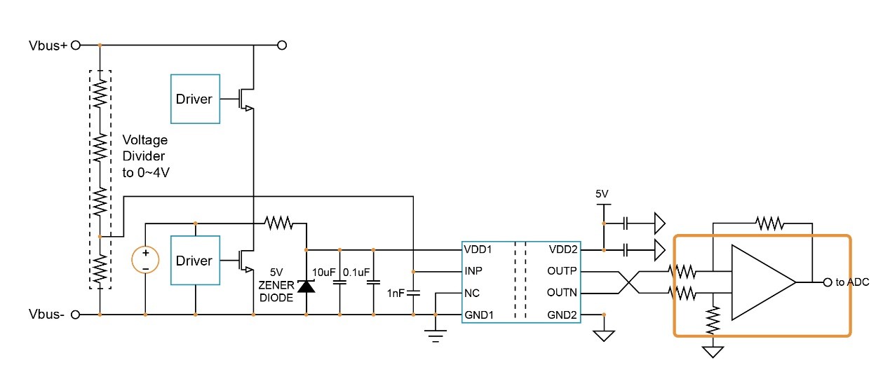
单端输出隔离电压采样应用电路图(无需后级运放)

差分输出隔离电压采样应用电路图(橙框内为运放)
同时,NSI1611系列亦保留差分输出版本NSI1611D02,与纳芯微NSI1311完全引脚兼容,客户无需修改PCB即可实现无缝升级或跨品牌替换,显著降低迁移成本。
多项参数优化,性能全面升级
随着系统功率密度的提升,对器件耐压能力、采样精度、EMI性能等提出了更高的要求。NSI1611针对相关关键参数进行了优化,在全面升级器件可靠性和性能的同时,亦优化了器件成本,为客户提供“性能-成本-可靠性”兼得的选择。
车规级可靠性保障:NSI1611系列的车规版本满足AEC-Q100 Grade 1要求,工作温度覆盖-40℃~125℃,隔离耐压高达5700Vrms,最大浪涌隔离耐压Viosm达10kV,适配汽车高温高压严苛环境,可在极端场景下确保隔离的可靠性。
精度参数全面进阶:NSI1611系列的输入偏置电压Vos(Offset Voltage)指标优化至±0.8mV,相较于前代NSI1311同规格产品的±1.5mV,精度表现实现巨大提升;此外,增益温漂(Gain Drift)从前代的45ppm/℃优化至40ppm/℃,全温区精度稳定性进一步提升;非线性误差、温漂(Offset Drift)维持在行业优异水平,有效加快了系统开发的标定流程;同时,NSI1611系列的采样带宽达到330kHz,适配SiC和GaN等新一代高频开关器件控制,满足高动态响应需求。
功耗优化更节能:相比前代产品,NSI1611系列功耗表现进一步优化,助力终端产品降低能耗。对比前代,NSI1611的Idd1由11.4mA降低至7.2mA,Idd2由6.3mA降低至4.7mA(均为典型值Typ.),NSI1611系列的整体综合功耗下降约33%,可助力客户打造更节能的汽车电子系统,提高新能源汽车的续航里程。
EMI表现更优异:NSI1611基于时钟信号隔离通道复用技术,大幅优化了EMI表现。在200MHz到1000MHz频段的EMI测试中,NSI1611的辐射发射(RE)指标在水平方向和垂直方向均保持10dB以上裕度(3dB~6dB裕度即可满足工程需求),可轻松通过CISPR 25 Class 5认证,面对汽车主驱、OBC等复杂电磁环境,可以减小对系统其他部件的电磁干扰,有效减少系统电磁兼容整改工作量,加快产品上市进度。
|
|
NSI1611 辐射发射(RE)实测图 (CISPR 25 Class 5 3m 垂直方向) | NSI1611辐射发射(RE)实测图 (CISPR 25 Class 5 3m 水平方向) |
封装和选型

NSI1611系列选型表
丰富的“隔离+”产品,满足多元化应用需求
凭借在隔离技术方面的积累和领先优势,纳芯微提供涵盖数字隔离器、隔离采样、隔离接口、隔离电源、隔离驱动等一系列 “隔离+”产品。纳芯微正以全生态“隔离+”产品矩阵,为高压系统筑造安全可靠的防线:
“+”代表增强安全:纳芯微“隔离+”产品提供超越基本隔离标准的安全等级,为客户系统构筑更坚固的高低压安全边界。
“+”代表全产品生态:纳芯微以成熟的电容隔离技术IP为核心,拓展出包括数字隔离器、隔离采样、隔离接口、隔离电源、隔离驱动等完整产品组合,为客户提供隔离器件的一站式解决方案。
“+”代表深度赋能应用:纳芯微“隔离+”产品可满足电动汽车高压平台、大功率光储充系统,以及高集成、高效率AI服务器电源等场景的核心需求,实现系统级安全、可靠与高效。
全新推出的NSI1611系列隔离电压采样芯片将于2026年1月全面量产,进一步咨询NSI1611系列及“隔离+”产品,可邮件sales@novosns.com;更多产品信息、技术资料敬请访问www.novosns.com。
关于纳芯微
纳芯微电子(简称纳芯微,科创板股票代码:688052;香港联交所股票代码:02676.HK)是高性能高可靠性模拟及混合信号芯片公司。自2013年成立以来,公司聚焦传感器、信号链、电源管理三大方向,为汽车、工业、信息通讯及消费电子等领域提供丰富的半导体产品及解决方案。
纳芯微以『“感知”“驱动”未来,共建绿色、智能、互联互通的“芯”世界』为使命,致力于为数字世界和现实世界的连接提供芯片级解决方案。
了解详情,请访问公司官网:www.novosns.com

