

现代电子产品的集成度越来越高,功能愈发丰富。为了持续提升产品的功能可靠性和使用寿命,通常需要同时解决电磁干扰(EMI),静电放电(ESD)和浪涌冲击(8/20us Surge)。
USB、HDMI等有线高速接口通常会因布线失配(Skew)等因素,在工作时产生大量的共模噪声,并向周围环境辐射。这会对附近的无线传输模块如WiFi,蓝牙,5G通信等造成强烈的电磁干扰,如天线降敏(antenna desense)。因此,针对USB和HDMI进行共模噪声滤波,是非常有必要的。
静电放电无处不在,常发生于电子产品的各个接口处,造成电路功能异常甚至永久性损坏。在这其中,USB&HDMI等高速接口由于采用先进的纳米级集成电路工艺制程,静电耐受能力较低,因此必须进行额外的静电防护。此外,热插拔等功能还易在信号链路中引起浪涌冲击,也需要相应地进行防护。

为解决上述的EMI&ESD&Surge防护问题,传统方案至少要选用一颗EMI物料(如磁珠)和一颗TVS物料,这在高度集成化的现代电子产品中,会占据较大的PCB板级空间,并增加了供应商管理的压力。
晶扬电子近日推出了国内首款自主研发的IPD滤波器——TFC0501M,将上述EMI&ESD&Surge解决方案集于一身。该产品拥有自主知识产权,旨在为各类电子设备提供更全面、高效的防护和滤波解决方案,目前已开始支持批量出货。
产品优势
01 集成化封装设计
采用先进的晶圆级封装工艺(CSP),将TVS与共模滤波电感集成在一起,具有超小的封装尺寸(CSP-5-1208:1.2mm × 0.8mm × 0.6mm) ,减少了电路板上的元件数量和空间占用,有助于实现电子产品的小型化和轻薄化,同时,产品的性能可靠度也得到很大提升。
该产品与安世半导体(Nexperia)的PCMFXHDMI2S和PCMFxUSB30系列产品Pin-to-Pin完全兼容,可直接互换使用。

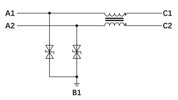
* TFC0501M电路图

* TFC0501M引脚示意图
02 卓越的防护性能
集成的TVS能够快速响应静电放电事件,将瞬态静电电压钳位在安全水平(8/20μs波形测试下,5.5V@6.5A),具有较高的ESD耐受能力(能承受IEC 61000-4-2测试的15kV接触放电和15kV空气放电的冲击),有效防止静电对电路造成的损坏。该性能与竞品性能相当。

* 8/20μs波形测试结果
03 高效的共模滤波功能
能够有效地抑制共模干扰信号(f=2GHz,SCC21=-17db;f=3GHz,SCC21=-22db;fr=2.3GHz),降低电磁干扰。

* TFC0501M的SCC21测试结果(左)和竞品PCMF1HDMI2S测试对比(右)
04 高差分带宽
在高频率范围内可保持较高的差分信号传输质量(对于SDD21,f-3db=7.6GHz;竞品的f-3db仅为6GHz)。且寄生电容低至0.25pF(VR=0V,f=1MHz),对高速信号的传输影响较小,有助于维持信号的完整性。

* TFC0501M的SDD21测试结果(左)和竞品PCMF1HDMI2S测试对比(右)
05 精确的差模阻抗
TDR测试显示TFC0501M差分阻抗特性良好(ZDIFF=90Ω),更符合USB电路设计中对差分阻抗的要求。而竞品更兼容HDMI的电路设计。

* TFC0501M的TDR测试结果(左)和竞品PCMF1HDMI2S测试对比(右)
TFC0501M应用于USB 3.X的电路设计方案

#眼图测试结果#

TFC0501M应用于HDMI的电路设计方案

#眼图测试结果#

来源:晶扬电子