
作者:Frank Zhang,应用工程师
摘要
一般而言,主动均衡算法的设计取决于所支持的硬件架构。因此,在简化均衡硬件设计的同时降低算法设计的复杂度,仍然是一个必须解决的关键挑战。本文将深入剖析电池管理系统(BMS)高效主动均衡设计背后的算法。需要注意的是,由于均衡算法与硬件架构通常深度集成且需协同优化,本文所讨论的算法主要针对本系列文章中介绍的架构。即便如此,文中提出的诸多设计原则、权衡考量及实现思路,仍可为工程师开发其他主动均衡架构的均衡算法提供灵感。
引言
在本系列文章的前几部分中,讨论重点主要集中在如何选择合适的集成电路(IC)与元器件,以构建主动均衡电路或架构。由于均衡算法在主动均衡系统中举足轻重,因此有必要对其进行深入探讨。
因此,本文旨在尝试开发一种专门针对本系列所介绍的均衡架构的算法。目标是提供一套高效、简洁且易于部署和评估的主动均衡算法参考设计,帮助工程师及从业者快速实现、测试,并直接观察ADI解决方案在电池包中的实际均衡性能。
话虽如此,有一点值得反复强调:尽管本文所提出的均衡算法强调简洁性与高效性,但在实际应用中,不存在任何一种单一算法能一劳永逸地应对所有电芯不一致场景。任何均衡策略在投入实际电池系统使用前,都必须经过全面的评估与验证。
主动均衡图形用户界面软件
基于本系列之前文章中介绍的主动均衡概念,主动均衡系统的控制代码主要部署在两个位置:嵌入式微控制器(MCU)和基于个人电脑(PC)的主动均衡图形用户界面(GUI)。MCU的作用与功能已在之前的文章中讨论过,本部分将重点介绍PC端评估软件,即主动均衡GUI。
图1和图2展示了本设计架构中所用GUI界面的截图。为避免视觉混乱,仅对功能不直观的部分进行了标注,以确保清晰明了。
该GUI既是MCU与电脑之间的通信桥梁,也提供实时数据可视化功能,可显示电芯电压、指示每个电芯的均衡状态,并捕获和记录系统故障或异常运行情况。最重要的是,该GUI集成了自动化主动均衡算法,因而不仅是一款监控工具,更是执行均衡过程的关键驱动程序。

图1.主动均衡GUI:显示电芯电压、均衡状态和错误警报的图形界面。

图2.主动均衡GUI:调试期间用于监控MCU与GUI数据交互的日志窗口。
主动均衡算法下的性能表现
本设计架构支持主动均衡过程的两种控制模式:手动均衡控制和全自动算法控制。
1.手动均衡控制
在手动模式下,用户可直接发送指令,对单个电芯进行充电、放电或禁用均衡操作。该模式适用于诊断测试,或针对特定电芯执行定向均衡干预与微调。
2.自动化主动均衡算法
在自动模式下,操作流程经过简化以提升易用性:将电池包连接至系统、启动GUI软件、建立与MCU的串行通信,然后点击AUTO_ENABLE按钮。此后,系统将自动使所有16个电芯达到相同电压水平,无需用户进一步干预。
图3至图5展示了在启用自动化均衡功能的情况下,三种不同运行状态(充电、放电、空闲)下电芯电压的收敛过程。测试所用的电池包中包含16个镍锰钴(NMC)锂离子电芯,每个电芯的额定容量为40 Ah。
•充电状态:使用最大电流为10 A的充电器为电池包充电,电芯电压从约3.65 V升至接近4.1 V。
•放电状态:将电池组连接至10 Ω的大功率电阻负载,电芯电压从约3.85 V降至约3.65 V。
•空闲状态:电池包处于空闲状态,未连接充电器或负载。
在所有这三种情况下,测试开始时均有意使电芯电压处于不均衡状态,以更好地展示主动均衡电路的收敛效果。当所有电芯的电压偏差收敛到阈值范围内(定义为与平均电压的差值在±3 mV以内)时,自动均衡停止条件被触发,实验随即终止。
如图3至图5所示,启用自动化算法后,16个电芯的电压收敛到了较窄的容差范围内。由此证明,所提出的架构与算法不仅在空闲状态下,在充电和放电阶段均能实现稳定且有效的均衡。

图3.电池包以最大电流10 A充电,启用自动化主动均衡算法。

图4.电池包通过10 Ω大功率电阻放电,启用自动化主动均衡算法。

图5.电池包处于空闲状态,启用自动化主动均衡算法。
自动化均衡算法的执行逻辑
自动化均衡算法以循环、顺序的方式运行:依次对16个电芯进行均衡,之后重复该过程。它不会尝试在一次循环中完全平衡单个电芯,而是采用轮询策略,执行多次短时间的均衡周期。这种方式可避免单个电芯的均衡停留时间过长,因为停留过长会降低整体均衡效率,还可能影响电池包安全性。持续聚焦单个电芯的均衡,还可能导致其他长时间空闲的电芯面临过充或过放风险。通过在所有电芯间分配均衡任务,电芯电压偏差能高效收敛至预设的停止阈值。
算法根据电芯分组,采用两种互补的均衡方法:
1. 缓冲区均衡(2-9号电芯)——相对均衡
•计算缓冲区组(2-9号电芯)的平均电压,记为Avg(2-9)。
•每个缓冲区电芯(2-9号)均以Avg(2-9)为基准进行均衡,而非以电池包整体平均电压(AvgALL)为基准。
2. 独立电芯均衡(1号、10-16号电芯)——绝对均衡
•计算全部16个电芯的电池包整体平均电压,记为AvgALL。
•每个独立电芯(1号、10-16号)均以AvgALL为基准进行均衡,向该电压值靠拢。
无论是缓冲区电芯还是独立电芯,其均衡方向(充电或放电)与均衡时长,均由各个电芯电压偏差的正负符号和偏差幅度决定。尽管均衡时长大致与偏差幅度成正比,但不会出现单个电芯主导整个均衡过程的情况。算法通过短时间、迭代式的循环遍历所有电芯,确保电压偏差快速、稳定地收敛。
均衡过程的最终目标是让电池包内所有电芯的电压尽可能接近AvgALL。将算法划分为“缓冲区组相对均衡”与“独立电芯绝对均衡”,原因是为了提升效率:如果缓冲区电芯直接以AvgALL为基准均衡,它们在作为其他电芯的能量储备库时,会反复经历充放电循环,导致均衡收敛效率低下。通过相对均衡,先让缓冲区电芯电压与Avg(2-9)对齐,再以缓冲区整体为独立电芯充放电,系统能实现更快的整体收敛。在一个完整均衡周期结束时,Avg(2-9)与AvgALL可能并非完全一致,但会非常接近,从而确保整个电池包达到良好的均衡状态。
为进一步提升效率与可靠性,倘若某一电芯的电压偏差已在容差范围内,或检测到异常情况,算法会跳过这一电芯,继续处理下一个符合条件的电芯。
架构设计原理与基于缓冲区的均衡机制
细心的读者或许会发现,上述均衡策略与理想的全双向电芯间均衡拓扑存在差异。原因一目了然:若不引入极高的架构复杂度,要在电池包内任意两个电芯之间实现真正的直接双向能量传输,在实际应用中并不可行。
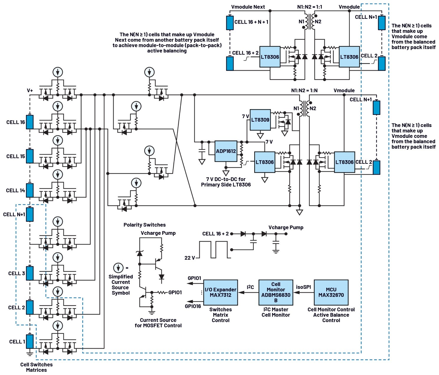
为解决这一难题,该算法借助中间充电缓冲区实现间接均衡。具体而言,电池包内n个相邻的电芯被指定为缓冲区。这一配置在均衡架构图(图6)中也有体现,图中缓冲区被描绘为由这n个连续电芯组成的模块。
传统设计依赖独立的外部电源(如大容量12 V或24 V电池)作为缓冲区,而本架构则完全利用电池包内部已存储的能量运行。这种方式不仅提高了系统整体效率,还降低了软硬件的设计复杂度。
本架构与算法中的均衡过程通过两步式能量传输实现。
1. 电芯到缓冲区放电:将过充电芯的能量转移至缓冲区电芯中。
2. 缓冲区到电池充电:而后将缓冲区的能量重新分配给欠充电芯。
这种两步式流程,在功能上等效于实现了双向电芯间均衡,同时避开了直接一对一传输拓扑的工程复杂度。这种拓扑虽被视为理想的均衡形式,但因其电路复杂度高、成本高,在大型电池包中往往难以落地。在这种方法中,当某个电芯需要充电时,所需能量会从缓冲区电芯中统一获取;反之,当某个电芯需要放电时,其多余能量会被均匀重新分配回缓冲区电芯。

图6.基于LT8306、LT8309、ADP1612、MAX7312、ADBMS6830和MAX32670的主动均衡电路架构图。
临时暂停和重新激活自动均衡的条件
当2到9号电芯相对Avg(2-9)的电压偏差降至设定阈值(例如±3 mV)以下,且1号、10到16号电芯相对AvgALL的电压偏差也处于同一阈值内时,自动化均衡过程会临时暂停。此时,Avg(2-9)与AvgALL可能并非完全一致,但会十分接近。满足这些条件后,算法将转入待机状态,等待下一次均衡触发。
自动化均衡算法在激活状态下,会持续轮询电池系统,判断是否需要启动均衡。触发条件可由用户配置,默认触发逻辑为:当16个电芯中最高电芯电压与最低电芯电压的差值超过10 mV时,启动均衡。
算法激活后,会持续运行直至满足暂停条件,随后停止并等待下一次触发事件。如前所述,暂停条件保持不变,此处不再赘述。
为避免均衡过程过度循环及不必要的能量损耗,在触发阈值(10 mV)与暂停阈值(±3 mV)之间设置了“滞回带”。这可确保仅当电芯出现显著电压偏差时,均衡才会重新激活,从而同时提升系统效率与使用寿命。
特殊注意事项
由于电芯电压采样线束与主动均衡线束共用同一布线,且受本系列之前文章提及的线路电阻(Rroute)及大均衡电流的共同影响,主动均衡过程中会出现电压降。如图7至10所示,该电压降会影响电芯电压测量的准确性。因此,必须定期暂停主动均衡,以获取准确的电压读数。
•如果暂停过于频繁,会降低均衡效率。
•如果暂停间隔过长,可能导致过度均衡。
在本架构中,算法会根据观测到的电压偏差估算所需均衡时长,例如每5 mV偏差对应约1分钟均衡时间。达到计算出的时长后,均衡会自动暂停以进行准确的电压测量,随后算法将决定下一步操作。
这种自适应时序策略相比固定间隔方式提升了效率,但它依赖于“充放电电流接近恒定”这一前提。在本设计中,电流稳定性通过直接从电池包获取缓冲区电压而非依赖外部电源来实现,即便电芯电压在3.0 V至4.2 V之间变化,也能确保电流接近恒定。
尽管组合使用采样线束与均衡线束会在均衡期间引入测量误差,但也带来了显著优势:
•减少线束数量,简化布线,节省印刷电路板(PCB)空间。
•均衡期间观测到的电压降可作为运行状态指示器,帮助确认主动均衡电路是否正常工作。

图7.主动均衡功能未激活时,电芯电压测量值保持稳定。

图8.主动均衡运行期间,为特定电芯充电时对电压测量的影响。

图9.主动均衡运行期间,为特定电芯放电时对电压测量的影响。

图10.主动均衡运行期间,均衡电流对电芯电压测量的影响:左侧为电芯充电,右侧为电芯放电。
结语
至此,本系列关于主动均衡的文章已画上圆满句号。显然,即便我们力求详尽阐述,要在有限篇幅内将这类系统性设计的所有细节囊括无遗,仍是不小的挑战。许多错综复杂的设计要素,尤其是本主动均衡方案中涉及的完整软件编程内容,终究无法在此一一铺陈。
本系列文章的核心目标,在于点燃对电池主动均衡技术感兴趣的工程师及电子爱好者的探索热情与创新灵感。我们诚挚鼓励读者,或是直接采纳文中介绍的设计方案,或是以此为基石进一步深耕拓展,通过持续创新,打造出兼具简洁性与高效性的主动均衡解决方案。
# # #
作者简介
Frank Zhang是ADI公司中国技术支持中心的应用工程师。他的专业领域是电池管理系统(BMS)、精密信号链和嵌入式软件开发。他于2022年获得福州大学电子工程硕士学位,同年加入ADI公司。