
CC622XX系列是低电压超低功耗,具有高灵敏度磁场检测的霍尔开关传感器。该系列芯片可以提供多种磁场阈值、开关工作频率和封装形式以适配各种应用。专为空间紧凑系统和电池电量敏感系统而设计,特别适用于使用电池电源的便携式电子产品,如行动电话、无绳电话、笔记型电脑、PDA等。
内部功能包括:①内置霍尔传感器、②动态失调消除电路、③温度补偿电路,时钟逻辑电路等,保证芯片稳定的工作点和开关频率。芯片可以以极低的电流消耗,提供稳定的磁场响应。

产品优势与主要特性
宽工作电压范围:1.3 ~ 5.5V
微功耗
5Hz 全极型版本:0.23uA@1.5V
160Hz 全极型版本:2.7uA@1.5V
磁场阈值可选(BOP):
40Gs
30Gs
良好的温度稳定性
工作温度范围:-40 ~ 85°C
ESD (HBM) 8kV,ESD (CDM) 1kV,LU 200mA
SOT23-3和TO-92S小尺寸封装
应用场景
仪器仪表,智能三表
PDA
笔记本电脑、平板电脑
智能手机
家用电器,
非接触式检测,血氧仪

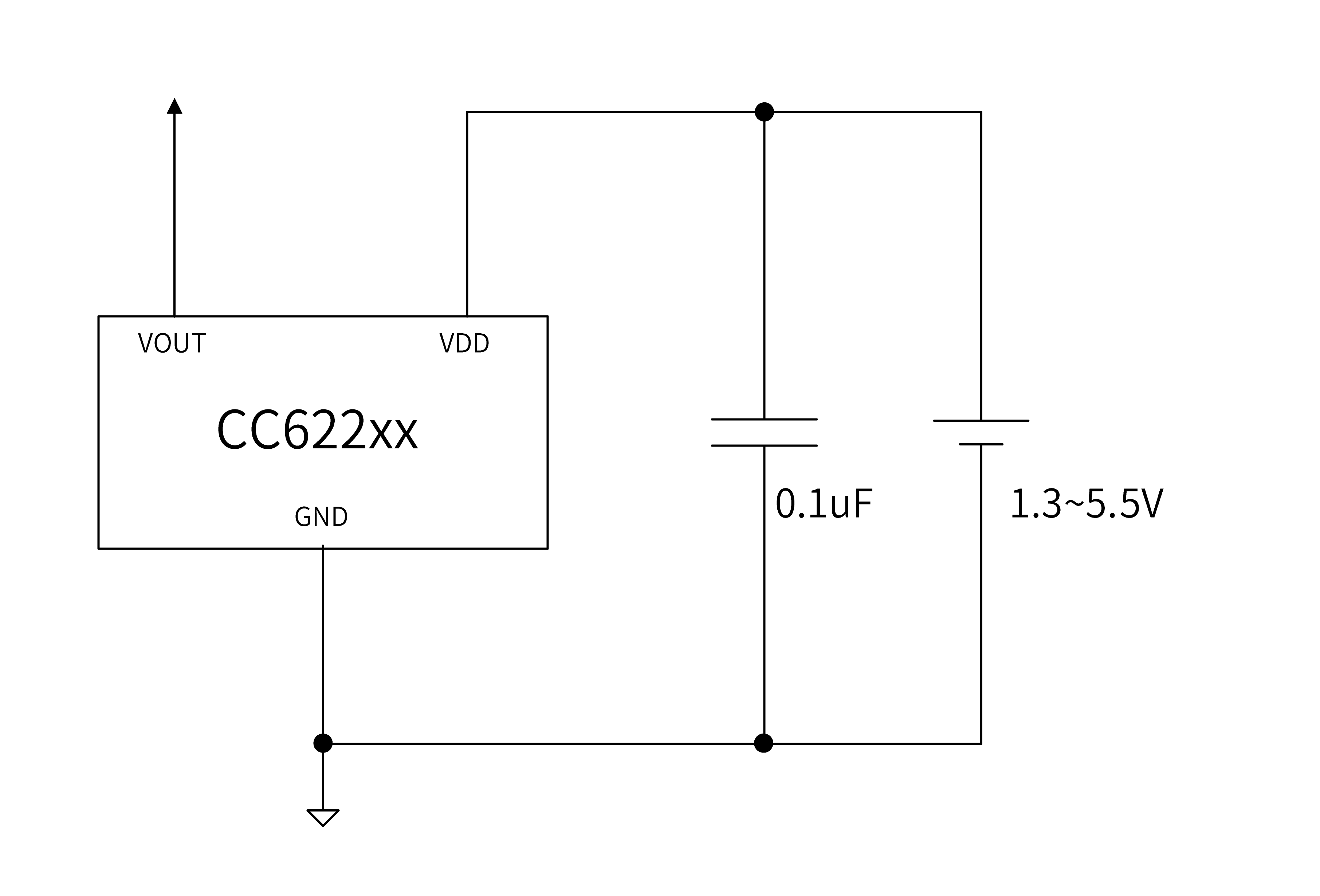
典型应用电路
实测数据
1、具有良好的温度稳定性

B vs TA (CC62201) 2、宽工作电压范围:1.3 ~ 5.5V B vs VDD (CC62201) 3、超低功耗,1.5V电压下消耗电流仅230nA IDD(AVG) vs TA

超低功耗霍尔开关选型表

来源:芯进电子