
在追求更高效率、更高功率密度的电力电子系统中,栅极驱动器的性能至关重要。川土微电子全新推出 CA-IS3214 系列——一款基于先进电容隔离技术的单通道栅极驱动器。它集10A峰值驱动能力、超强隔离耐压与卓越的动态特性于一身,专为驱动SiC MOSFET、IGBT等先进功率器件而优化,旨在为您的电机驱动、新能源及工业电源应用提供高可靠性、高集成度的解决方案。
01产品概述
CA-IS3214 是一系列基于电容隔离的单通道栅极驱动器,可用于驱动MOSFET、IGBT、SiC MOSFET等功率器件。该驱动器具有出色的动态性能和高可靠性,同时具有高达10A/10A 峰值的拉/灌电流能力。
CA-IS3214通过 SiO2 电容隔离技术实现控制侧与驱动侧的电气隔离,支持1.5kVRMS的隔离工作电压、12.8 kVPK 浪涌抗扰度,额定工作电压下隔离栅寿命超过 40年,同时具有良好的器件一致性以及>150kV/μs 的共模瞬态抗扰度 (CMTI)。
CA-IS3214具有控制和驱动侧电源UVLO功能,同时针对SiC和IGBT开关行为进行了优化,并提高了可靠性。此外,CA-IS3214MxG内置5A峰值电流有源米勒钳位;CA-IS3214SxG和CA-IS3214TSCG具有OUTH和OUTL分离输出配置。
CA-IS3214输入IN+/IN–提供CMOS或者TTL逻辑选项,其中CA-IS3214TSCG为TTL逻辑,其它料号为CMOS逻辑。
CA-IS3214单通道增强隔离栅极驱动器选型表
02特性
驱动高达 2121VPK的 SiC MOSFET 和 IGBT
10A/10A 峰值拉/灌驱动电流能力
输入CMOS或者TTL(CA-IS3214TSCG)逻辑
宽电源范围:
• 3.0V 至 5.5V 输入侧 VCC 电源范围
• 高达 33V 的输出驱动电源(VDD – VEE),具有两种UVLO 选项:B版本:8V;C版本:12V
输入引脚上40ns(典型值)脉冲抑制功能
延时特性:
• 80ns(典型值)传播延迟
• 15ns(最大值)脉宽失真
• 15ns(最大值)器件间延时匹配
SOIC8-WB 封装,爬电距离和电气间隙>8mm,5700VRMS隔离耐压等级
高共模瞬态抗扰度:>150kV/μs
额定工作电压下隔离栅寿命大于40年
工作结温(TJ)范围 :–40°C至 150°C
03 典型应用场景
电机逆变器
新能源车载充电器
光伏逆变器
储能变流器
充电桩功率模块
伺服驱动器
变频器
UPS及工业电源等
CA-IS3214MxxG典型应用
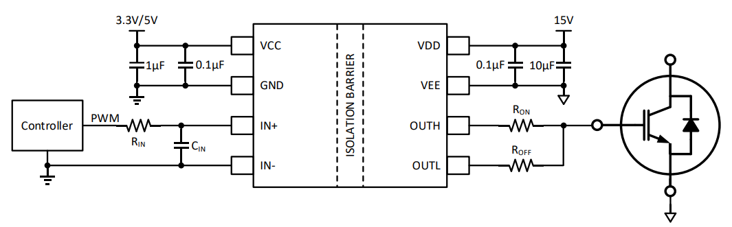
CA-IS3214SxG和CA-IS3214TSCG 典型应用
CA-IS3214系列隔离栅极驱动器,是川土微电子深耕电力电子领域、面向下一代高效功率转换系统精心打造的重要产品。该系列不仅具备强大的驱动性能与坚固的电气隔离能力,更以多样化的功能配置,为设计工程师带来更灵活的选型空间与系统可靠性。
在隔离栅极驱动器产品线中,川土微电子致力于为客户提供丰富的隔离栅极驱动器产品解决方案。以单通道隔离驱动为例:
电流输入型(光耦兼容)包括CA-IS3211X及新一代CA-IS3211CX系列,实现性能升级与平滑迭代;
电压输入型则涵盖CA-IS3212X、CA-IS3213X与CA-IS3214X三大系列,输出峰值电流覆盖4A至15A,适配不同功率等级系统,并提供多种封装与功能组合,长期工作隔离耐压等级从最低400VRMS覆盖到最高2000VRMS,充分满足客户多样化的应用需求和复杂的应用场景。
目前,这些产品已在工业自动化与电源能源等领域获得广泛应用,并历经充分的市场验证,性能稳定可靠。
未来,川土微电子将继续围绕客户实际应用,深度融合“隔离+驱动”技术优势,进一步拓展隔离栅极驱动器产品组合,坚持通用化与差异化并行,为客户创造更多价值。