
作者:Erik Lamp,高级产品应用工程师
摘要
本文针对具有快速瞬态变化和噪声敏感特性的负电压轨应用,提出了一种反相降压-升压解决方案。其中采用了一款单芯片降压转换器,在反相降压-升压(IBB)拓扑结构中融入了Silent Switcher® 3(SS3)技术。此解决方案经过了全面测试,能够满足多项关键要求,包括负载瞬态峰峰值电压最小化、低频噪声最低化、有效缩小大容量输出电容和电感尺寸、保持高效率运行。得益于对SS3技术高速性能的充分发挥,此解决方案的整体性能得以进一步优化升级。本文详细阐述了此解决方案的设计技巧和注意事项,以帮助工程师开展未来的设计工作。
引言
负电压电源广泛应用于众多领域,例如信号链中的数模转换器(DAC)和模数转换器(ADC)驱动器、显示器和射频(RF)中的功率放大器、成像系统、光学二极管,以及自动测试设备(ATE)中用于实现真正0 V输出的偏置电路。这些应用通常对电源噪声比较敏感,不仅包括基本的开关频率及更高频率的噪声,还涵盖从开关频率直至低至0.1 Hz的低频噪声。为了减少这种低频噪声,电源设计师常常会采用后置滤波低压差(LDO)稳压器。然而,这种方法不仅会增大解决方案的尺寸,还会降低其运行效率。对于要求低频输出噪声极低且无需LDO稳压器的应用,Silent Switcher® 3系列超低噪声单芯片降压转换器提供了绝佳的解决方案。SS3的高开关速度、宽控制环路带宽及出色的低频噪声性能,并不仅局限于在降压应用中发挥作用。通过重新配置简单的半桥拓扑结构,SS3可被用作反相降压-升压(IBB)转换器,以产生负输出电压。架构上的细微调整,使得SS3能够在需要负电压轨具备低频噪声性能的应用中运行。传统上,此类解决方案会包含两个阶段:首先采用反相降压-升压(IBB)或库克(CÜK)转换器来生成负电压,然后使用负电压LDO稳压器作为后置滤波级,以满足低频噪声要求。然而,对应极其重视解决方案尺寸(高度和面积)的应用而言,这种方法并不可取。除了无需使用LDO稳压器来减小解决方案的尺寸之外,SS3的高开关频率和控制环路带宽还可被利用来减小电感器和大容量输出电容的大小。
本文是一份全面的设计指南,介绍了如何将SS3系列产品LT8624S用作负电压应用中的IBB。设计指南以客户需求的形式呈现,概述了一系列颇具挑战性的解决方案指标,并与在低频噪声性能方面最为接近的竞品进行了对比。在设计过程的论述中,探讨了与IBB相关的特定难题,例如依据负载电流精确选取适配的电感器尺寸等。此外,文中还分享了一个实用技巧:通过将IBB的右半平面零点(RHPZ)移至更高频率来增加控制环路带宽。
负电压应用
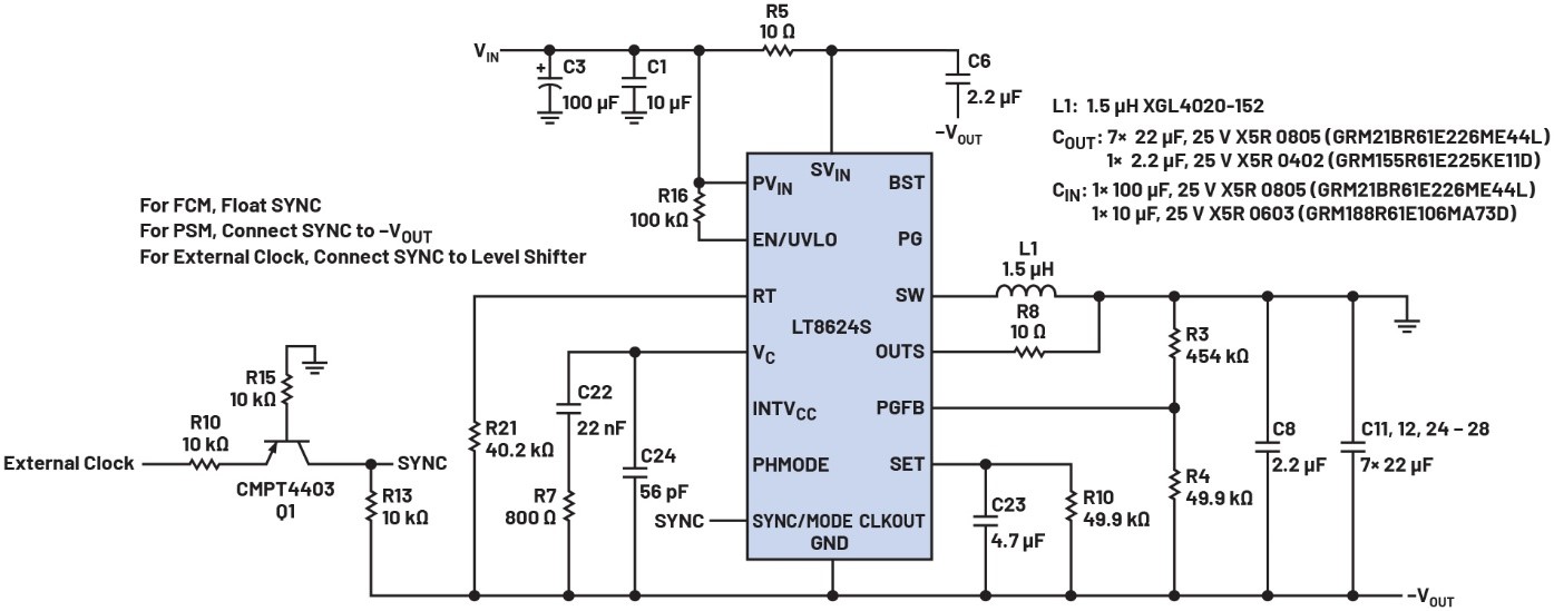
在以下应用中,功率放大器需要-5V的负电源电压。电压轨将由一个5V电源供电,并且必须符合2 mm的低高度限制,同时还要保持紧凑的外形尺寸。表1提供了完整且详细的规格清单。将LT8624S用作IBB是此应用的理想解决方案,因为它具有高速度和出色的低频噪声性能,能够在保持良好效率的同时实现紧凑的解决方案尺寸。原理图见图1。
表1.客户应用的规格清单
VIN | VOUT | 最大 负载 | 负载 瞬变 | 高度 | VOUT 容差 | 10 Hz至1 MHz积分噪声 | 效率 |
5 V | -5 V | 1 A | 0.5 A至1 A | 2 mm | 40 mV p-p | 25 μV rms | 90% |
值得注意的是,当使用单芯片降压稳压器作为IBB时,IC的参考电位是–VOUT,而非接地(GND)。在确定最大输出电压时,这一区别至关重要。输出电压可使用公式1计算,其中VIC Max rating表示IC用作降压转换器时的最大额定电压。对于LT8624S而言,此额定值为18 V。此外,由于IC以输出电压为参考电位,因此,任何所需的外部控制信号,比如用于使能IC或与外部时钟同步的信号(EN/UVLO和SYNC/MODE引脚),都需要一个电平转换器电路来将信号的参考电位调整至与该IC相匹配。电平转换器电路的一个示例如图1所示。


图1.原理图,SS3作为–5 VOUT IBB运行,具有2.2 MHz FSW。
设计电感器和确定开关频率
在设计紧凑型IBB解决方案时,尽可能缩小电感器尺寸至关重要。为了选出合适的电感器,首要任务是找到一系列能最理想地满足客户尺寸要求的电感器。对此,可以通过充分利用 2 mm的高度限制并尽量减小电感器的面积来实现。需要注意的是,物理尺寸更大的电感器通常能够提供更大的电流承载能力和更高的能效比。
在开始筛选时,可以考虑Coilcraft的高性能XGL系列屏蔽电感器。尽管有2 mm的高度规格限制,但可供选择的电感器种类依然繁多,因此还需要进一步筛选。为此,可以使用公式2和公式3来计算满载时电感器的平均电流和峰值电流。其中,IL表示平均电感电流,IPEAK表示峰值电感电流,0.4表示40%交流电感纹波电流,而n则表示转换器效率。


需要着重注意的是,与降压转换器不同,IBB的平均电感电流是输入电流和输出电流之和。这一特性增加了电感器设计的复杂性,因为输入电流可能会发生变化。因此,电感器的尺寸可能会比降压转换器更大。假设在满载时效率为90%,交流纹波电流为40%,根据客户的满载规格计算得出的平均电感电流约为2.1 A,峰值电流为2.52 A。考虑到这些计算出的电流值,就可以选择合适的电感器了。所选电感器的IRMS额定值应大于2.1A的平均电感电流。理想情况下,ISAT(电感值下降10%的电流)应大于2.52 A的峰值电感电流。综合考虑这些因素,包括对最小面积的要求,最终选择了XGL4020系列电感器。在这个系列中,2.2 µH和1.5 µH的电感器被选为可能的备选方案。为了确定最佳的电感器,通过在一系列不同的开关频率范围内进行扫描,开展了一系列满载效率测试。目标是在最高频率下实现至少90%的效率。
结果表明,最佳组合是工作频率为2.2 MHz的1.5 µH电感器。满负载情况下的效率达到90.2%,满足了客户的要求。图2显示了1.5 µH电感器在2.2 MHz下的效率曲线。

图2.1.5 µH 2.2 MHz解决方案的效率曲线。
设计大容量输出电容
一旦确定了电感器和开关频率,接下来的任务就是设计IBB的大容量输出电容。与挑选电感器类似,输出电容器必须遵守2 mm高度限制,并且要占用尽可能小的面积,以满足客户的应用需求。此外,必须有足够的输出电容,以便在半载到满载的瞬态变化过程中,使输出电压的峰峰值保持在40 mV以内。这些电容器在5 V电压下还必须进行降额使用。为了找到最合适的电容器,选择了Murata公司作为供应商,因为该公司的电容器产品文档记录完善,且产品种类丰富多样。通过比较不同型号电容器在降额后的输出电容值,最终选用了22 µF 0805电容器,因为它在满足尺寸要求的情况下,能够提供最大的电容量。
选定电容后,需要确定大容量输出电容的总容量。这可以根据客户规格进行一系列负载瞬态台架测试来实现。具体做法是,先使用远超合理数量的电容,比如十个22 µF的电容器,以满足输出电压峰峰值的要求并确保稳定性。随后,逐渐减少电容器数量,直至输出电压峰峰值刚好低于40 mV,同时要保证补偿环节保持稳定且处于最佳状态。
此外,还应进行满载波特图测试,以验证控制环路的相位裕度至少为45°,增益裕度为8 dB。
通过这一过程,大容量输出电容被优化为七个22 µF电容器。在负载以0.5 A/µs的摆率从0.5 A变为1 A再变回0.5 A的瞬态过程中,输出电压(VOUT)的峰峰值为36 mV。这满足了客户对输出电压峰峰值为40 mV的要求。负载瞬态测试结果如图3所示。

图3.在0.5 A/µs摆率下,0.5 A至1 A负载阶跃的瞬态波形。
1 A负载下的波特图显示,带宽为103 kHz,相位裕度为53°,而增益裕度则为8.2 dB,这些指标均在预期范围内。波特图如图4所示。

图4.1.5 µH 2.2 MHz解决方案在1 A负载下的波特图。
低频噪声测量和竞品比较
客户的应用对10 Hz至1 MHz频率范围内的噪声较为敏感,这一点必须考虑在内。在这个频率范围内,所需的积分噪声应低于25 µV rms。使用频谱分析仪和放大器就可以轻松测量这个噪声范围。对上述设计的解决方案进行测试后发现,10 Hz至1 MHz的积分噪声为22 µV rms,低于客户的最低要求。为了进行对比,对最接近SS3的竞品进行了测试,在相同测试条件下(包括使用相同的电感器、输出电容及开关频率)测得竞品的积分噪声为90 µV rms。噪声测试结果如图5所示。

图5.在1 A负载下对SS3及其最具竞争力的竞品所做的低频性能比较。
增大SS3 IBB的控制环路带宽
在查看了结果后,客户对应用的规格要求进行了更新。客户发现,其功率放大器要求在10Hz至1 MHz的频率范围内,积分噪声最低为20 µV rms,并且VOUT的负载瞬态容差要小于35 mV p-p。遗憾的是,目前的设计无法满足这些新要求,因此必须进行改进以提升性能。幸运的是,SS3具备高速控制环路功能,能够在无需额外增加输出电容的情况下,实现更快的负载瞬态响应和更低的噪声水平。
为了充分利用SS3的快速控制回路,需要重新定位IBB的RHPZ。RHPZ在控制环路中引起增益提升和相位延迟,从而限制了转换器的带宽,进而降低了SS3的性能。基于当前采用1.5 µH电感器的设计,RHPZ大约位于265 kHz处,这导致转换器在约27 kHz附近出现相位损失。RHPZ的频率位置可以使用公式4来确定,其中L表示电感器的电感值。

公式4.用于计算RHPZ的频率位置。
通过观察该公式,可以明显看出,RHPZ的位置与电感器的电感值呈反比关系。这意味着,倘若使用电感值更低的电感器,便可将RHPZ移至更高的频率。而将RHPZ移到更高的频率,能够有效增加控制环路的带宽。不过,若要保持相同的电感器纹波电流,就需要提高开关频率。XGL4020系列中下一个可用的电感器规格为1 µH,因此开关频率应提高到3.3 MHz。凭借SS3具备的6 MHz开关能力,实现这一点并不困难。新的RHPZ位置大约会在398 kHz处,这应该足以将控制环路带宽提升到更高的频率。修改后的设计原理图如图6所示。

图6.1.0 µH 3.3 MHz SS3 IBB解决方案的原理图。
控制环路比较
为了验证带宽方面的改进,在5 VIN输入、-5 VOUT输出和1 A负载的条件下进行了波特图测试。测试结果以及与先前设计的对比情况如图7所示。结果表明,带宽从103 kHz增加到123 kHz,相位裕度为54°,增益裕度则为9.8 dB。需要着重注意的是,为了获得与采用1.5 µH转换器设计时相近的相位裕度,对控制环路进行了重新补偿。

图7.两种转换器设计方案在1 A负载下的波特图并排比较。
新设计在控制环路速度方面提升了约20%,随后进行了与初始设计相同的从0.5 A到1 A再到0.5 A的负载瞬态测试。测量结果显示,输出电压的峰峰值为30 mV。这些结果与采用1.5 µH电感器设计的结果在表2中进行了对比。
表2.两种转换器设计在0.5 A到1 A再到0.5 A负载瞬态下的峰峰值电压比较
VOUT峰峰值 | |
1.5 µH,2.2 MHz | 1.0 µH,3.3 MHz |
36 mV | 30 mV |
低频噪声比较
接下来,对低频噪声进行了测试,以确定是否满足新的10 Hz至1 MHz的积分噪声要求。结果表明,积分噪声的测量值为18.9 µV rms,符合新规定的20 µV rms标准。将这一结果与1.5 µH设计进行了对比,噪声曲线如图8所示。

图8.两种SS3解决方案及其最具竞争力的竞品在1 A负载下的低频性能比较。
效率比较
鉴于这种转换器的开关频率相较于初始设计提高了50%,有必要重新评估其满载效率。效率测试结果如图9所示。测量结果显示,满载效率为89.5%。尽管此数值略低于90%的要求,但客户对这一结果表示满意,因为在客户的设计中,效率并非首要考虑因素。

图9.1.5 µH与1.0 µH解决方案的效率曲线比较。
结论
SS3系列单芯片降压式稳压器可以无缝转换为反相降压-升压式稳压器,以产生一个负电压轨。对于开关稳压器而言,这些稳压器具备无与伦比的低频噪声性能,同时还拥有较高的控制环路速度和开关速度。因此,对于需要快速瞬态响应且对噪声敏感的负电压应用场景来说,SS3是理想的解决方案。
关于ADI公司
Analog Devices, Inc. (NASDAQ: ADI)是全球领先的半导体公司,致力于在现实世界与数字世界之间架起桥梁,以实现智能边缘领域的突破性创新。ADI提供结合模拟、数字和软件技术的解决方案,推动数字化工厂、汽车和数字医疗等领域的持续发展,应对气候变化挑战,并建立人与世界万物的可靠互联。ADI公司2024财年收入超过90亿美元,全球员工约2.4万人。ADI助力创新者不断超越一切可能。更多信息,请访问www.analog.com/cn。
作者简介
Erik Lamp是ADI公司工业和多市场部门的产品应用工程师,主要负责电源产品。他于2020年获得圣何塞州立大学电气工程学士学位,此后一直就职于ADI公司。