
RS3702-Q1是一款三通道高侧LED驱动芯片,采用车规级工艺,最大化安全余量设计,具有高达45V的耐压承受能力,每一通道均提供最大150mA的驱动电流,支持PWM亮度调光,并提供全面的自诊断功能,包括LED开路、对地短路以及单个LED短路检测。与RS3703-Q1相比,区别主要在于是否支持板级亮度分级设置和NTC温度检测调节电流。

RS3702-Q1主要设计用于车尾灯、高位刹车灯、侧标志灯驱动,以及车内小灯的驱动,比如各种指示灯、顶灯、阅读灯、氛围灯。
主要特性如下:
Ø 输入电压支持4.5V~40V,极限耐压高达45V
Ø 通过外部分流电阻实现热共享功能
Ø 故障模式下具有低耗电功能
Ø 三通道高精度电流调光
每通道最大150mA输出电流
全温度范围内±5%控制精度
通过外部电阻设置电流
支持PWM独立调光
Ø 低Dropout电压,300mV@150mA
Ø 提供自诊断和保护功能:
LED开路,具有自动恢复功能
LED对地短路检测,具有自动恢复功能
支持自诊断并具有可调阈值
可配置为连带失效或仅失效通道关闭的故障总线(N-1)
支持热关断
Ø 工作结温范围:-40°C ~ 150°C

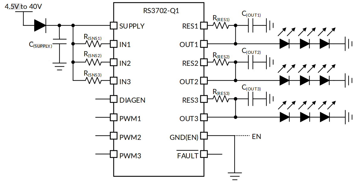
图1 典型应用电路
乘用车各部件的供电目前仍然以12V电压总线为标准,商用车以24V电压总线为主,接口热插拔瞬间或者传统油车在打火瞬间电池的浪涌电压,在电路设计时工程师都会重点防范,选用高耐压的降压芯片会有更加可靠的安全余量。RS3702-Q1高达45V的耐压余量提供了可靠的应对能力,可以轻松应对这些浪涌电压的冲击。

图2 封装和管脚定义
RS3702-Q1系列提供ETSSOP16封装,有两种管脚排列,其中A版完全兼容TPS92623-Q1,欢迎各界工程师索样对比评测。

来源:润石科技