
聚焦高性能模拟与数模混合产品的供应商思瑞浦3PEAK(股票代码:688536)推出TPS42Q20Q 汽车级40V/160mΩ四通道高压侧电源开关,符合AEC-Q100 Grade1认证,支持4V-40V宽输入电压及-40°C至+125°C工作温度。产品集成四通道独立控制、高精度电流检测(±3%@500mA)及多重故障保护,专为车身控制、ADAS摄像头、工业自动化等多负载场景设计,显著提升系统集成度与可靠性。
TPS42Q20Q产品优势
汽车级高可靠性
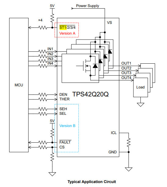
支持4路独立控制通道(IN1-IN4),每通道导通电阻 160mΩ@25°C,可同步驱动多路负载(如车窗电机、车灯)。ETSSOP28封装优化散热设计,热阻低至15°C/W(θJB),支持全通道并行工作。




精准电流检测
版本A(TPS42Q20AQ)每通道独立故障指示(ST1-ST4),实时反馈开路/短路/过温异常。
版本B(TPS42Q20BQ)通过SEH/SEL引脚选择监测通道,CS引脚提供±3%@500mA电流检测精度。
多重保护机制
阻性负载的过载与短路保护机制(如加热器/PTC元件):可调电流限制(0.5A–2.5A/通道),精度±15%@500mA,精准匹配负载功率。
容性负载保护机制:±36V反向电压保护+48V负载突降耐受(400ms),防止电压瞬变损坏器件。短路到地时触发快速开环响应(1μs),立即切断电流,防止过热损坏。
感性负载保护机制(如电机/继电器):短路到电池时,承受持续2.5A反向电流(60s内),保护电路不被击穿。
6kV ESD防护、过温自恢复/锁存模式(THER引脚控制)。
灵活控制与低功耗设计
可调电流限制0.5A-2.5A/通道,精度±15%@500mA。
关断模式待机电流仅0.5μA(常温),DEN引脚全局控制诊断功能,禁用时功耗降至 500nA。




TPS42Q20Q产品特性
•输入电压范围:4V-40V(最大48V耐压)
•导通电阻:160mΩ@25°C(常温),260mΩ@150°C(高温)
•工作温度:-40°C至+125°C(环境温度)
•电流检测精度:±3%@500mA,±8%@50mA
•封装选项:ETSSOP28(热增强型)
TPS42Q20Q典型应用
TPS42S40Q专为汽车电子与工业控制设计,典型应用包括:
车身控制:四路独立驱动车窗、座椅、灯光模块。
ADAS系统:环视摄像头供电与短路保护。
工业自动化:多电机同步控制、分布式电源管理。

TPS42Q20Q可提供样品申请及评估板技术支持。如有需求,请联系思瑞浦当地销售团队或邮件。

来源:思瑞浦3PEAK