
圣邦微电子推出 VCE2755,一款基于各向异性磁阻(AMR)技术的高度集成旋转磁编码器芯片。该器件可应用于各种典型的需要角度位置反馈和速度检测的应用场景。
VCE2755 是一款基于各向异性磁阻(AMR)技术的高度集成旋转磁编码器芯片。该芯片采用小型化封装设计,将 AMR 传感器、ASIC 电路和高精度 CMOS 处理电路集成于同一封装内,可实现 14 位有效分辨率的平面 360° 磁场角度检测(平行于封装表面)。基于 AMR 和霍尔技术的双重优势,其全温度范围内检测精度可达 ±0.3°。得益于 AMR 在饱和工作模式下对磁场强度变化不敏感的特性,VCE2755 具有优异的抗震动和低温漂性能,能够适应各种严苛的工作环境。
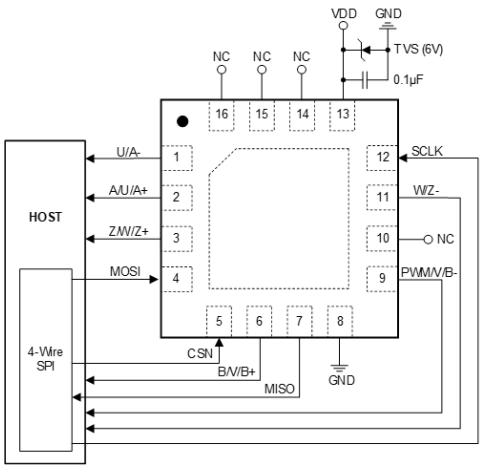
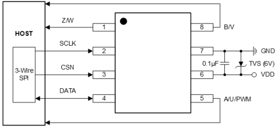
该芯片采用 SAR 结构 ADC,信号延迟极低(<2μs),最高可支持 18000rpm 的转速。其内置的先进校准算法可实时补偿传感器及电路的零偏、幅度和温度变化,并具备温度补偿功能。同时,VCE2755 提供多种角度信号输出方式,包括 SPI、SSI、ABZ、UVW 和 PWM,用户可根据具体应用需求灵活选择。芯片具有宽广的 3V 至 5.5V 工作电压范围,适应 -40℃ 至 +125℃ 的严苛温度环境,并具有弱磁场报警检测功能。此外,该产品兼容轴心和偏心两种安装方式,内置 MTP(多次可编程)存储单元,支持多次编程而无需高压编程端口。这些特性使其成为各类需要高精度角度位置反馈和速度检测应用的理想解决方案。


图 1 VCE2755 典型应用电路
关于圣邦微电子
圣邦微电子(北京)股份有限公司(股票代码 300661)作为高性能高品质综合模拟集成电路供应商,目前拥有 34 大类 5900 余款可供销售产品,为工业、汽车电子、通信设备、医疗仪器和消费类电子等领域提供各类模拟及混合信号调理和电源管理创新解决方案。
来源:圣邦微电子