
产品概述
随着LED显示技术的飞速发展,对更细腻的亮度控制、更稳定的电流输出和更灵活控制的LED驱动方案的需求日益增长。
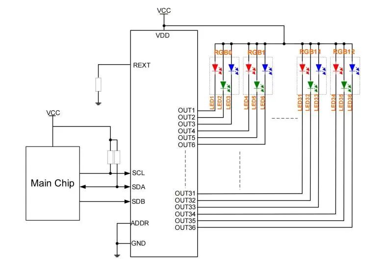
力芯微推出了专为高性能LED灯效显示设计的,具备高集成度与精细调光能力的高性能LED驱动芯片ET6038。该芯片集成多达36个独立恒流输出通道,每个通道均支持256级PWM调光,并具备16级全局电流调节功能,最大驱动电流达42.6mA,确保亮度均匀性与色彩精准度。应用于LED灯效可显著提升亮度细腻度与动态范围;其多通道独立控制特性也适用于智能音箱、玩具显示、智能便携设备等需要光效呈现的场合。
ET6038采用I²C总线接口,支持单独地址与连续地址写入功能,通过灵活配置寄存器可轻松实现各类参数设定。这款专为多元场景打造的 36 通道恒流LED驱动器,集高精度恒流控制、智能调节与可靠保护于一体,为LED灯效显示等领域带来革新方案。
产品特性
电源电压2.7V ~ 5.5V
36个恒流输出通道
恒流输出值不受负载电压影响
电流输出值精确
通道间一般差值:<±5%(典型值)
带外接电阻,输出电流可调
各电路具有256阶PWM电流调节功能
最大驱动电流可达42.6mA
I2C接口,4个芯片地址可选
开路、短路检测功能
软关机功能/外部硬件关机功能
多种封装形式:
QFN44(ET6038Y)或LQFP48(ET6038Q)
管脚定义

典型应用

来源:力芯微电子