
在三相无刷电机控制领域,宽压兼容性、驱动效率与安全保护始终是系统设计的核心挑战 —— 从消费电子的低功耗待机需求,到工业设备的高频响应场景,再到汽车应用的高可靠性需求, 传统驱动方案常面临 “性能瓶颈” 与 “升级成本” 的双重桎梏。
SCT55610/SCT55611 三相无刷电机预驱动器以高集成度设计打破常规,凭借与主流方案兼容的管脚排列,客户可快速实现现有方案的升级替代,无需修改PCB设计,大幅缩短开发周期,这颗 “国产驱动芯” 正为智能控制注入新可能。
一、产品概述
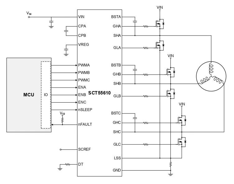
SCT55610/SCT55611是一款高集成度三相无刷直流电机栅极驱动器,可同时驱动3个高侧及3个低侧N沟道MOSFET,支持5-60V宽输入电压,支持100%占空比运行。可灵活适配消费电子、工业设备及智能家电等多种应用场景。
下表是SCT55610系列不同型号的主要区别:

核心亮点
- 全功能集成:内置电荷泵产生驱动电压、内置高侧栅极涓流充电电路,支持100%占空比运行、可调死区时间及6大保护机制; 
- 全场景适配:兼容2.5V/3.3V/5V逻辑电平、兼容EN/PWM和H/L两种输入模式,灵活匹配不同的电机控制器; 
- 国产化替代:PCB和BOM兼容设计,无缝替换现有方案 
经典应用

二、产品能力详解
灵活驱动,性能升级
- 宽压覆盖:5V-60V输入范围,支持低压启动与高压工业场景 
- 更低功耗:支持1μA低功耗睡眠模式,显著降低待机电流 
- 智能调节:可编程死区时间(30ns~5μs),适配不同MOSFET 


图1a. 30ns死区时间(DT引脚接地)图1b. 0.74μs死区时间(RDT=200kΩ)
复杂负载,稳定应对
- 高频响应:支持高达200kHz的PWM频率,满足无人机电调快速响应需求 
- 强劲驱动:2A峰值灌电流(下拉)与1A峰值拉电流(上拉),轻松驱动高Qg的MOSFET 

图2. 实测栅极驱动波形
安全可靠,全面保护
- 6大保护机制:过流保护、短路保护、输入欠压保护、驱动欠压保护、自举电容欠压保护以及过温保护 
- 故障反馈:nFAULT引脚开漏输出,实时指示故障状态 
- 快速保护:支持可调电流限制与故障快速关断,保障系统安全 

图3. 过流保护触发波形(VLSS>0.5V触发)
三、典型应用案例
无人机电调系统
- 挑战:高PWM频率需求、轻量化设计、低压启动可靠性 
- 方案价值: 
- 兼容现有电调PCB布局,直接替换升级 
- 5V低压启动保障电池续航 
- 2A灌电流和1A拉电流加速MOSFET开关,提升系统效率 
智能家电与工业设备
- 扫地机器人:低功耗睡眠模式(典型值1μA),延长电池寿命 
- 水泵/风扇:可调死区时间适配不同MOSFET和电机,降低运行噪音 
- 电动工具/执行器:60V耐压支持高扭矩电机,适配工业自动化场景 
燃油及新能源汽车
- 雨刮器:高效节能,稳定可靠,更长寿命 
- 空调压缩机:高耐压,宽温特性轻松应对严苛环境 
- 中控旋转屏:高可靠性,高集成度实现紧凑设计 
SCT55610/SCT55611 作为高集成度三相无刷电机预驱动器,提供 5-60V 宽输入电压范围、1μA 低功耗睡眠模式、高达 200kHz PWM 支持及全面的保护功能。该器件适用于无人机电调、智能家电及工业设备等场景,为高效、可靠的电机控制提供支持。如需样品、技术资料或进一步支持,请联系我们。
来源:SCT芯洲科技
