
产品概述
在科技日益发展的今天,折叠屏手机逐渐成为热门产品,成为智能手机创新最活跃的领域之一。小米,OPPO,VIVO,荣耀等手机主力厂商也纷纷推出各家折叠屏手机。
折叠屏手机结构异常复杂,两块屏幕、多个传感器(内屏、外屏、铰链区域)、复杂的排线,SoC自带的GPIO引脚数量,根本不够用!尤其是在铰链区域,需要密集部署传感器来精准检测开合角度、速度、状态,所以折叠铰链中的布线,面临空间困境。
力芯微重磅推出16bit I²C GPIO扩展芯片,支持1.65~5.5V电平转换,可以有效节省系统IO资源,简化PCB布线,降低系统成本。这颗仅3x3mm的微型芯片,以三种方式破解困局:1. 接口倍增: 通过I²C总线扩展出16路GPIO,为主控芯片释放珍贵接口资源;2. 空间重构: 将铰链区数十条排线精简为2-4条总线,布线空间节省40%以上,简化了主板到副板的FPC走线。3. 信号中继站: 集中管理铰链区域、副屏区域等远端的众多传感器信号(如角度磁铁检测的霍尔传感器、跌落检测传感器、屏幕状态检测等)。
除了在手机领域外,还广泛应用于智能穿戴设备、各种嵌入式应用领域,智能家居、工业控制等。
产品特性
16bit GPIO扩展
工作电压范围:1.65V to 5.5V
支持双向电平转换
极低的静态电流损耗:典型值 1.5uA@VDDP=5V;典型值 1.0uA@VDDP=3.3V
IO输入/输出独立可配
硬件复位输入信号,低电平有效
400 KHz 快速模式(Fast-mode)I²C总线,2个I²C拓展地址
GPIO端口最大驱动能力 25mA,直接驱动 LED
封装形式:ET6416 BGA24 (3mm×3mm);ET6416Y QFN24 (4mm×4mm)
管脚定义


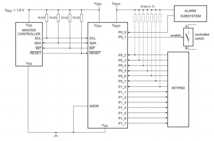
典型应用

来源:力芯微电子