

在工业自动化、能源计量、汽车电子及消费电子等领域,液位测量有着非常广泛的应用,并在智能设备使用中起着至关重要的作用。传统的测量技术因结构和性能局限,难以满足现代高精度、高稳定性、长寿命的需求。多维科技(Dowaytech) TMR134x 磁开关传感器芯片应运而生,为液位测量提供了稳定的解决方案。
TMR134x磁开关芯片产品特性
超低功耗(1.5 μA):全时供电模式下静态电流仅为1.5 μA。
全极磁检测 :对 N 极和 S 极磁场均有响应,磁浮子安装无需极性校准,简化系统设计与安装。
高频响应(1 kHz):实时反馈液位动态,适用于化工反应等液位快速波动场景,避免传统传感器因响应延迟导致的漏检。
宽工作电压(1.8V ~ 5.5V):适应不同电源环境,降低系统成本。
宽温稳定性(-40°C ~ 125°C):温漂误差<±1%,极端环境下仍保持高精度。
低导通电阻(<1Ω):较小的导通电阻,降低其对外部电阻回路的影响。
抗干扰性强 :有效抵御工业现场电磁干扰,确保复杂环境下测量准确。

图1 TMR134x(LGA3L / SOT23-3)
液位测量应用设计指南
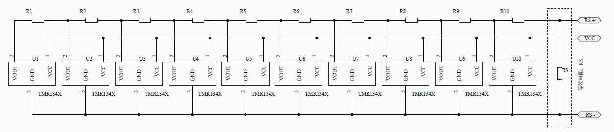
1、 开关电阻网络设计 :将多个TMR134x芯片组成电阻回路,沿容器高度分布,等效电阻梯度线性变化,实现液位精确计算,可用于大型工业储罐,支持多点连续测量。

图2 原理图

图3 PCB示意图
当TMR134x芯片感应磁场导通时,根据电阻串并联原理,电阻回路将会经过TMR134x返回。如图2所示,Rs是电阻回路的等效电阻。
如果同时导通多个TMR134x芯片,电阻回路将会经过最前端的开关芯片TMR134x返回。
电路回路中串联的电阻推荐使用参数:10Ω。可以根据实际的使用需求设计参数。
随着不同位置的TMR134x的开启,等效电阻Rs成梯度式线性变化,如图4所示:

图4 电阻输出的位置曲线图
2、 穿心与磁路设计 :针对不同磁场强度优化磁路,确保芯片导通无断点,适用于化工等复杂磁场环境。

图5 穿心式磁浮子结构
3、 边磁与磁路设计 :磁翻板应用需求,保证各位置芯片导通,拓展特殊结构液位测量设备应用。

图6 边磁式磁浮子结构
多维科技 TMR134x 系列磁开关传感器芯片在液位测量领域已深耕超 5年,液位检测技术方案已通过严苛场景验证,技术成熟度与市场占有率稳居行业前列,并通过了 AEC-Q100认证,满足全球主流市场准入要求。目前已服务过全球多家企业客户,成为工业、汽车、消费电子等领域高精度液位检测的首选方案。
多维科技可为工程师提供从微型设备到复杂工业系统的全场景解决方案,如需详细液位检测方案和技术支持,请联系我们。
来源:多维科技