
产品概述
ET74752是力芯微推出的高性能DPDT USB 2.0开关芯片,集成过压保护(OVP)和浪涌防护功能,专为智能设备接口安全设计。支持480Mbps高速传输,带宽达1GHz(单端)。其核心优势在于多重保护机制:当检测到D+/D-引脚电压超过5.1V时,OVP功能自动切断通路,可耐受24V DC输入;同时支持35V浪涌防护,有效保护下游电路。
芯片工作电压范围宽(2.3V~5.5V),功耗极低(工作电流32μA,待机0.1μA),支持双1:2或2:1灵活切换,通过SEL和OEB引脚实现通道独立控制。提供两种微型QFN10L封装(1.8mm×1.4mm/2.0mm×1.5mm),适用于智能手机、USB Type-C接口、PC扩展坞等场景。其快速切换(3μs)、高隔离度(-90dB@100kHz,实测值)和宽温工作(-40°C~+85°C)特性,满足严苛环境下的高可靠性需求,是紧凑型设备接口保护的理想解决方案。
产品特性
USB 2.0 高速传输;
带宽高达1GHz(单端);
过压保护(OVP):自动切断超过5.1V的异常电压,耐受24V DC输入;
通道持续通流能力:800mA;
低功耗设计(ICC):32uA;
灵活配置:支持双1:2或2:1切换模式;
工作温度范围:-40°C ~ 85°C;
管脚定义

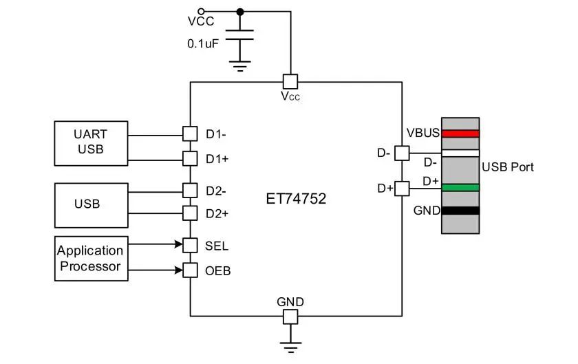
典型应用

来源:力芯微电子