
作者:深圳市永阜康科技有限公司 梁雄
引言
目前户外蓝牙音箱主要是2-3节锂电池串联或12V铅酸电池的供电现实,由于电源电压的限制,音箱的输出功率很难有实质的提升。终端市场渴望音频功放能够突破电源的限制,为户外蓝牙音箱提供足够的输出功率。深圳市永阜康科技有限公司推出基于HTA8128内置升压50W立体声D类音频功率放大器解决方案,为消费者提供极致的音质体验。
概述
HTA8128是一款内置升压的立体声D类音频功率放大器,其支持单节锂电、双节锂电串联、 5V、12V等多种输入,升压后的电压提供给功放供电,功放支持双通道立体声BTL输出以及 并联PBTL单声道输出。
HTA8128内置的升压电路,可通过FB脚设置升压值,以满足不同的输出功率需求。其还可通过外置电阻调节开关峰值电流限值。
此外,HTA8128内部集成免滤波器调制技术, 能够直接驱动扬声器,内置的关断功能使待机电流最小化,还集成了输出端过流保护、片内过温保护、输入电源欠压异常保护、升压电压过压保护等功能。
特点
・输出功率(fIN=1kHz, RL=4Ω, BTL)
双锂电池7.4V:2×40W (VOUT=18V, THD+N=10%)
三锂电池12V:2×50W (VOUT=21V, THD+N =1%)
・输出功率(fIN=1kHz, RL=3Ω, PBTL)
双锂电池7.4V:60W (VOUT=18V, THD+N= 10%)
三锂电池12V:70W (VOUT=21V, THD+N = 10%)
・VBAT供电范围:2.7V至VOUT
・D类功放扩频功能
・模拟差分/单端输入,输出模式立体声/单声道可选
・内置升压电路:可调节的升压值和升压限流
・保护功能:过流/过热/欠压异常/过压保护功能
・无铅无卤封装,ETSSOP32 (EP UP)
HTA8128应用信息
1、HTA8128脚位图

2、 HTA8128管脚说明

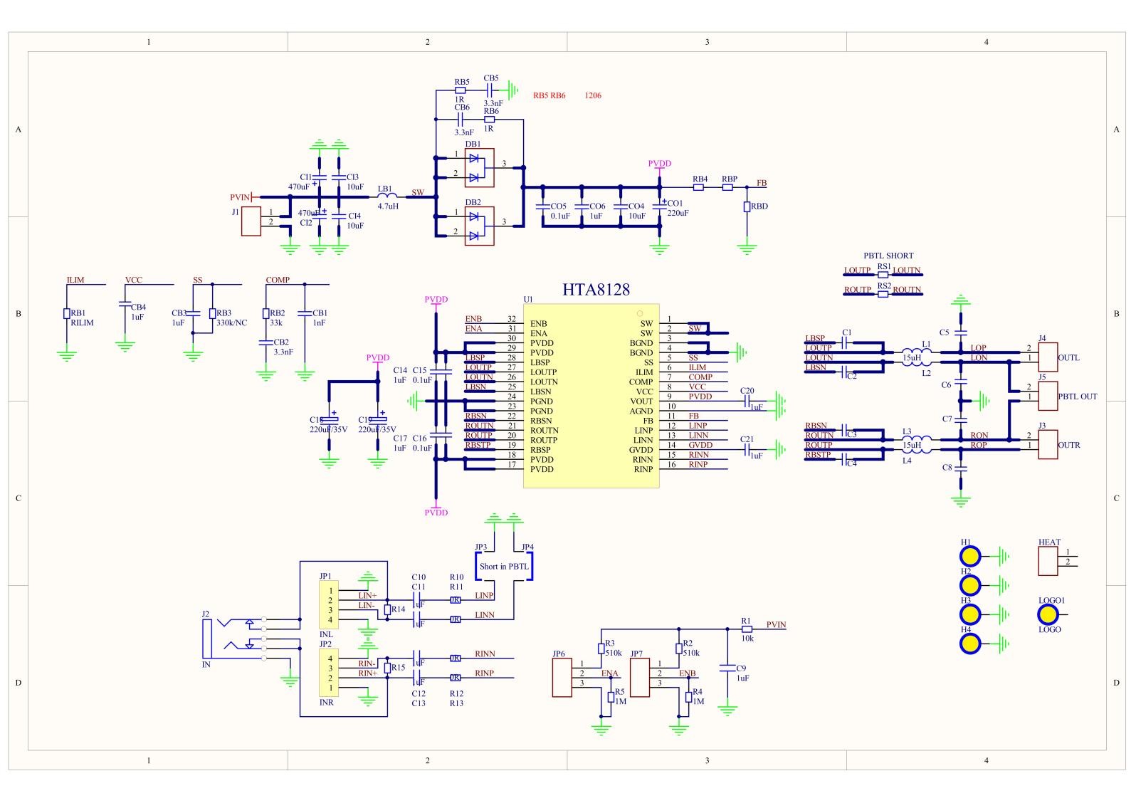
3、HTA8128 DEMO 应用示意图

5、HTA8128 DEMO板PCB顶层设计图

6、HTA8128 DEMO板PCB底层设计图

7、HTA8128 DEMO板贴片图

8、HTA8128 DEMO板物料清单

9、HTA8128 DEMO板实物图
