
引言:
在高温严苛环境下,传感器性能的稳定性至关重要!上海标智电子重磅推出 22165 700℃高温电荷输出型传感器,采用高温压电晶体与特殊装配工艺,确保高温环境下信号输出的高可靠性与精准度,是工业高温监测的理想选择!
产品亮点
700℃高温稳定输出:采用高温压电晶体,性能稳定
抗干扰能力强:差分信号输出,有效降低环境干扰
高可靠性:激光焊接密封,镍基合金外壳,耐用性强
便捷安装:标配3米高温金属电缆,M5顶端输出
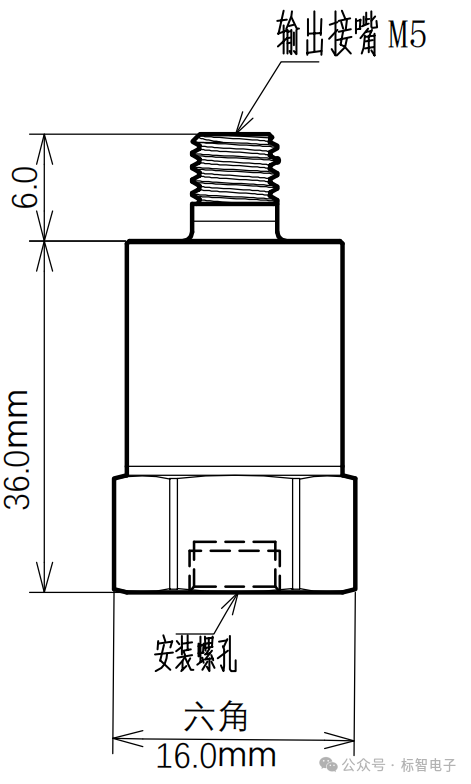
技术参数(22165) 量程:±500 g peak 灵敏度:3 pC/g 尺寸:16×36 mm(六角×高) 频率范围:±5% (5Hz~4kHz) 工作温度: -70℃ ~ +700℃ 重量: 54 g 安装方式:M5内螺纹螺孔
产品尺寸图




(图示:传感器在700℃下的灵敏度与阻抗变化曲线)
来源:标智电子