
产品概要
近日,博瑞集信推出7款覆盖Ku至Ka频段的超宽带放大器产品系列,包含3款低噪声放大器和4款增益放大器。该系列具有超宽带(覆盖0.05~20GHz、12~40GHz)、高增益平坦度(±0.5dB内)、单电源供电(+5V)、低功耗等核心优势,可满足雷达系统、电子对抗、卫星通信等高频场景对信号灵敏度、抗干扰能力及稳定性的严苛需求。
此外,该产品系列可搭配博瑞集信微波毫米波无源产品(如射频开关、衰减器、移相器等)构建完整信号链,提供频带更宽、体积更小、性能更优的射频链路解决方案。
系列产品简介
●低噪声放大器产品汇总表

●产品部分指标

BR9382LDZ
增益:23.0±1.5dB
NF:1.5dB
低功耗,正增益斜率

BR9384LDZ
增益:23.0±1.0dB
NF:1.7dB
超宽带,高平坦度

BR9383LDZ
增益:25.5±1.0dB
NF:1.7dB
正增益斜率
●增益放大器产品汇总表

●产品部分指标

BR9647LDZ
增益:10.5±0.5dB
OP1dB:17.0dBm
正增益斜率

BR9648LDZ
增益:11.0±1.0dB
OP1dB:11.0dBm
超宽带,低功耗

BR9646LDZ
增益:17.0±0.5dB
OP1dB:15.0dBm
高平坦度

BR9398LDZ
增益:10.0±0.5dB
OP1dB:12.5dBm
高平坦度,低功耗
BR9646LDZ简介
工作频率:18GHz~40GHz
小信号增益:17dB@30GHz
输出功率 1dB 压缩点:16dBm@30GHz
噪声系数:2.5dB@30GHz
输出功率三阶交调点:27dBm@30GHz
Vdd=5V,静态工作电流 68mA
芯片尺寸:1.5×0.8×0.1 mm³
典型工作特性




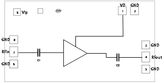
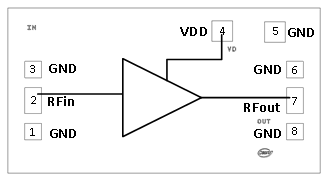
功能框图

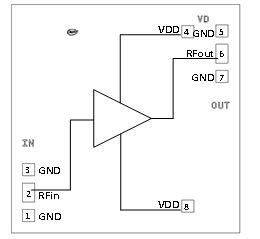
装配示意图

关于博瑞集信
博瑞集信是一家国内领先的自主可控核心芯片和特种通信设备提供商。凭借经验丰富的团队、完备高效的平台、先进可靠的工艺,已在自主可控射频微波领域处于业界领先水平。公司专注于通信、雷达、航空电子等领域的核心芯片及关键模块的研发、生产与销售,通过提供完全自主可控的创新技术与完整的产品解决方案,能够灵活满足不同用户的个性化需求及快速创新需要。
来源:博瑞集信