
SiLM9714是一款专为驱动多种电机或负载设计的高度集成多通道门极驱动器。产品集成了4路半桥驱动、电源管理、电流检测放大器以及保护监控功能,显著简化了系统结构,缩减了体积,并实现了成本优化。其采用的智能门极驱动架构,不仅能精确管理死区时间、调控斜率,还优化了传输延时,同时支持PWM与SPI多种输入控制模式,提升了操作的灵活性与便捷性。
此外,SiLM9714配备了宽共模电流检测放大器,支持高边、低边和相间采样,确保电流准确检测的同时还集成了多重保护特性,为系统的稳定运行提供坚实保障。独特的QFN封装设计,底部附带散热盘,进一步增强了客户应用系统的热管理性能,确保了在各种应用场景下的高效稳定运行。SiLM9714凭借其卓越的性能与高度的集成性,广泛应用于车身域控、座椅调节、门窗控制以及尾门管理等众多领域。

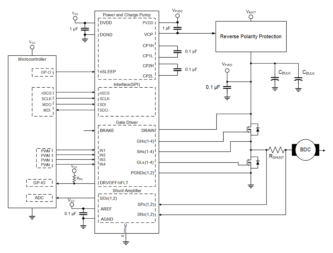
图 1. SiLM9714典型应用图
SiLM9714不仅支持独立标准的16位SPI通讯,根据用户实际应用需求,还提供菊花链功能,可支持多个产品的级联通讯。该系列配备4路PWM输入,可根据具体应用场景需求进行输出的自由映射,提供高度的灵活性和定制性。SiLM9714输出由驱动状态机调节,包含握手信号控制,死区时间调节,此外,该系列产品还特别配置强下拉电流(Istrong),以进一步增强对门极的保护,并在检测到VGS故障时及时报错。
SiLM9714支持半桥工作模式。在半桥应用中,SiLM9714支持传输延时调节(PDR),输出上升下降时间多档位可调(STC),同时支持输出占空比自动补偿(DCC)。图2为半桥模式下实测波形(HS Drive,LS FW)。

图 2. CH1: IN1, CH2: VGL1, CH3: VGH1

图 3. CH1: IN1, CH4: IGH1
(驱动电流档位设置:IDRVP=48mA, IDRVN=48mA)
SiLM9714还支持全桥工作模式。SiLM9714支持2个全桥驱动,可以配置为PHx/ENx控制的全桥工作模式,也可以配置为PWM控制的全桥工作模式。图4是 PHx/ENx控制的全桥工作模式下的波形。

CH1: IN1/EN1, CH2: IN2/PH1, CH3: VSH1, CH3: VSH2
FW=0, LS Active Freewheeling
图 4. 全桥驱动模式
当驱动全桥工作时,运放可以连接成相间方式(见图5)。图6和图7为设置运放不同的blanking time时的波形,从波形对比可以观察到合适的blanking time对于滤除电流采样上的开关毛刺有明显效果。

图 5. 全桥模式下运放相间接法
图6和图7是PWM控制下的全桥工作波形。

CH1: IN1, CH2: IN2, CH3: VSO1, CH4: IOUT1 (OUT1->OUT2)
RCS=5mΩ,RL=5Ω,L=0.3mH
图 6. 全桥驱动模式(运放输出Blanking Time = 0us)

CH1: IN1, CH2: IN2, CH3: VSO1, CH4: IOUT1 (OUT1->OUT2)
RCS=5mΩ,RL=5Ω,L=0.3mH
图 7 . 全桥驱动模式(运放输出Blanking Time = 1us)
SiLM9714具有完整的半桥驱动保护和故障诊断功能,包括过流保护、离线开路负载检测、短路负载保护、过压/欠压保护、过热保护(热告警和热关断)以及SPI通讯错误告警。其中,电流开路负载检测功能可支持用户检测正/反向输出开路负载状态,适用于电机负载的故障诊断。SiLM9714支持硬件nFault引脚指示的产品,在应用系统工作过程中发生故障时,通过nFault引脚向上位机发送告警信号,实现快速实时的系统保护。

产品选型

产品特性
1.多路输出能力:
提供4路半桥驱动,满足多种电机或负载需求。
2.宽电压工作范围:
支持4.9V~37V的宽工作电压,适应性强。
3.灵活的电流调节:
每路输出支持50uA至62mA的峰值拉/灌电流,
多档位可调。
4.低功耗设计:
睡眠模式:3.75μA
正常模式:5.8mA
5.全面保护机制:
集成电源欠压、桥臂过流、掉电制动、
门极电压故障检测及离线诊断,确保系统安全。
6.多种过压保护选项:
提供22.5V和28.5V两种过压保护选项,
增强系统稳定性。
7.SPI配置与诊断:
支持最高10MHz的SPI通信,
具备菊花链功能,配置与诊断便捷。
8.多功能引脚复用:
nFault / DRVOFF引脚可通过SPI配置复用,
提升灵活性。
9.宽工作温度范围:
适应-40°C至125°C的工作温度范围,
满足各种应用环境。
来源:数明半导体