
随着云计算、人工智能的兴起和数字化转型推动,AI服务器出货量快速增长,预计到2026年,AI服务器出货量达237万台,占服务器的15%,复合年增长率预计达25%。在激烈的市场竞争情况下,服务器厂商不断加大研发投入,推出性能更强、能效更高的服务器产品,以满足客户不断增长的需求。
“针尖起舞梦,世界艾为芯”,艾为电子推出了高可靠性的系列化I²C接口芯片,助力服务器等市场实现灵活、可靠的I²C接口扩展。

图1 艾为电子 I²C接口芯片系列
艾为电子的I²C接口系列包括3个产品子类:
I²C GPIO 扩展:节省主控I/O口,简化布局布线,降低系统成本
I²C Switch:I²C总线扩展,解决I²C地址冲突
I²C Buffer:I²C总线扩展,分段总线隔离,热插拔总线缓冲,双向电平转换
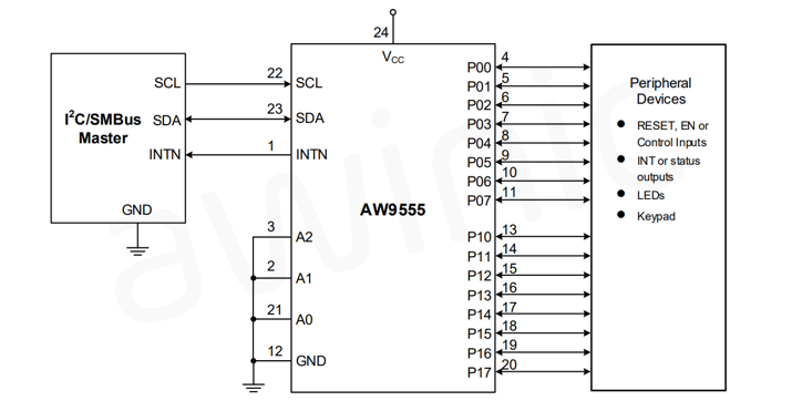
01 I²C GPIO 拓展:AW9555/AW9535
AW9555/AW9535 是16bit I²C GPIO拓展,实现对GPIO引脚的扩展和控制,有效节省主控I/O口,简化系统布局布线,降低系统成本,被广泛应用于IoT、工业、汽车等各个应用场景。

图2 AW9555/AW9535典型应用电路
▶ 产品特性
• 16路GPIO 并行端口扩展器
• 400kHz I²C,兼容SMBus
• VCC输入范围:1.65V~5.5V
• 中断输出 (低电平有效)
• I²C地址可拓展,支持挂载8个器件
• AW9555:GPIO内置上拉,无需外部电阻上拉
• AW9535:GPIO无内置上拉,功耗更低
• 封装:
AW9555:TSSOP 7.80mm × 4.40mm -24L
AW9535:QFN 4mm x 4mm -24L
02 I²C Switch:AW9548/AW9546
AW9548/AW9546 分别是1:8和1:4的I²C Switch, 实现了1路I²C总线扩展出8或4路I²C总线,可对多路I²C信号通道进行选择和切换,广泛应用于需要动态切换信号通路的场景,如数据采集系统、测试测量设备、通信系统等。同时I²C Switch可以有效的解决多个相同器件I²C地址冲突问题,有效提高系统的灵活性、可拓展性和可靠性。

图3 AW9548典型应用电路
▶ 产品特性
• 1:8 通道双向转换开关
• 400kHz I²C,兼容SMBus
• VCC输入范围:1.65V~5.5V
• 3个I²C地址拓展引脚,支持挂载8个器件
• 支持热插拔,加电时无干扰
• 1uA低待机电流
• 封装:
AW9548:TSSOP 7.80mm × 4.40mm -24L
AW9546:TSSOP 5mm×4.4mm -16L
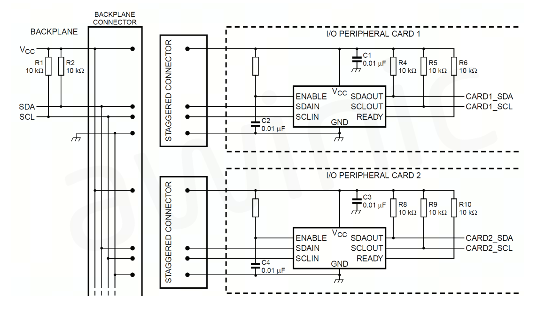
03 I²C热插拔:AW9511
I²C热插拔Buffer AW9511可以在不影响系统正常工作的情况下插入或拔出I²C子设备,无需关闭或重启总系统,这对于需要频繁更换或升级设备的场景(如服务器)具有重要意义,可以提高系统的可维护性和可靠性。
在服务器系统中,I/O 外设子设备通过AW9511实现了与主系统间的热插拔,从而不会影响到主系统I²C总线的通讯。

图4 AW9511的典型应用电路
▶ 产品特性
• 支持 I²C 总线信号双向传输
• 400KHz I²C,兼容SMBus
• VCC输入范围:2.3V~5.5V
• SDA/SCL 1V 预充电, 防止热插拔损坏
• 支持时钟展宽、仲裁及同步
• 断电时I²C 引脚高阻抗
• 高有效Enable输入引脚
• 高有效READY输出引脚
• 工作温度:-40~105℃
• 封装:MSOP 3.00mm × 3.00mm -8L
04 I²C电平转换Buffer:AW9617
I²C Buffer用于增强I²C总线的驱动能力和信号稳定性,解决I²C总线在长距离传输、多设备连接等情况下出现的信号衰减、时序失真等问题。
AW9617是电平转换Buffer,有效增强I²C驱动能力的同时可以解决不同I²C设备之间电平不匹配的问题,提高系统的兼容性和灵活性。

图5 AW9617 典型应用电路
▶ 产品特性
• 支持 I²C 总线信号双向电平转换传输
• 在A 侧上,电压范围为0.8V 至5.5V
• 在B 侧上,电压范围为2.2V 至5.5V
• 1MHz I²C,兼容SMBus
• 负载电容540pF @ 1MHz I²C
• 负载电容 4000pF @ 400kHz I²C
• 高电平有效使能
• 器件上支持时钟拓展和多主机仲裁
• 封装:MSOP 3.0mm x 3.0mm -8L
05 选型列表

图6 I²C GPIO 拓展选型列表

图7 I²C Switch选型列表

图8 I²C Buffer选型列表
更多精彩内容详见
来源:艾为之家