
继首款1200V 100A H桥全碳化硅模块发布后,先导中心又推出1200V 100A 三电平全碳化硅模块新品。
此模块产品的芯片完全国产化,产品功率密度高、性能稳定、损耗更低,可根据不同应用场景进行相应配置。此产品被誉为“龙行1200-100-3”,共SA1001K2ES3AN和SA1001K2ES3AH两个型号,主要应用于高频切换、DC/DC变流器、太阳能等领域。
多年的技术积淀成就了“龙行1200-100-3”在各层面的优质特性,其大电流密度、低电感设计、集成NTC温度传感器等特点,将为其在更多领域得到应用保驾护航。
九万风鹏,毳幕云开。先导作为国家宽禁带工程中心第一共建单位,利用核心关键技术,针对不同客户开辟与应用市场紧密结合的第三条技术路线。“龙行1200-100-3”是为了适应快速变化的市场环境而推出的战略布局产品。
千淘万漉,吹尽狂沙。期待先导利用自身的技术研发和产品创新优势,不断突破,贡献更卓著的产品。
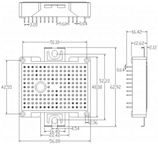
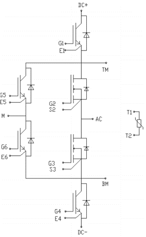
一、产品基本参数、外观、内部电路拓扑




二、优势参数
①先导中心两款三电平模块产品,开关损耗低、功率密度高


②产品性能稳定、耐高温


③模块开启、关断时间短,效率高
