

为进一步减小传感器在小型设备测试的负载效应,LNS推出一款微小型三轴IEPE传感器—B01Y36。

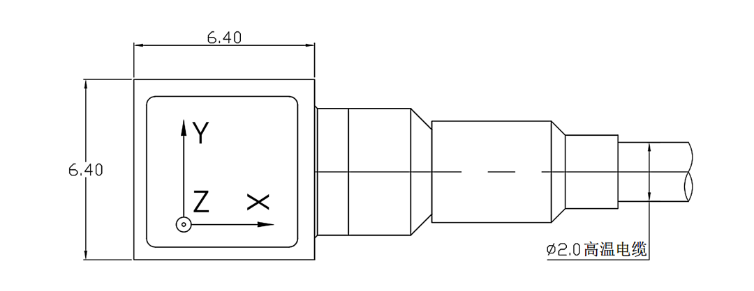
B01Y36尺寸图
该产品适用于小部件、附加质量小且安装空间有限的振动测试。该型传感器可依据客户需求定制,可选灵敏度5mV/g、10mV/g。
产品特点:
尺寸小;
高频率范围;
定制化ASIC芯片调理电路;
质量轻;
轻质壳体材料;
集成电缆1/4-28四芯公头输出;
主要参数:

注:1,2:是指传感器在非通电状态下,机械结构不损坏,而非工作状态。
应用场景:



跌落测试和包装测试;该类测试用来检验产品在跌落冲击因素下的可靠性和耐久性,避免产品在运输过程和使用过程中遇到失效问题。
安装空间受限设备测试;传感器自身低轮廓的设计为车辆进行道路试验、风洞试验提供了更为便捷的安装方式。
小型部件测试;如电路板、组件、小装配体振动测试。
环境应力筛选实验。
动力总成NVH测试。
关于利恩斯
山东利恩斯智能科技有限公司,结合政府“五园一基地”发展规划,联手齐鲁高新区打造传感器制造产业,是实施山东省创新驱动,加快创新创业聚集的重点高新技术企业。
公司拥有领先的传感器核心技术及一流的研发团队,坚持用精益求精的理念为客户提供满意的产品和优质的服务。
主要从事加速度传感器、力传感器,压力传感器等多种品类高精度传感器的研发与生产。致力于服务航天、航空、船舶、核电、高铁、风电、汽车等行业,为振动测试、模态测量、冲击测量、强度测试、可靠性测试、振动监测、故障诊断等环节提供高精度监测设备。
公司已通过ISO9001/ ISO14001/ ISO45001体系认证和GJB9001C质量管理体系认证。公司生产的高精度传感器采用国际先进的敏感芯体元件和先进制造工艺,拥有稳定可靠的质量和高性价比,赢得了市场的高度认可。客户目前覆盖中国航天科技集团、中国航天科工集团、中国电子科技集团、中国核工业集团、中国船舶重工集团、中国航空工业集团、中国兵器工业集团等。
来源:利恩斯