
2022年6月,欧盟议会批准了一项新指令,要求下一代便携式设备必须支持USB Type-C充电连接器。制造商必须在 2024 年秋季之前为其产品增加USB Type-C 接口,以兼容USB Type-C电缆。这项指令为众多行业带来影响,包括手机、数码相机、手持视频游戏机、便携式扬声器、键盘、便携式导航设备、耳塞、鼠标、电子书、耳麦和耳机等。
常见的多串锂电池供电便携式电子设备如吸尘器、电动工具、音箱等,因其电源电压不尽相同,即内部采用的锂电池串数不同,按照传统的降压型充电方式,都需要使用专用的适配器充电,使用无数不同的充电器为其购买的每台独特设备供电,从而进一步加剧了电子垃圾的激增。
目前Type-C正在成为为单节和多节电池供电设备充电的标准端口。 移动蓝牙、移动电源、电动工具等应用已经从专有充电端口、传统USB A口和桶形插孔端口过渡到标准化 Type-C接口。 那如何通过Type-c输入、实现给多节锂电池快速充电呢?
Type-C输入给多节锂电池充电原理说明
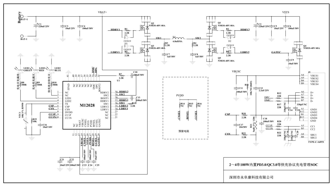
取电协议芯片与充电头(Source) 进行协商,Type-C通过控制信号输出协商电压,然后充电管理多串锂电池或其它类型电池充电。深圳市永阜康科技有限公司现在大力推广内置PD3.0/QC3.0等主流快充协议2-4节100W升降压锂电充电管理芯片M12028,可支持2-4串锂电池快速充电,满足多串大容量锂电池组应用场合。高度集成的芯片设计,外围元件少,应用简单,直接使用Type-C充电,无需专用充电器、避免资源浪费。
M12028 快充充电管理芯片快充申请流程示意图

1、概述
M12028是一款面向小家电、电动工具、户外蓝牙音箱等充电的快充管理SOC,集成了同步开关电压变换器、快充协议控制器、电池充放电管理、电池电量计算等功能模块,支持PD3.0、PD2.0、QC3.0、QC2.0、BC1.2 DCP、UFCS快充充电协议,额定充电功率100W,并提供输入过压/欠压、电池过充、过温、过流等完备的保护功能。搭载极简的外围电路,即可组成2-4节电池的快充充电解决方案。
充电管理高效 Buck-Boost 变换器(开关频率:最大 1MHz)
最高充电效率:98% 高度集成
充电输入电压 4.5~20V,额定充电功率 100W
电芯串数可配置,支持2-4节锂电池、磷酸铁锂电池等
电池充满电压可配置
充电电流可配置,最大充电电流 5A
充电电流精度 5mA、电压检测精度 10mV
支持的快充协议
PD3.0、PD2.0;QC3.0、QC2.0;BC1.2 DCP;UFCS等
2、M12028脚位图

3、M12028管脚说明

4、M12028 DEMO板原理图

5、M12028 DEMO板PCB顶层设计图

6、M12028 DEMO板PCB底层设计图

7、M12028 DEMO板贴片图

8、M12028 DEMO板物料清单

9、M12028 DEMO板实物图
