
[2023年12月13日] – 高功率半导体激光元器件及原材料、激光光学元器件、光子技术应用解决方案的全球供应商——炬光科技发布了两款小型化高功率半导体激光器叠阵:GS09和GA03。

炬光科技小型化高功率半导体激光器叠阵:GS09(上)和GA03(下)
高功率半导体激光器的出现可追溯至20世纪60年代,最初主要应用于通信和传感领域,其功率水平相对较低。直至上世纪80年代和90年代,高功率半导体激光器输出功率逐渐提升,并显现出更多领域的应用潜力。进入21世纪后,高功率半导体激光器在技术上持续创新,目前高功率半导体激光器已具备高输出功率、出色的热管理能力和卓越的可靠性等特点,在工业材料加工领域、固体激光器泵浦以及科研领域得到广泛应用。
固体激光器泵浦作为高功率半导体激光器的重要应用方向之一,通过将高功率半导体激光器与固体激光介质结合,实现强大而可控的激光输出。近年来随着固体激光器领域的不断发展,越来越多的新应用逐渐涌现。例如使用Nd:YAG作为激光晶体,能够实现高功率1064nm激光(CW或QCW模式)的输出,最终应用于材料精密加工、硬质材料切割(比如钻石切割,倍频532nm)、表面处理、泛半导体制程等先进制造领域。通过使用Ho/Tm/Er:YAG晶体或陶瓷,可以获得1.4~3 μm波长范围的“人眼安全”激光,在激光雷达测距、通信、3D成像或门控成像领域有十分广泛的应用前景,其中2µm波长范围的激光还可被应用于多种聚合物(如高分子塑料)的局部加热与精确切割、界面焊接等。此外,水分子在2µm附近也具有非常高的光吸收率,因此这一波长范围的激光在医疗领域(如泌尿外科手术中的组织切割,止血,结石粉碎等)也有着非常重要的应用。
随着半导体芯片技术的提升以及下游应用的不断拓展,应用于固体激光器泵浦的高功率半导体激光器正朝着小型化方向迅速发展。小型化作为重要发展趋势,涉及多个方面的技术创新和优化。炬光科技新品高功率半导体激光器叠阵GS09和GA03依托炬光科技的共晶键合、界面材料与表面工程、热管理等核心技术,实现了集成技术的进步、设计效率的提高、热管理能力的升级以及产品可靠性和寿命的提升。
GS09和GA03采用紧凑的结构设计、先进的材料、行业领先的共晶键合工艺,在降低激光器叠阵热阻的同时,确保产品可靠性,非常适合固体激光器泵浦应用,客户可实现在相同输出条件下设计制造更小尺寸的产品,或在相似尺寸下实现更大的功率输出。这一优势不仅方便客户进行产品和系统集成,还能进一步帮助客户降低成本,为诸多中下游应用领域提供更为小型化、更高效的光子应用解决方案。
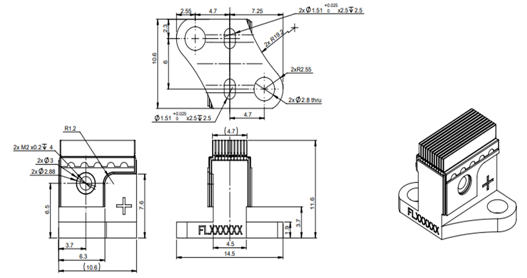
产品特点
• 小型化设计,结构更紧凑
GS09把芯片间距从前代产品的0.73mm缩小到0.43mm,显著降低了叠阵发光区宽度。同时叠阵中的芯片数量可拓展到10bar,实现最高1000W的峰值功率输出。


GS09产品规格
GA03在前代产品的基础上将整体宽度从18.2mm大幅降低到7.45mm,并保持相同的单巴输出功率约为200W,产品芯片数量可以横向纵向拓展到3x10阵列(30bar),实现最高6000W的激光器峰值输出。


GA03产品规格
• 热管理能力升级,提升产品寿命
GA03通过传导结构的优化设计,使芯片产生的热量更高效地从热沉传导至冷却水通道,实现更有效的热交换,确保在更紧凑的尺寸下仍能保持相同的输出功率,同时提升了产品的寿命。
截至目前,两款产品持续寿命测试均已达到10^9 脉冲数。
• 定制灵活,应用广泛
这两款产品均具有良好的扩展性,能够根据客户需求灵活定制巴条数量和输出功率,同时可以根据客户应用场景进行不同组合与搭配,广泛适用于各类应用领域。
GA03早前已成功应用于固体激光器(DPSSL)的高功率半导体激光侧泵模块SP系列。SP18作为其典型产品使用5个1 x 5bar结构,实现了高达5000W的峰值泵浦功率输出,同时具有30倍的小信号增益和良好的荧光分布均匀性(>90%)。其核心指标达到世界领先水平,并因此获得LFW Innovator Awards 2023年度创新奖。


获得LFW Innovator Awards 2023年度创新奖的产品SP17和SP18(上图)、SP17/SP18使用的五相泵浦结构(下图)
目前GS09和GA03两款产品均已实现小批量生产,且可承接客户样品及小批量订单。
炬光科技自成立以来,始终专注光子技术基础元器件及相关应用产品的研究和开发,积极拓展创新应用领域。公司自主研发高功率半导体激光和激光光学领域核心技术和产品,拥有经验丰富的技术研发团队,现已形成共晶键合技术、热管理技术、热应力控制技术、界面材料与表面工程、测试分析诊断技术、线光斑整形技术、光束转换技术、光场匀化技术和晶圆级同步结构化激光光学制造技术九大类核心技术。自2012年起,炬光科技持续推出高功率传导冷却叠阵GS系列产品。本次发布的产品GS09和GA03在上一代产品基础上进行了迭代升级,其小型化、热管理能力、可靠性等关键指标均达到了国内领先水平。炬光科技充分利用核心技术,成功开发出一系列高功率、高可靠性传导冷却叠阵产品,并不断探索创新,致力于为客户提供更灵活高效的定制方案。
炬光科技坚持通过技术创新、卓越制造和快速响应,为成为全球可信赖的光子应用解决方案提供商而不断努力。
关于炬光科技
炬光科技为国家级高新技术企业,成立于2007年9月,主要从事光子产业链上游的高功率半导体激光元器件和原材料(“产生光子”)、激光光学元器件(“调控光子”)的研发、生产和销售,目前正在积极拓展光子产业链中游的光子应用模块、模组、子系统(“提供光子应用解决方案”)业务,重点布局汽车应用、泛半导体制程、医疗健康。目前炬光科技在中国西安、东莞、海宁,德国多特蒙德拥有生产基地和核心技术团队,并已通过ISO 14001、ISO 45001、ISO 9001和IATF 16949等质量管理体系认证。2017年炬光科技成功收购了在全球微光学领域技术领先的LIMO GmbH,并于2022年1月完成全球品牌统一化。2021年12月,炬光科技成功上市上交所科创板(股票代码:688167)。更多信息请关注www.focuslight.com。
来源:炬光科技