
作者:Hamed M. Sanogo,终端市场专家
摘要
随着新市场和新应用不断涌现,对移动数据的需求急剧飙升。除了以更大的密度部署更多蜂窝站点之外,没有其他解决方案。这些因素将直接影响宏基站、小基站和毫微微基站产品的设计。现在的无线电支持多频段工作,功率放大器(PA)设计工程师都在设法将PA的输出功率推向更高的限值/水平。本文重点讨论80 W PA,且系统中包含多个PA的情形。1400 W远程无线电单元(RRU)平台越来越普遍。然而,网络运营商希望这些RRU能够提高覆盖密度,同时更节能、更可靠、更紧凑。负载点(PoL)需要在宽输入电压和宽工作温度范围内工作,更重要的是必须具有成本效益。但是,对于需要500 W或更高功率的应用,由于需要先进的控制方案来保持有源钳位和主开关栅极驱动之间的延迟时序,因此在有源钳位正激式转换器设计中,次级电路的磁元件设计和进行传导损耗管理的难度很大。本文介绍一种可扩展且可堆叠的-48 VDC PoL解决方案,它能解决这些高密度网络因网络流量激增造成的高密度用电情况。
简介
电信和无线网络系统通常采用-48 VDC电源运行。由于直流电源更简单,因此可以使用电池构建备用电源系统,而无需逆变器。直流电可以储存在电池中;市电中断时,可以利用这些电池持续供电一段时间。然而,-48 VDC必须首先高效地转换为正中间总线电压,然后经过升压才能为PA供电,或降压为正工作电源,供数字基带单元(BBU)使用。容量为100 W至350 W的电源足以覆盖许多应用需求。正激式转换器是一个不错的选择,已广泛用于电信BBU和RRU很多年。随着对移动数据的需求持续增长,新市场和新应用不断涌现。正激式转换器现在面临着严峻挑战,尤其是这些新型无线电设计的输出功率要求超过了500 W。本文提出了一种可堆叠和交错的多相高压反相降压-升压控制器,它能应对所有这些需求/挑战,满足当今5G电信设备的要求。但首先,-48 VDC从何而来?为什么需要负电位?
典型电信直流电源系统
电信和无线网络通常采用-48 VDC电源运行,但为什么呢?简单来说,选择-48 VDC(也称为正极接地系统)的原因是它能提供足够的功率来支持电信信号,而且在进行电信活动时对人体更安全。根据当前的安全法规和电气规范,任何在50 VDC或以下运行的电路都是安全的低压电路。另一个原因是,-48 VDC便于电信运营商轻松使用串联的12 V铅酸电池作为备用电源,在电网系统断电时持续供电。-48 VDC仍然是提供有线和无线服务的通信设施的标准,因为人们认为与正电压相比,它对金属造成的腐蚀更少(或者说至少能抑制电偶腐蚀)。图1为典型电信直流电源系统的示意图,重点显示了-48 VDC的创建和分配方式。电信直流电源系统通常包括:国家电网系统、柴油发电机、自主式交流自动切换开关(ATS)、配电系统、太阳能电池板或电路板、控制器和充电器、整流器、串联布置的备用电池,以及相应的电缆和断路器。

图1.典型电信直流电源系统的示意图
当电网断电时,柴油发电机会自动启动,为直流端口系统提供交流电源。ATS将供给设备的不同电源电压同步。由于现场大多数电信设备都需要直流电源,因此来自电网或柴油发电机的交流电通过整流器转换为-48 VDC。这些冗余整流器用于将交流电源转换为-48 VDC电源,从而对电池进行涓流充电并支持关键负载。电池处于浮动状态,如果整流器无法提供-48 VDC电源,则电池将为电信设备或其他负载提供该电源。BTS或RRH不会注意到实际电源的差异,一切都保持正常运行。当电源恢复时,整流器再次接管。本质上,整个发电厂就像一个大型不间断电源(UPS)。
正激式转换器的局限性
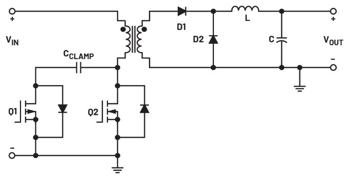
了解-48 VDC的来源之后,接下来我们讨论业界常用的将-48 VDC转换为正电压的PoL拓扑之一。许多电信PoL设计人员使用有源钳位正激式转换器来实现反相降压-升压设计。此外也使用其他电路形式,例如推挽式、半桥式或全桥式转换器。好处是变压器泄漏的大部分能量可以通过其近乎无损的回收方法回收。对于PoL设计人员而言,首先了解有源钳位复位固有的基本时序是非常重要的。事实上,钳位电容的尺寸选择不当可能会导致PoL占空比增加,进而造成变压器饱和,并对主开关的长期可靠性造成影响。图2显示了传统的低侧变压器复位有源钳位正激式转换器电路设计。变压器复位机制包括CCLAMP和Q1。

图2.传统的低侧变压器复位钳位有源正激设计
与有源钳位相关的一些缺点包括需要准确地确定钳位电容的大小。电容值越大,产生的电压纹波越小,但会带来瞬态响应限制。有源钳位正激拓扑需要使用先进的控制技术,以实现有源钳位和主开关栅极驱动之间的延迟时序同步。与有源钳位相关的另一个缺点是,如果未能钳位到某个最大值,增大的占空比可能会导致变压器饱和,或给主开关带来额外的电压应力,这可能造成灾难性后果。最后,有源钳位正激式转换器是单级DC-DC转换器。随着功率水平的提高(例如,5G系统中800 W设备正在成为常态),多相设计将为这些高耗电应用带来更多优势。单相转换器无法提供使用多相交错操作带来的任何收益。此外,有源钳位正激设计无法将较低输出功率设计类似的结果扩展到更高输出功率。下一节将介绍反相降压-升压转换器MAX15258 。 图3为5G宏基站或毫微微基站的RRU板电源的典型简化框图。热插拔控制器几乎普遍放在-48 VDC转换器的前面。全功能-48 VDC热插拔电源管理器的示例包括ADM1073 和LTC4284,都非常适合这些应用。

图3.5G宏基站电源框图
重点IC器件
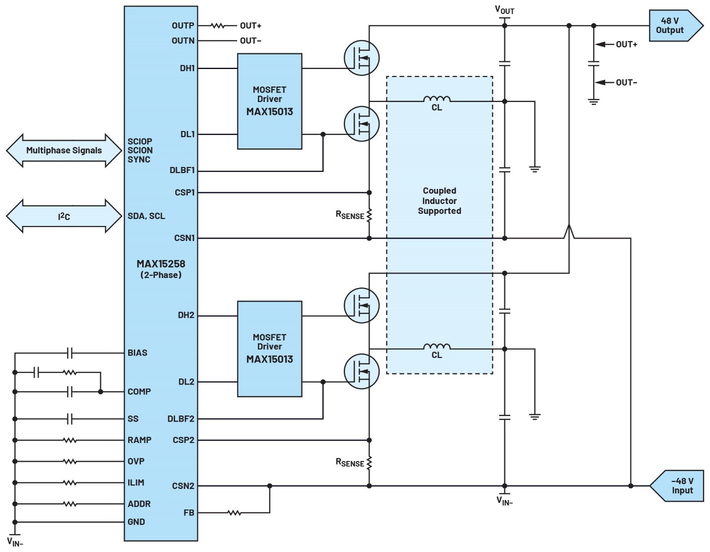
MAX15258是一款具有I2C数字接口的高压多相升压控制器,可在单相或双相升压/反相-降压-升压配置中支持多达两个MOSFET驱动器和四个外部MOSFET。两个控制器可以堆叠,以构成三相或四相配置。该器件以适当的相移量驱动各相,尽可能有效地消除纹波。配置为反相降压-升压转换器时,MAX15258具有一个内部高压反馈电平转换器,用于对输出电压实施差分检测。图4为实现交错式两相反相降压-升压设计的简化框图。

图4.两相交错反相降压-升压的简化框图
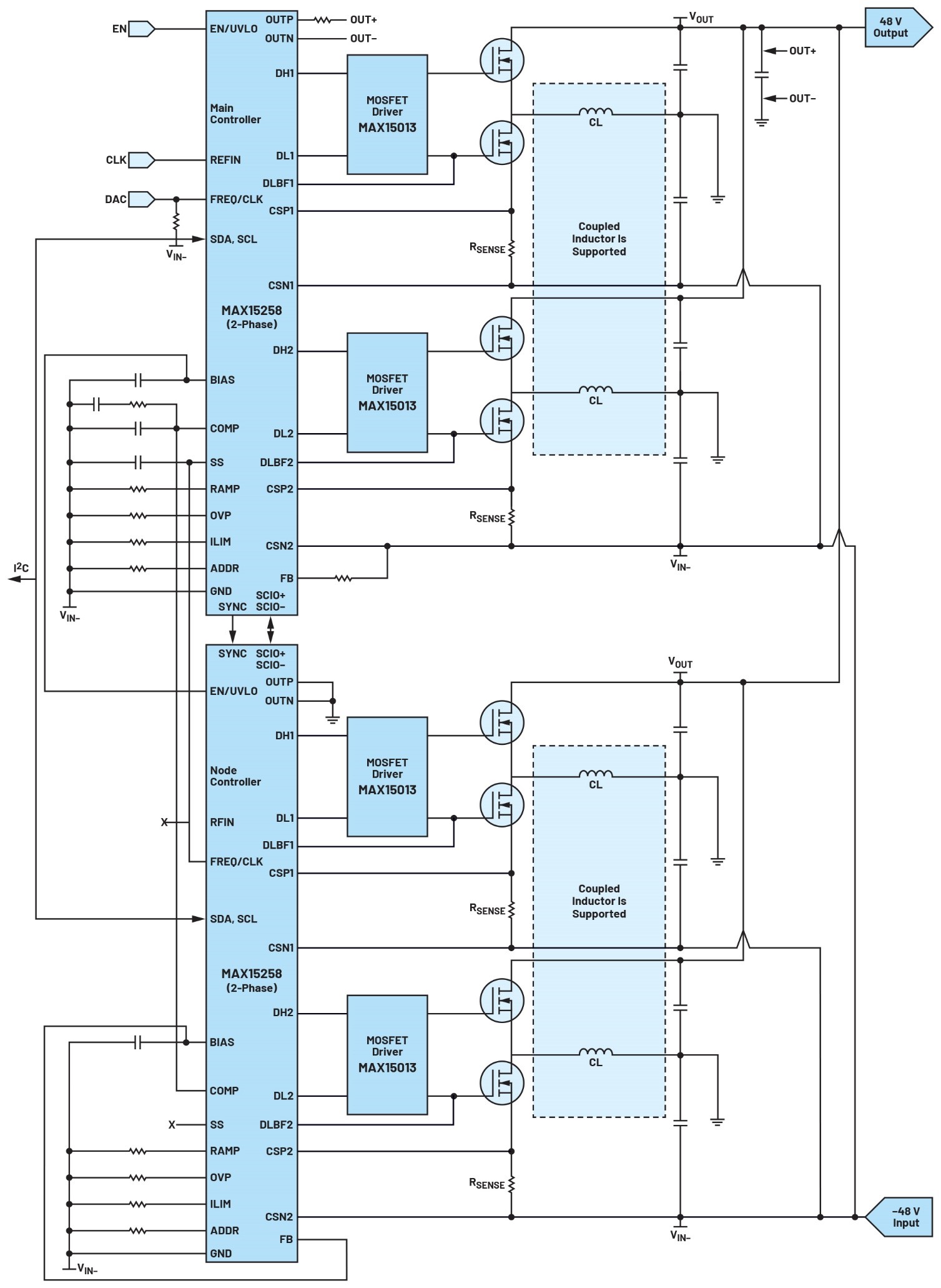
借助该IC,与正激式转换器设计不同,设计人员在设计计算步骤中无需考虑可能存在的(15%至20%)相位不平衡。该控制器依靠固定频率峰值电流模式架构来调节输出,这种架构可提供快速瞬态响应。器件数据手册中显示了控制环路的详细框图。该器件通过RSENSE监测每相的低侧MOSFET电流,并使用差分电流检测信号,以确保在主机-节点配置中堆叠两个MAX15258 IC时实现正确的有源相电流平衡行为。电流不平衡将作为反馈应用于逐周期电流检测电路,这有助于调节,使负载电流在两相之间实现均流。在三相或四相操作中,节点器件使用差分(CSIO+、CSIO-)信号将其平均电流传送至主机控制器。正是这种准确的电流平衡特性使得MAX15258对PoL设计人员非常有吸引力。图5显示了四相交错反相降压-升压-48 VIN至+48 VOUT 800 W电源,其中CSIO+和CSIO-信号连接两个控制器。请注意,两个器件的SYNC引脚也已连接,以确保协调相位交错方案的时钟同步。

图5.四相交错反相降压-升压-48 VIN至+48 VOUT 800 W,CSIO+和CSIO-信号连接控制器
同样,MAX15258本质上是一个以相对较低的频率运行的升压转换器。这自然会降低开关损耗,而开关损耗是这些转换器中最重要的功率损耗因素。该器件支持高达1 MHz的开关频率。在多相操作中,各相并行运行,并且都以相同的频率运行(但交错)。总等效频率为N × Freq,其中N是相数,但损耗是每个转换器的频率损耗。交错实现方案会在一定程度上抵消输出电容的纹波电流。输入纹波电流大大降低,因此可以使用更小的输入电感。使用ADI获得专利的耦合电感(CL)技术还有助于衰减输出纹波电流,从而可以使用较便宜且纹波电流额定值较低的电容。这导致效率提高,同时总体PoL PCB尺寸减小。本质上,它以很高的等效总频率提供大量输出功率,但每个转换器在低损耗区域以低频率运行。通过这一巧妙设计,使MAX15258成为-48 VDC转换的先进解决方案。
有源钳位正激拓扑限制了实现占空比的能力,使得某些VIN和VOUT组合难以工作。随着电信OEM在同一平台上组合不同频段,支持不同PA输出电压范围的能力已成为一项硬性要求。有源钳位正激式转换器的输出功率有限。MAX15258满足IPC9592B引脚间隙或PCB导体间距要求,支持高达56 V的峰值电压。IPC9592B标准提供了一个公式来计算30 V至 ~100 V工作电压下的PWB表面间隙,即:间隙(mm) = 0.1 + VPEAK × 0.01(例如,在56 V情况下,高压引脚与其他引脚之间的间隙为0.66 mm)。
归根结底,有源钳位正激式转换器需要太多复杂的步骤才能确保变压器不会饱和。然而,MAX15258会自动使电压反相,以非常高的效率提供非常高的输出功率,并具有出色(更高)的占空比能力。这些特性支持可扩展和可堆叠(最多四相)平台设计,提供灵活且稳定的占空比控制,以适应较宽的VIN和VOUT范围。图6显示了基于耦合电感的MAX15258 800 W参考设计在不同VIN和VOUT条件下的效率曲线。这些曲线清楚地表明,由于传导损耗较低,效率可达到98%或更高,非常出色。所有这一切都是以较低的相对BOM成本实现的。

图6.MAX15258 CL 800 W参考设计在不同VIN和VOUT条件下的效率曲线
通过I2C数字接口,用户可以从MAX15258读回大量遥测信息,包括VIN、VOUT、相电流和故障状态。此外,输出电压可以通过数字接口动态设置。图7a显示了MAX15258 CL 800 W参考设计在-48 VIN和+48 VOUT (16 A IOUT)条件下,以稳态负载电流工作时测得的伯德图。结果显示,相位裕量为74.4°,增益裕量为-20.7 dB。图7b显示了负载瞬态响应曲线。可以观察到,开关边沿非常干净,过冲几乎为零,振铃为零。

图7.(a) 以稳态负载电流工作时测得的伯德图;(b) 负载瞬态响应:Ch3—VOUT (AC),1 V/div;Ch2—ILOAD,10 A/div。
结论
网络运营商将不得不在更多的地方,以超越以往的更快速度安装更多小型基站。当然,这些产品中的PoL需要非常高效,额定电源转换效率至少要达到98%。MAX15258高压反相降压-升压控制器设计具有高性价比、高效率且可扩展的优点,允许在同一PCB布局上轻松添加和删除相位。这些优势有助于电源转换器设计人员提高电源转换效率。ADI公司将继续应对这些难题和类似的挑战,充分运用电源架构方面的丰富专业知识,面向5G市场开发更多的-48 VDC高功率转换解决方案。
关于ADI公司
Analog Devices, Inc. (NASDAQ: ADI)是全球领先的半导体公司,致力于在现实世界与数字世界之间架起桥梁,以实现智能边缘领域的突破性创新。ADI提供结合模拟、数字和软件技术的解决方案,推动数字化工厂、汽车和数字医疗等领域的持续发展,应对气候变化挑战,并建立人与世界万物的可靠互联。ADI公司2022财年收入超过120亿美元,全球员工2.4万余人。携手全球12.5万家客户,ADI助力创新者不断超越一切可能。更多信息,请访问www.analog.com/cn。
关于作者
Hamed M. Sanogo是ADI公司全球应用部门的云和通信终端市场专家。Hamed拥有密歇根大学迪尔本分校的电子工程硕士学位,之后还获得了达拉斯大学的工商管理硕士学位。在加入ADI公司之前,毕业后的Hamed曾在通用汽车担任高级设计工程师,并在摩托罗拉系统担任过高级电气工程师以及Node B和RRH基带卡设计师。在过去的17年里,Hamed担任过不同的职务,包括FAE/FAE经理、产品线经理,目前是通信和云终端市场专家。