
作者: Xingxuan Huang,高级应用工程师
Xinyu Liang,产品应用部高级经理
Chuan Shi,应用工程师
摘要
对于需要数千安培大电流的应用来说,具有极快动态响应的稳压器(VR)是非常合宜的。本文介绍基于变压器的稳压器,其采用跨电感电压调节器(TLVR)结构,设计用于在负载瞬变期间实现极快响应。采用TLVR结构的基于变压器的稳压器克服了传统TLVR结构的缺点,提供很大的设计灵活性和极快的瞬态响应,因而输出电容和解决方案尺寸更小,系统成本更低。文中提供了详细的实验结果和案例研究,以展示采用TLVR结构的基于变压器的稳压器具备的综合优势。
简介
如今,随着多相稳压器用于为CPU、GPU、ASIC等各种微处理器供电,其重要性与日俱增。近年来,这些微处理器的功率需求一直在急剧增加,特别是在电信和一些新兴应用中,如加密货币挖矿和自动驾驶系统。因此,微处理器需要更高摆率的更大电流。这就要求稳压器在负载瞬变期间具有更快的动态响应,以满足输出电压纹波要求。从系统尺寸的角度来看,极快的动态响应可减小所需的输出电容并缩小输出电容的尺寸,因而非常有吸引力。此外,更小且更少的输出电容有利于降低系统成本。本文将介绍一种基于变压器的稳压器解决方案,它采用TLVR结构,旨在实现极快的负载瞬态响应,并大幅缩减输出电容的尺寸和成本。在基于变压器的稳压器解决方案中引入TLVR结构后,TLVR结构的传统挑战可以很容易地解决。
本文将详细说明如何设计和实现,并通过基于实际应用的案例研究展示其综合优势。还应注意的是,本文中的设计和实现细节目前正在申请专利。
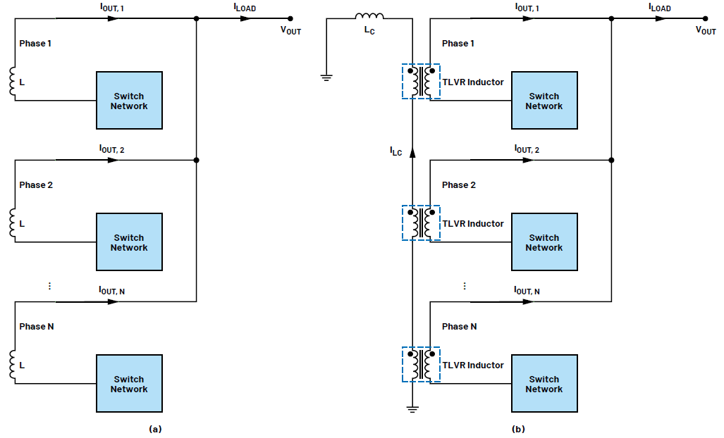
TLVR结构能够有效加速多相稳压器负载瞬变期间的动态响应1,2,3。如图1所示,TLVR结构用TLVR电感取代了传统多相稳压器中的输出电感。TLVR电感可以被视为一个1:1变压器,它具有一个初级绕组和一个次级绕组。所有TLVR电感的耦合是通过连接所有TLVR电感的次级绕组来实现的。TLVR电感副边的电流ILC由所有不同相位的控制信号决定。由于耦合效应,一旦稳压器的一个相位的占空比改变以响应负载瞬变,那么所有相位的输出电流可以同时斜坡上升或下降。这就是TLVR结构能够实现出色负载瞬变性能的原因。
基于变压器的稳压器
基于变压器的稳压器一直是各种微处理器的有竞争力的电源解决方案。基于变压器的稳压器配备了降压变压器,具有很高且灵活的降压比、简单紧凑的结构和高效率。与无变压器的多相稳压器相比,基于变压器的稳压器允许更高的输入电压,从而为简化稳压器设计和实现更高效率开辟了一个全新的世界。
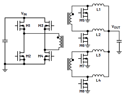
图2显示了基于变压器的稳压器的一个代表性示例的电路图。该稳压器电路具有一个降压变压器,其副边上有两个次级绕组和一个电流倍增器结构。可以设计更多的次级绕组来实现更高的输出电流和功率密度,并且副边上不需要额外的控制信号。通过适当的控制电路和策略,图2中的多个示例稳压器电路可以很容易地并联起来,以便为各种高性能微处理器提供所需的电流。因此,本文通篇以图2所示的稳压器电路为例。

图1.(a)无TLVR结构的传统多相稳压器的电路图,(b)采用TLVR结构的多相稳压器的电路图

图2.一个基于变压器的稳压器示例的电路图
TLVR结构在基于变压器的稳压器中的优势
TLVR结构可以显著加速没有任何降压变压器的稳压器在负载瞬变期间的动态响应,这点已经得到了很好的证明。然而,这种出色的动态性能伴随着许多挑战1,2,3。在没有任何降压变压器的情况下,无变压器稳压器通常以低占空比工作,TLVR电感的原边和副边均施加高电压。TLVR电感副边的高伏秒导致TLVR电感副边存在高环流,并在稳态工作期间产生额外的功率损耗。因此,如图1b所示,应添加电感LC以限制TLVR电感次级绕组中的环流1。额外的电感会进一步增加系统损耗和成本。
在基于变压器的稳压器中引入TLVR结构后,TLVR结构带来的挑战可以顺利化解。TLVR结构与降压变压器相结合时,由于主变压器的高降压比,TLVR结构的缺点变得不那么明显。同时,耦合效应推动所有相位的电流在负载瞬变期间同步响应,因此仍然可以实现极快的动态响应。由于降压变压器,施加到TLVR电感的电压变得更低,从而降低电感损耗。TLVR电感副边所需的附加电感可以低得多。事实上,可以利用寄生电感来消除附加电感,这样附加电感带来的额外损耗和成本也就不存在。此外,与TLVR电感和附加电感相关的绝缘问题也不再是问题。
采用灵活TLVR结构的基于变压器的稳压器
在采用TLVR结构的基于变压器的稳压器中,电路中的所有输出电感都被TLVR电感取代。此外,当在基于变压器的稳压器中应用TLVR结构时,有两类方案可以实现,这为此结构的实施提供了很大的灵活性。图3以图2所示的两个并联稳压器模块为例,显示了这两类实现的电路图。图3a中的实现称为串联连接,因为TLVR电感的所有次级绕组都是串联。图3b所示的另一种实现称为串并联连接。在模块1中,L11和L12的次级绕组串联连接,然后与串联连接的L13和L14的次级绕组并联。模块1中TLVR电感次级绕组的这种连接最终与模块2中的对应连接串联,如图3b所示。类似地,当两个以上的基于变压器的稳压器模块并联连接时,可以将图3所示的TLVR结构实现两次。
设计和实现上增强的灵活性并不会增加控制的复杂性。采用TLVR结构的基于变压器的稳压器的两种实现采用相同的控制方案。这里以三个模块并联的基于变压器的稳压器为例来介绍控制方案。在不同稳压器模块的控制信号之间插入相移。模块1和模块2之间插入的相移为60°,模块2和模块3的控制信号之间插入60°的相移。如果有N个模块并联,则两个相邻模块之间插入的相移为180°/N。
基于所提出的控制方案,可以推导出施加到所有TLVR电感的电压。图4总结了两个模块并联的基于变压器的稳压器中所有TLVR电感的电压波形。由于图3中的两种实施方式具有相同的控制信号,因此电感电压波形也相同。还可以观察到,L11和L13具有相同的电压波形,L12和L14也是如此。这些电感电压波形有效地解释了为什么图3b中的串并联连接是合法的。TLVR电感副边的电流Isec具有高频纹波,其频率为主降压变压器原边中的MOSFET开关频率的4倍。当N (N > 2)个模块并联时,Isec的电流纹波将处于更高的频率(2N×开关频率),并且Isec的幅度可能进一步降低。因此,所提出的相移控制方案不仅能够减小输出电压纹波,而且可以有效抑制Isec的纹波,从而降低TLVR电感副边的传导损耗。
此外,采用TLVR结构的基于变压器的稳压器中不需要额外的电感。与额外电感相关的额外成本和损耗也就不存在,因此系统的效率和成本大大受益。由于变压器降压比很高(n很小),因此与采用TLVR结构的无变压器稳压器相比,TLVR电感的电压显著降低。所以,没有必要在TLVR电感的副边引入额外补偿电感Lc来抑制电流纹波。有关TLVR电感电压的详细信息可参见图4。在这种情况下,电路中的寄生电感和TLVR电感的漏感在TLVR电感副边的电流(Isec)整形中起着关键作用。为了进一步提高负载瞬变期间的动态性能,降低TLVR电感副边的漏感和寄生电感很重要。

图3.两个并联的采用TLVR结构的基于变压器的稳压器模块的两种实现:(a)串联连接,(b)串并联连接

图4.采用TLVR结构的基于变压器的稳压器模块(两个模块并联)中TLVR电感的电压和次级电流波形
原型和实验结果
我们设计并构建了采用TLVR结构的基于变压器的稳压器模块的两种实现方案,包括串联版本和串并联版本。图5a显示了典型TLVR电感的3D模型。构建的模块原型参见图5b。两个版本的尺寸与无TLVR结构的版本相同。换句话说,无论实施串联连接还是串并联连接,采用TLVR电感以实现TLVR结构都不会增加稳压器模块的尺寸。
使用所构建的原型成功展示了采用TLVR结构的基于变压器的稳压器的极快负载瞬变性能。实验设置由两个并联运行的稳压器模块组成,如图5b所示。TLVR电感的副边没有安装额外电感。负载瞬变在20 A至170 A之间,摆率为125 A/µs。图6所示的基线比较以串并联版本为例,清楚地展示了采用TLVR结构的基于变压器的稳压器的出色负载瞬变响应。为了进行公平比较,无TLVR结构的情况是通过断开TLVR电感副边连接来实现的。当负载电流从20 A上升到170 A时,采用TLVR结构的基于变压器的稳压器可以更快速地调节输出电压,峰峰值电压纹波要低得多。
经过进一步改进,采用TLVR结构的基于变压器的稳压器可实现极快的负载瞬变响应。详细的瞬变波形如图7所示。在从20 A到170 A的相同瞬变下,得益于TLVR结构带来的极快响应,峰峰值输出电压纹波仅为23.7 mV。采用TLVR结构大大加快了动态响应,峰峰值输出电压纹波因此降低62%。测得的115 kHz的高控制带宽也证明了TLVR结构能够实现极快的负载瞬变响应。详细比较总结在表1中。

图5.(a) TLVR电感的3D模型,(b)采用TLVR结构的两个基于变压器的稳压器原型在演示板上并联
表1.采用TLVR结构和无TLVR结构的基于变压器的稳压器的动态响应比较
结构 | 采用TLVR结构 | 无TLVR结构 |
输出电容 | 15.2 mF | 15.2 mF |
电压纹波(峰峰值) | 23.7 mV | 62 mV |
控制带宽 | 115 kHz | 45 kHz |
相位裕量 | 69° | 40.7° |

图6.采用TLVR结构和无TLVR结构的基于变压器的稳压器的负载瞬变响应比较

图7.采用TLVR结构的基于变压器的稳压器的极快负载瞬变响应
案例研究
为了进一步展示将基于变压器的稳压器与TLVR结构相结合的优势,本节介绍一个基于变压器的稳压器的案例研究,其规格要求来自实际应用。采用和不采用TLVR结构的两种基于变压器的稳压器解决方案都进行了实现和测试,以提供0.825 V/540 A供电轨。规格和测试结果的详情总结在表2中。在相位裕量和增益裕量相当的情况下,采用TLVR结构的基于变压器的稳压器解决方案实现了比不采用TLVR结构的稳压器解决方案高61%的控制带宽。因此,这再次证明了TLVR结构支持极快的瞬变,如图8所示。峰峰值输出电压纹波仅为40.92 mV,比0.825 V输出电压的5%还低。
与不采用TLVR结构的稳压器解决方案相比,采用TLVR结构的稳压器解决方案节省了39%的输出电容,但仍实现了低得多的峰峰值电压纹波。因此,输出电容数量减少27%,导致系统解决方案尺寸大大减小。此外,由于TLVR结构支持极快的瞬变响应,输出电容的成本可以减少43%。
一般来说,采用TLVR结构的基于变压器的稳压器具有极快的动态响应,可以有效减小输出电容,同时在快速负载瞬变期间仍能保持低输出电压纹波。另外,采用TLVR结构的基于变压器的稳压器中不需要额外的电感。因此,采用TLVR结构的基于变压器的稳压器解决方案不仅可以显著减小解决方案总体尺寸,还能大幅降低解决方案成本,尤其是输出电容成本。两种可用实现方案进一步带来了很大的灵活性,同时控制复杂性并未增加。

图8.采用TLVR结构的基于变压器的稳压器在150 A至350 A负载瞬变下的极快负载瞬变响应(三个稳压器模块并联)
表2.基于变压器的稳压器解决方案案例研究,规格来自客户
结构 | 采用TLVR结构的稳压器解决方案 | 无TLVR结构的稳压器解决方案 |
输出电流 | 540 A | 540 A |
输出电压 | 0.825 V | 0.825 V |
稳压器模块数 | 三个并联 | 三个并联 |
开关频率 | 550 kHz | 550 kHz |
电压纹波(峰峰值) | 40.92 mV | 61.15 mV |
控制带宽 | 55 kHz | 34.2 kHz |
相位裕量/增益裕量 | 78.8°/9.9 dB | 65.5°/10.4 dB |
总输出电容 | 24.88 mF | 40.92 mF |
输出电容数 | 74 | 101 |
输出电容成本 | $9.50 | $16.75 |
结语
在广泛的应用中,微处理器消耗更高摆率的更大电流,因此微处理器的稳压器解决方案需要具有更快的动态响应。本文介绍了采用TLVR结构的基于变压器的稳压器,它能在微处理器的负载瞬变期间实现极快的动态响应。通过将基于变压器的稳压器与TLVR结构相结合,由于主变压器的降压比很大,TLVR结构的传统挑战可以很容易地解决。TLVR电感的过大损耗可以显著降低,并且不需要额外的补偿电感,因而损耗和成本更低。此外,当在基于变压器的稳压器中实现TLVR结构时,有两类方案可以采用,这为设计和实现提供了很大的灵活性。这两种实现方案可以使用相同的控制方案来控制许多并联的稳压器模块。实验结果证明,与无TLVR结构的稳压器相比,这两种实现方案都能实现极快的负载瞬变响应,控制带宽高2.56倍,峰峰值电压纹波低62%。一个详细的案例研究进一步展示了采用TLVR结构的基于变压器的稳压器在解决方案尺寸和成本方面的综合优势。
参考文献
1.“快速多相跨电感电压调节器”。Technical Disclosure Commons,2019年5月。
2.Ming Xu、Yucheng Ying、Qiang Li和Fred C. Lee。“新型耦合电感多相稳压器”。IEEE APEC,2007年2月。
3.Shreyankh Krishnamurthy、David Wiest和Yosef Zhou。“跨电感电压调节器(TLVR):电路运行、功率磁结构、效率和成本的权衡”。PCIM Europe,2022年5月。
关于ADI公司
Analog Devices, Inc. (NASDAQ: ADI)是全球领先的半导体公司,致力于在现实世界与数字世界之间架起桥梁,以实现智能边缘领域的突破性创新。ADI提供结合模拟、数字和软件技术的解决方案,推动数字化工厂、汽车和数字医疗等领域的持续发展,应对气候变化挑战,并建立人与世界万物的可靠互联。ADI公司2022财年收入超过120亿美元,全球员工2.4万余人。携手全球12.5万家客户,ADI助力创新者不断超越一切可能。更多信息,请访问www.analog.com/cn。
关于作者
Xingxuan Huang是ADI公司(美国加州)的高级应用工程师,主要负责电源产品。他于2019年和2021年分别获得田纳西大学诺克斯维尔分校电气工程硕士学位和博士学位,研究方向是电力电子。
Xinyu Liang是ADI公司工业和多市场部门的应用工程经理,主要负责电源产品。他于2018年获得美国北卡罗来纳州立大学电气工程博士学位,并在毕业后于2019年开启在ADI公司的职业生涯。
Chuan Shi是ADI公司(美国加州)的应用工程师。他以优异的成绩从美国马里兰大学帕克学院获得电气工程博士学位。他的专长是汽车、工业和通信应用的电力电子转换器的建模、分析、设计和控制。