
作者: Diarmuid Carey,核心应用部应用工程师
问题:
能否在不构建专用硬件的情况下制作充电宝应用原型?

答案:
对于这个问题,简短回答是肯定的,而且由于多年来许多客户问过这个问题,所以本文旨在更详细地探讨此话题。本文将回顾使用现有评估板开发应用的过程,讨论所遇到的挑战,并概述关于进一步修改和改进的建议。
简介
理想情况下,任何电源设计都应该从一些基本的概念验证测试开始,这通常涉及测试现有演示板。本演示只是简单地执行该预先存在的步骤(在演示硬件上测试单电源轨),并在此基础上进行扩展,以利用演示硬件得到一个工作系统。此外,由于本演示需要在相对较短的时间内完成,采用典型开发流程——设计、布局、构建、装配和测试(加上任何设计迭代)——是不可能的,因此系统原型完全是利用现成的硬件制作的。
应用
为了回答本文开头提出的问题,有必要选择一个高级应用作为起点,以证明它是可能的。因此,充电宝应用被选用来进行概念验证。每个电子项目都离不开电源管理,因此可以选择任何其他应用。
充电宝是一种非常常见的应用,大多数消费者都遇到过并使用过——例如,许多旅行者会携带一个充电宝,以确保其手机在长途旅行中有电可充。充电宝本质上是一个电池包(容量随价格和所需的范围而不同),有一个或多个USB-A端口,与一个USB-C输入端口对其充电。当然,在此基本功能之上添加其它复杂功能也是可能的。例如,可以增加一个无线充电板或一个输入,以便户外爱好者使用太阳能对充电宝充电。
请访问ANALOG.COM
此应用包括的选项有通过太阳能给电池充电,或通过标准12 V AC-DC壁式电源适配器的直流输入进行充电。输出包括一些基本USB-A充电端口(总共两个),其产生5 V电压,用于移动电话和一系列USB供电的电子设备。
硬件选择
电源选择——LTC4416
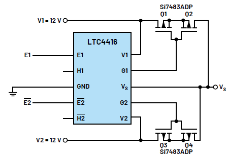
在本示例中,设计将支持两个输入电源(一个太阳能电池板和一个AC-DC壁式电源适配器,后者只是一个简单的AC-DC电源)。出于这个原因,设计需要一种称为功率路径优先排序器的灵巧器件,它不仅要根据哪个电源可用而智能切换电源,而且要管理两个电源都可用的情况,将优先级赋予一个电源或另一个电源。一个简单的实现版本是使用一些简单的二极管——通常连接二极管的两个阴极,并将阳极连接到相应的电源。遗憾的是,由于典型二极管固有的压降(约0.6V),这种特殊配置存在损耗,而且它也不支持实现任何巧妙的选择标准,例如优先级选择。它只允许较高电位的输入通过。
对于这种情况,LTC4416可以发挥作用——它不仅用效率更高的PFET取代了有损耗的二极管,而且允许指定优先级。在这种特殊应用中,壁式电源适配器将始终拥有较高优先级。这样,当壁式电源可用时,设计就能利用该电源(并获得更高的电流)。该器件非常灵活,可根据设计要求支持多种工作模式。表1(来源于LTC4416数据手册)显示了工作模式。
表1.LTC4416数据手册中的工作模式
E1 | 工作模式 | IG(OFF)1 | IG(OFF)2 | |
1 | 0 | 负载分配 | 使能 | 使能 |
1 | 检测 | V1小于V2 | 使能 | |
检测 | 0 | V1大于V2 | 使能 | |
0 | X | 通道1禁用 不使用 | 禁用 | |
X | 1 | 通道2禁用 不使用 | 禁用 | |
0 | 1 | 两个通道均禁用 | 禁用 | 禁用 |

图1.LTC4416典型应用电路
开关式降压电池充电器——LTC4162-L
电池充电器之所以选择LTC4162-L,是因为它具有宽输入电压范围(高达35 V)和3.2 A的充电能力,并且集成了FET设计,使得解决方案尺寸很小。这是一种常用的全功能充电器IC,具有很大的应用灵活性,支持许多电池化学组成,如LiFePO4、锂离子、铅酸等,并且有I2C接口,允许用户提取遥测信息。该特定应用选择它不仅是因为上述输入和电池电压的灵活性,还因为它的集成特性有助于使解决方案尺寸保持最小。它的另一个实用特性是最大功率点跟踪(MPPT)——如果太阳能作为您设计的可能输入电源之一,那么MPPT就是必备功能,用以确保设计尽可能多地获取可用功率。LTC4162还有内置电源路径控制,该功能在此应用中很有用,当输入电源被移除时,可以向输出端子提供电池电压以供下游使用。

图2.LTC4162-L典型应用电路

图3.CN0509应用电路
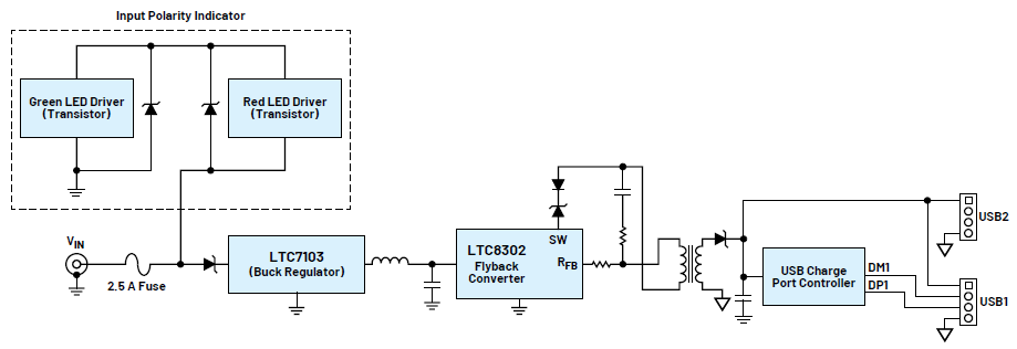
USB充电解决方案——CN0509
为连接的设备提供USB充电电压所选择的电路板来自我们的Circuits from the Lab®参考设计和解决方案集合。通常,评估板上仅显示单个器件,以允许对该特定器件进行评估。然而,Circuits from the Lab电路板是一种更注重解决方案的实现,它利用ADI公司不同产品系列中的几款产品来解决特定系统需求。
CN0509被设计成一种宽输入范围、双USB电源充电器。它是为自然灾害或长时间停电等紧急情况使用而开发的。例如汽车电池就可以作为该充电器的电源,大多情况下这是可以提供。该电路板可以由汽车电池供电,提供两个5 V端口;为了安全起见,这两个端口与初级电压隔离。您还可以提供其它各种电源,例如散装电池组,或者将电机用作一个简单的发电机。CN0509具有宽输入电压范围,能够在5 V至100 V范围内的任何电源下运行。鉴于上述所有原因,它成为与现有电路板配合使用的理想选择,可提供充电宝所需的USB充电输出。
它还内置极性反接保护功能,可保护电路免受错误连接电源的影响。此外,它利用隔离式反激转换器将充电器输出与输入电源隔离,这在使用-48 V通信备用电源作为电源时特别有用。使用这种电源可能会导致手机被充电到-48 V,并造成危险的情况。隔离式转换可防止这种情况发生。还有一点需要注意的是,CN0509板相当小,这在很大程度上要归功于所选的高效IC和非光学反激式LT8302。一个关键的差异化因素是反激转换器LT8302不需要隔离光反馈路径。
该板上有两个USB端口:一个是标准USB端口(不连接D+/D-),另一个端口有一个DCP控制器来监视USB数据线电压,以便支持快速充电,在5 V时提供最大2 A充电电流。能否实现这种较高水平的充电电流,取决于所采用的输入电压。根据图4所示的性能曲线,12 V为最佳电压。

图4.CN0509最大充电电流与VIN的关系
电源
选择的主电源是60 W AC-DC 12 V适配器,这是LTC4416演示板的一个输入。我们还购买了一个相对较小的太阳能电池板来提供一个替代输入电源,不过该项目是为室内活动而开发,永远不会有足够的照明可用来为太阳能电池充电以提供合理水平的电源,因此包含该功能只是为了演示电源路径优先排序器的能力和功能。
该设计被开发成一个充电宝,因此它需要一个电池组来充当储能元件。与电池相关的运输限制是非常严格的。此演示是专门开发的,可以购买一般电池组,收到后插入其中就能运行演示。基于这一限制,我们选择了可充电的2节串联锂离子电池组来运行演示,该电池组产生的标称电压为7.4V,容量为2600 mAh。值得注意的是,如果需要,可以很容易地安装更大容量的电池。

图5.充电宝应用树

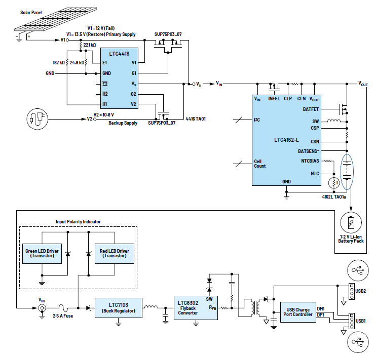
图6.原型的系统图
演示构建
从构建的角度来看,硬件是标准件,因此除了对LTC4416阈值进行一些调整以确保输入电源具有正确优先级之外,不需要进行任何电气修改。为使演示在视觉上更具吸引力,电路板使用一些标准金属支架安装在简单的黑色有机玻璃板上。
为手机提供的充电电流由一个简易USB电表监视。此设备直观地显示有多少电流可以给出席者的手机充电。

图7.一个功能演示系统
工作性能
演示系统有效执行了其核心功能。它从两个备选电源轻松地为电池组充电,电源之间的切换由电源路径优先排序器很好地控制,CN0509令人满意地为连接的USB设备充电。该充电宝还有一个许多充电宝不具备的有用功能,即它能够同时为电池组和连接的USB设备充电。例如,我自己的充电宝(许多人会认为它相当高端)就不能同时为手机和充电宝本身充电,这个限制令人沮丧。
USB端口的充电电流受LTC4162能力的限制,其内部FET设计提供最大3.2 A的电流,大部分电流在充电过程中被送至电池。剩余电流可以通过USB充电器端口使用。
只要移除输入电源,LTC4162演示板上的电源路径FET就会确保电池电源重定向到输出端口,因此CN0509和USB端口总是有电源。此模式下可用充电电流会下降,其曲线如图4所示,原因是CN0509的输入源现在是电池电压,其标称值为7.4 V。
后续步骤
一旦已使用一些简单现成的演示板证明应用能有效工作,下一个合理的步骤便是开发产品原型,从最初的原型工作中吸取经验,并将其集成到最终解决方案中。其中一部分是修改所用电路板的现有原理图,移除多余的东西(测试点、连接器等)。然后,用户可以开始PCB开发,此时我们为每个器件提供的资源的重要性和有用性将会展现。例如,优化的演示板布局是我们为每个器件提供的免费资源。虽然演示板看起来通常相当大,但这只是为了方便测试和使用器件。仔细观察电路板布局可以发现,为之开发电路板的IC和支持电路(电阻、电容、电感等)全都被设计在尽可能小的空间中,以允许客户将其纳入自己的布局。这将为客户提供信心,因为他们知道这是一个经过测试的设计,他们可以在试验台上进行验证,然后构建自己的版本。
对于最终应用,具有更高电压的更大容量电池将有助于优化提供给USB端口的充电电流量。
CN0509是一个很棒的设计,理想地满足了需求,但对于该特定应用,可以利用更纤薄的设计来降低充电宝的整体成本。例如,LTC7103 和输入极性保护电路对于这种设计是不必要的,隔离反激式电源可以直接从LTC4162的输出供电(AC-DC壁式电源适配器的12 V电压或市电电源断开后的电池电压)。
结论
使用一些现成的硬件和简单的电源制作一个充电宝或任何其他电源设计的原型,当然是可行的。本文清楚地表明,使用现有演示板硬件可以快速地为潜在项目提供概念验证,而无需在开发上投入太多。此外,在用户决心开展更集成的设计之前,这一相对较小但有价值的步骤将给用户带来信心。还有一点值得重申,电源设计(更具体而言是电源设计的布局)可能很有挑战性,因此利用可用资源来缩短整体开发时间是值得的。
关于ADI公司
Analog Devices, Inc. (NASDAQ: ADI)是全球领先的半导体公司,致力于在现实世界与数字世界之间架起桥梁,以实现智能边缘领域的突破性创新。ADI提供结合模拟、数字和软件技术的解决方案,推动数字化工厂、汽车和数字医疗等领域的持续发展,应对气候变化挑战,并建立人与世界万物的可靠互联。ADI公司2022财年收入超过120亿美元,全球员工2.4万余人。携手全球12.5万家客户,ADI助力创新者不断超越一切可能。更多信息,请访问www.analog.com/cn。
关于作者
Diarmuid Carey是欧洲中央应用中心的应用工程师,工作地点在爱尔兰利默里克。他自2008年以来一直担任应用工程师,并于2017年加入ADI公司,为欧洲的众多市场客户提供Power by Linear™产品组合的设计支持。他拥有利默里克大学计算机工程学士学位。