
作者:深圳市永阜康科技有限公司 梁雄
引言
10W以上功率的户外蓝牙音箱以多节锂电及铅酸电池为供电电源,为了突破因供电电压局限导致输出功率不够,很多电子工程师采用升压芯片将电池电压升高后给功放IC供电,从而保证有足够大的功率输出。锂电池、铅酸电池供电的户外蓝牙音箱如何选择合适的升压+音频功放IC呢?
一般分为以下三个步骤:
一、确认音箱系统的电源。如单节电池?双节电池?或是3节锂电池?铅酸电池等。
二、确定所需的功率以及所选喇叭的直流阻抗。如单声道还是立体声?功率是10W?20W?还是50W等。喇叭是4欧?8欧还是3欧等。根据这些前提条件选择合适的功放IC;
三、确定音箱系统电源和输出功率后,判断是否需要升压。需要升到多少V?输出多大电流?从而选择合适升压芯片。
但是现在升压芯片、功放芯片品类繁多,管脚互不兼容,工程师在芯片选型中无所适从。往往要根据不一样的指标要求,选择不同型号的升压、功放芯片进行搭配。繁杂的PCB设计、材料选型等,增加了工作量,拖延了项目进度。
深圳市永阜康科技有限公司一直致力音频领域芯片的推广,总结市场应用痛点,现推荐一套升压+功放IC搭配应用组合,涵盖20-60W单双声道的应用。升压芯片、功放芯片系列管脚兼容,实现同一PCB,不同功率要求无缝切换,避免重复开发工作,缩短项目周期。
说明一:功放芯片HT366/HT328/HT338系列采用TSSOP-28封装、管脚兼容;
说明二:HT7180/HT7181/HT7182系列采用ESOP-8封装、管脚兼容;
说明三:双声道功放芯片系列,支持PBTL模式驱动单声道;
功放IC产品选型及参数如下表:
产品型号 | 典型功率 | 通道数 | 工作电压 | Rdson(mΩ) | 特殊说明 |
2×22W/14V/4Ω/THD+N10% | 2 | 4.5V-16V | 240mΩ | 具备防破音功能 | |
2×33W/22V/8Ω/THD+N10% | 2 | 4.5V-22V | 120mΩ | ||
2×50W/24V/6Ω/THD+N10% | 2 | 4.5V-26V | 70mΩ |
HT366/ HT328 /HT338功放IC脚位图以及管脚说明


升压IC产品选型及参数如下表:
产品型号 | 输入电压 | 输出电压 | 最大输入电流 | 开关类型 |
2.7V-12V | ≤12.5V | 10A | 非同步 | |
2.7V-16V | ≤17.5V | 14A | 非同步 | |
2.7V-19V | ≤22V | 15A | 非同步 |
HT7180/HT7181/HT7182升压IC脚位图以及管脚说明


锂电池、铅酸电池供电的户外蓝牙音箱的升压+音频功放IC组合应用说明
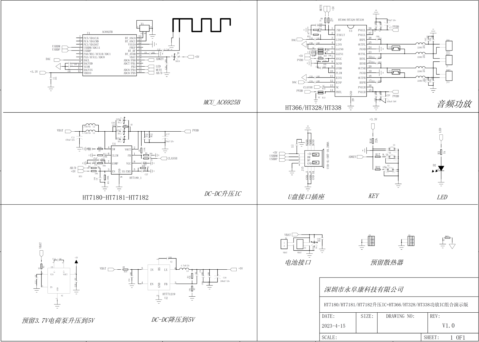
1.HT7180/HT7181/HT7182升压IC+HT366/HT328/HT338功放IC组合演示板原理图

2.HT7180/HT7181/HT7182升压IC+HT366/HT328/HT338功放IC组合演示板PCB顶层设计图

3.HT7180/HT7181/HT7182升压IC+HT366/HT328/HT338功放IC组合演示板PCB底层设计图

4.HT7180/HT7181/HT7182升压IC+HT366/HT328/HT338功放IC组合演示板贴片图

5.HT7180/HT7181/HT7182升压IC+HT366/HT328/HT338功放IC组合演示板物料清单

6.HT7180/HT7181/HT7182升压IC+HT366/HT328/HT338功放IC组合演示板实物图
