

开关电源为什么要测控制环路响应
当你发现信号完整性不好时, 会不会是电源完整性带来的问题?当你发现时钟抖动很大时,会不会是电源质量不好?当你发现系统有误码时,会不会是电源的控制环路不稳定?电源完整性(PI)和信号完整性(SI)是相互影响的,信号质量不好,大概率电源不好,电源质量不好,信号质量肯定不好。
电源测试的三餐四季,人间烟火,不仅要测纹波噪声,还要测环路响应,让你的电源也有诗和远方。
随着电力电子技术的快速发展,电子设备与我们的工作、生活的关系日益密切,而电子设备都离不开可靠的电源,大部分电源和稳压器是为指定电流范围内保持稳定低噪声的电压输出而设计的。
开关电源是利用现代电力电子技术,控制开关晶体管开通和关断的时间比率,维持稳定输出电压的一种电源。
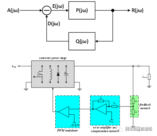
开关电源是一种高频开关式的能量变换电子电路,经常作为设备的电源供应,为保证输出对输入的准确响应,负反馈技术被广泛应用于电源稳压器、稳压器、电压基准芯片、运算放大器以及其它电子电路中。就电源稳压器来说,输入为一个准确的电压基准,负反馈的作用是通过取样输出电压与输入电压基准比较,存在差异或不正确信号时,进行放大并修正输出。当反馈环路稳定下来,输出将收敛于准确的电压值。当反馈环路处于非稳态时,那么输出结果将偏离或持续振荡。

理想的电源响应快,保持恒定输出,而又没有过多的振铃或振荡。控制环路测量有助于表征电源怎样对输出负载条件变化作出响应。控制环路稳定性不好会影响输出噪声、电源抑制比以及负载阶跃响应的性能等。这些性能不好将导致更多的系统性能变差,例如:时钟抖动变大、信噪比降低、信号完整性不好、系统误码率增加等。
负反馈环路的好坏直接影响电源平稳输出的能力,因此开关电源环路响应测试非常重要,大多数工程师都是基于其产品输出性能指标来反推环路特性,因此无法得到实际的环路增益曲线做针对性的电路整改,也无法判断相位裕度是否合适,最终导致无法保证设计产品的可靠性和稳定性。因此,要关注控制环路稳定性,必须要对开关电源的控制环路响应进行测试和验证。
开关电源的环路响应测试如此重要,今天我们聊聊如何利用高精度实时示波器进行电源控制环路响应测试。
开关电源负反馈系统
在电源设计中,控制环路测量有助于表征电源对输出负载条件变化、输入电压变化、温度变化等怎样作出响应。理想的电源响应快,保持恒定输出,而又不会有过多的振铃或振荡。这通常通过控制电源和负载之间元器件(一般是MOSFET)的快速开关来实现。不稳定的电源或稳压器可能会振荡,导致控制环路带宽上出现非常大的明显纹波,这种振荡还可能会导致EMI 问题。

上图是电源的环路响应测试的等效框图,其中A(jω)为负反馈系统中的输入,R(jω)为负反馈系统的输出,D(jω)为反馈量,E(jω)为误差信号;通过简单的数学运算,可计算出输出与输入之间的关系:

我们把上面的公式为闭环响应Closed-loop Response),称T(jω)=P(jω)Q(jω)为开环响应(Open-loop Response),简称环路响应(Loop Response),表明的是信号在环路中绕行一周的效果。
我们想要负反馈系统一直保持其负反馈的特性,从而得到我们所需的输出,可是负反馈系统并不总是能保持负反馈的特性。系统在所需范围内保持负反馈的特性的能力称为稳定性。系统不稳定的数学条件为:
T(jω)=P(jω)Q(jω)=-1
上面的数学条件对于工程来说,太严格,并且在实际电路中,P和Q都受环境等影响而变化,因此引入裕度(Margin)的概念。
相位裕度(Phase Margin):增益为1,即0dB的时候,相位不能等于-180°。此时离-180°的距离即为相位裕度,即180°+∠P(jω)Q(jω)@ |P(jω)Q(jω)|=1。
增益裕度(Gain Margin):相位为-180°时,增益不能为1(0dB)。此时离增益为1的距离即为增益裕度,即-20lg|P(jω)Q(jω)|@ ∠P(jω)Q(jω)=-180°。
使用开环响应来评价闭环系统的稳定性,通常利用伯德图表示,简单直观,易于工程操作,广受欢迎。

电源环路稳定性的指标
何评定开关电源环路响应稳定的指标?开环特性是一个重要的参数,表征负反馈系的稳定性,一般利用相位裕度(Phase Margin)和增益裕度(Gain Margin)来评定。下面来看看相位裕度、增益裕度、穿越频率 (Crossover Frequency)的定义。
(1) 相位裕度:增益降到 0dB时,此时离-180°的距离即为相位裕度,即增益Gain=0dB时,相位裕度=φ-(-180°)。
(2) 增益裕度:增益曲线在相频曲线达到-180°的频率处对应的增益,即φ=-180°时,增益裕度=0-增益Gain(dB)。
(3) 穿越频率:增益为 0dB时所对应的频率值。
为了减小测量误差,实测一般选取5Ω-10Ω的电阻;干扰信号的大小一般要求其幅度不能超过输出电压的5%,否则测出来的结果是不准确的。

工程中一般认为在室温和标准输入、正常负载条件下,开环回路增益为 0dB(无增益 )的情况下环路的相位裕量要求大于 45°,以确保系统在各种误差和参数变化情况下的稳定性。当负载特性、输入电压变化较大时,需考虑在所有负载状况下以及输入电压范围内的环路相位裕量应大于 30°。穿越频率,又称为频带宽度,频带宽度的大小可以反映控制环路响应的快慢。一般认为带宽越宽,其对负载动态响应的抑制能力就越好,过冲、欠冲越小,恢复时间也就越快,系统从而可以更稳定。但是由于受到右半平面零点的影响,以及原材料、运放的带宽不可能无穷大等综合因素的限制,电源的带宽也不能无限制提高,一般取开关频率的1/20至1/6。增益裕量表示控制系统保持稳定条件下所能承受的最大增益扰动。
环路响应测试需要的设备
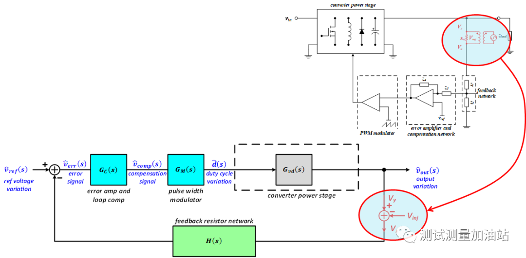
利用示波器进行电源的环路响应测试,首先需要一台高精度实时示波器;其次需要信号源,可以内置在实时示波器的函数发生器,也可以外置的信号源;还需要两根1:1或2:1的电压探头,最后需要Picotest的J2100A(1Hz–5MHz)或J2101A(10Hz–45MHz)1:1注入变压器,通过这个变压器把信号源的输出信号耦合到被测电路中去。

环路响应测试中的信号注入
1)如何完成信号注入

从上图,直观上讲,这个时候应该环路响应为:V_y/V_x =-T(s),负号的产生来自负反馈,实际情况比这个直观结果稍微复杂一些。等效电路基于一个简单的事实:Vinj = Vy-Vx。
2)信号注入位置的选择
要完成环路响应测试,并不能在环路的任何位置都可以插入注入电阻,而是对注入位置有一定的要求,一般建议串入的电阻合适位置,见下图红色的部分。Vinj = Vy

3)如何选择注入电阻的大小
前面讨论完注入位置,那么串联到环路中的电阻阻值的大小为多少? 最关键的是,把电阻插入到环路中,不能影响环路的稳态值。实际上是要求一个小的注入电阻。一般分压反馈电阻网络的电阻值至少在k欧姆级别以上,因此小于20欧姆的电阻是合适的,一般建议插入5至20欧姆的电阻。
4)如何选择注入幅度大小
确定了注入电阻位置和大小之后,下一步我们就需要确定注入幅度的大小,当信号源设置的电压 为VAFG,在注入电阻两端的电压 Vinj并不等于信号源的设置值 VAFG,Rinj是注入电阻,RAFG是信号源AFG的输出阻抗,Vinj是注入电阻两端的幅度,VAFG是信号源AFG的输出幅度,由于隔离变压器的匝数比为 1:1,注入幅度Vinj与AFG的输出幅度VAFG之间的关系见下面的公式:

举个例子:假设信号发生器AFG的幅度为250mV,AFG设置阻抗为50欧姆,那么AFG的戴维南等效电路为一个理想的电压源500mV串联一个50欧姆内阻,注入电阻为5欧姆,那么注入电压大致为500mV*5/(50+5)=45.45mV。
注入幅度大小的限制:
a)若没有其它的要求,一般可以从电源输出电压的1/10~1/20开始,进行试探;
b)不能破坏环路的小信号条件;
c)若开关环路中存在阈值电路,则注入的电压不能使得阈值电路的电压低于阈值。
5) 注入不同幅度影响测试结果
注入不同幅度的大小影响测试结果,注入电压太小,被淹没在噪声之中,低频部分测不准,而在高频段, 情况刚好相反,注入电压太大,高频部分测试会出现失真。因此,建议在低频处施加大的注入电压,在高频处施加小的注入电压,这样测试更准确。

-V

环路响应测试连接图

上图是开关电源环路响应实际测试连接图。下面是测试连接步骤,供参考。
Step1:把分压电阻和输出电压断开,串入一个5至20欧姆注入电阻;

Step2:把两根1:1或2:1电压探头一端连接到示波器的两个通道, 两根探头的另一端分别连接到注入电阻上端到地电压和注入电阻下端到地电压,注意接地;

注意事项:建议使用1:1或2:1无源电压探头才能更好地降低示波器底噪和电源开关噪声的影响,提高测试精度。缩短探头的地线长度对提高测试精度有很大的帮助。
Step3:把外部信号源AFG或示波器内置AFG输出通过BNC电缆连接到Picotest 的1:1注入变压器 J2100A,然后利用香蕉头和夹子线连接到注入5欧姆电阻两端,通过这个1:1注入变压器将AFG输出信号耦合到负反馈电路中去。

Step4:利用实时示波器环路响应测试软件完成自动测试,可得到开关电源增益曲线和相位曲线,并自动计算出增益裕度和相位裕度以及穿越频率。
Step5:实际测试中,通常利用电子负载进行拉载,分别全载、半载、空载几种情况下进行测试。

相关示波器产品,请点击https://m-dev.tek.com.cn/product-series/mso5-series。查看完整原文或电源环路响应实测视频,可扫码【测试测量加油站】即可收看。
