
引言
目前市场上很多两节串联大容量锂电池的产品应用会附带移动电源功能,如户外蓝牙音箱、充气泵、车用吸尘器、对讲机、 POS机等产品,需要输入5V-15V的宽电压输入支持快充,对外输出给手机、笔记本快速充电。
现在市场上一般采用升降压型充电管理芯片+快充协议芯片来实现,应用设计及外围比较复杂。深圳市永阜康科技有限公司现在大力推广一颗内置PD3.0/QC3.0快充协议升降压型35W两节锂电充放电SOC芯片-M12229,输入电压3.3V-20V,最大充电电流5A,最大输入/输出功率35W,适用于双节串联大容量锂电池的快速充电场合。
概述
M12229是一款面向2串电芯35W移动电源应用的专用SOC,集成了同步开关升降压变换器、电池充放电管理模块(内置均衡控制)、显示模块、电量计算模块,提供35W输入/输出功率。 支持PD3.0、QC3.0、AFC、FCP、SCP、BC1.2DCP等主流快充协议,并提供过压/欠压、过充/过放、过温、过压、过流、短路保护等完备的保护功能。配合简单的外围电路,即可组成双串35W多口移动电源。
M12229 支持2串电芯(锂电池及磷酸铁锂电池),电芯规格支持 4.2V/4.25V/4.3V/4.4V/4.45V;芯片支持充电电流自适应,最大充电电流5A,集成电池充放电管理模块,内置电池均衡控制,最大均衡电流 100mA,方便电池配对。
M12229 刷新了电压精度的记录,达到10mV 精度。得益于内置的高精度、高线性度的模-数转换功能,M12229支持最小 10mV 的电压采样和 10mV 精度的电压输出,并保持满量程的高线性度,而不是大部分公司的分段线性。
M12229采用QFN-48(6*6)封装,管脚耐压达 48V,支持软启动功能,具备过压/欠压、过充/过放、过温、过压、过流、短路保护等多重保护措施。
M12229应用信息
1.M12229脚位图

2.M12229管脚说明

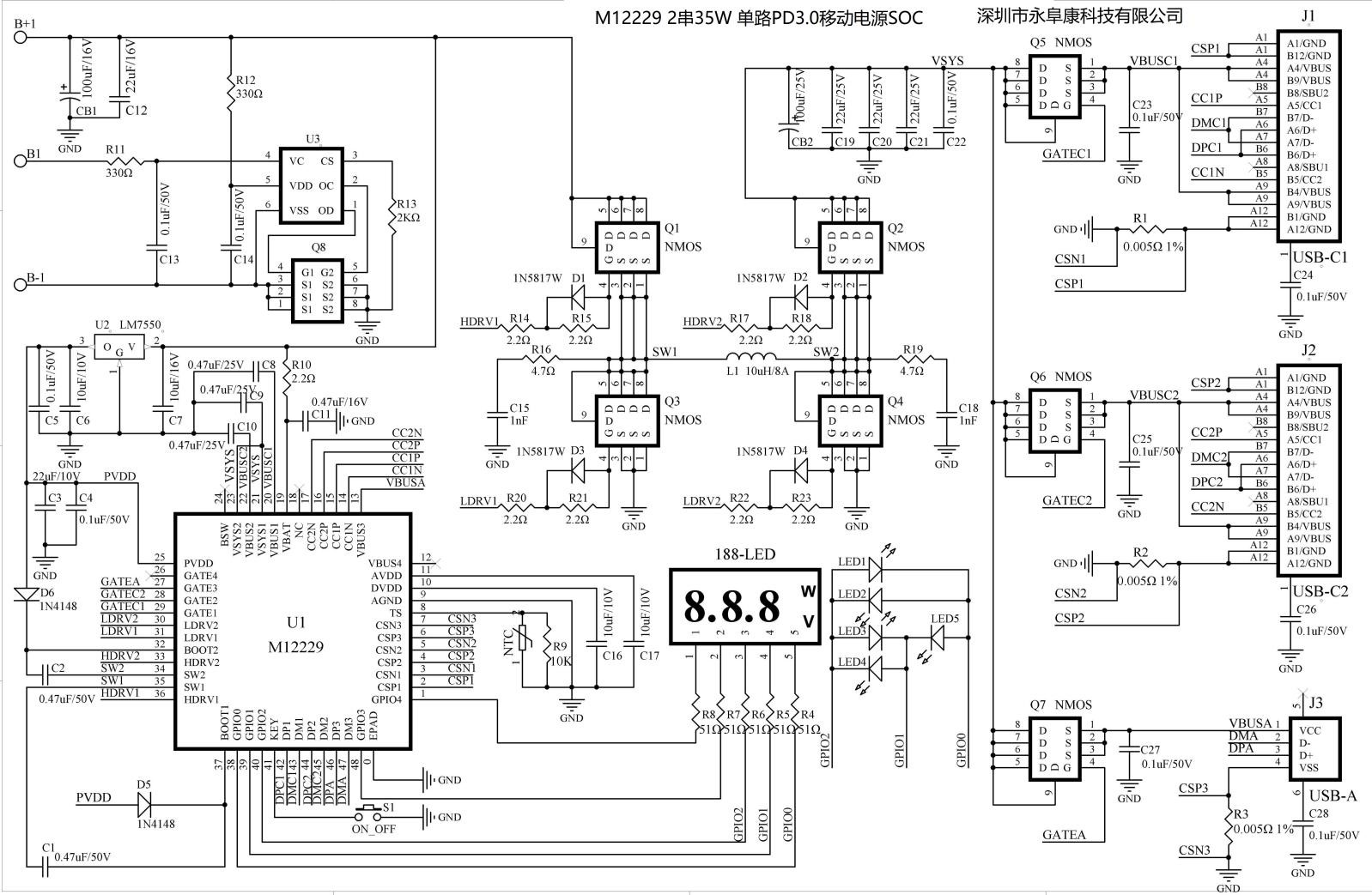
3.M12229 DEMO板原理图

4.M12229 DEMO板PCB顶层设计图

5.M12229 DEMO板PCB底层设计图

6.M12229 DEMO板贴片图

7.M12229 DEMO板物料清单

8.M12229 DEMO板实物图
