
作者:ADI工程师Simon Bramble
问题:
停电期间如何使用Wi-Fi和其他家用设备?

答案:
可以使用汽车电池作为备用电源,设计家用不间断电源(UPS)。该电源连接至降压-升压转换器,生成稳定的12V/5A电源,用于为Wi-Fi路由器供电;连接至6.5V/1.5A降压转换器,为无绳电话供电。
简介
随着科技进步,人类对电力的依赖变得更加严重。一旦没有了电,豪宅也能秒变毛坯房。本文介绍了如何让家用设备不再断电的电路设计,以确保家里最重要的服务——Wi-Fi持续保持畅通。
家用不间断电源(UPS)
2022年,世界和平正在刀尖上跳舞,能源危机迫在眉睫。图1中的电路,就是为了在断电情况下也能保持家中Wi-Fi畅通而设计的。Wi-Fi路由器重启平均需要2分多钟,这可能被认为是“第一世界问题”(微不足道的事),但如果在电话会议的中途断电,这个等待时间则会让人觉得非常漫长。即使是轻微的压降也可能引起重大问题。而此家用不间断电源设计,能为Wi-Fi接入点(和任何其他电子设备)提供12V/5A电源,并为无绳电话提供额外的6.5V/1.5A电源。这足以使大多数笔记本电脑与外界进行通信。

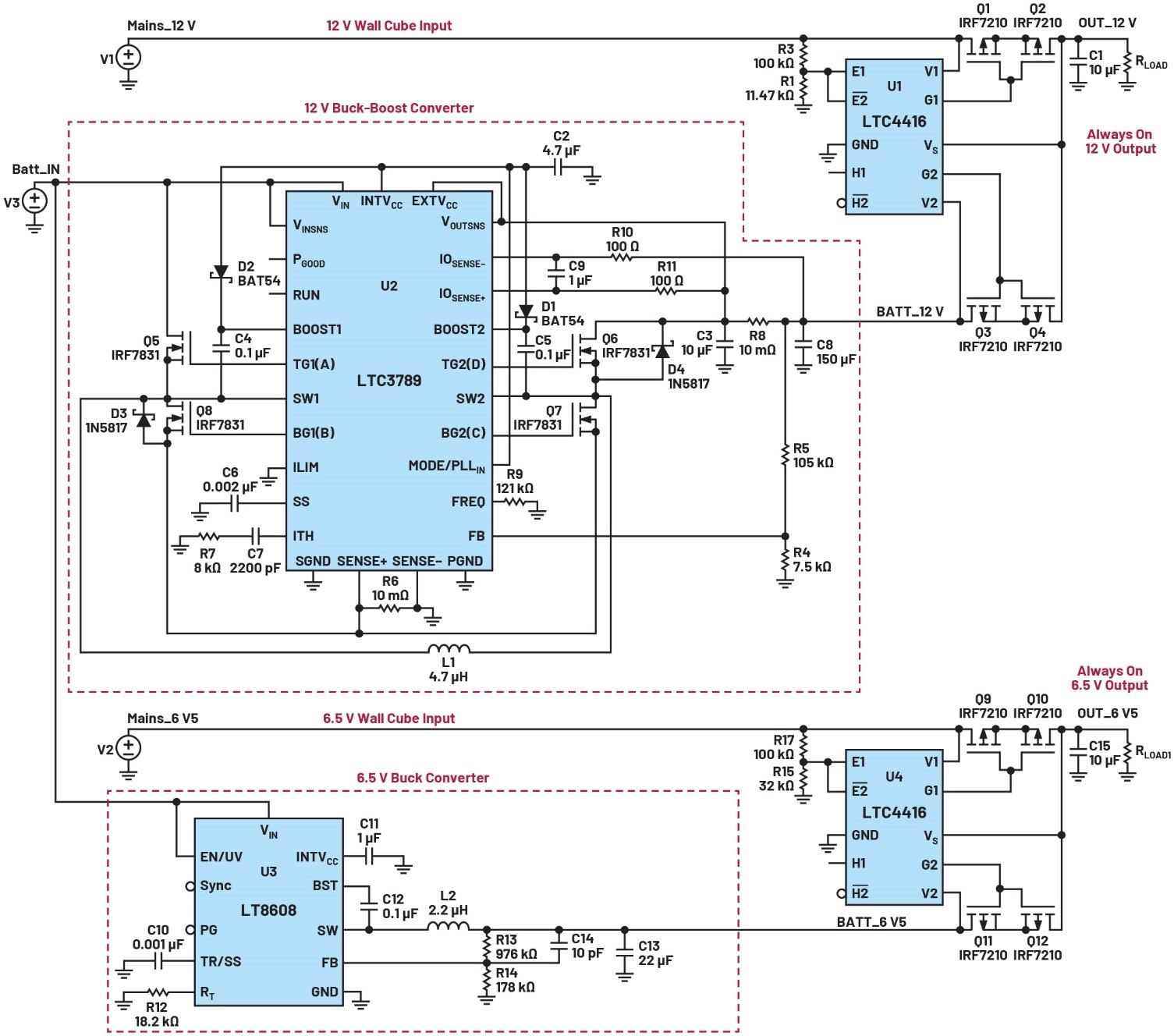
图1.不间断电源(UPS)原理图
图1电路设计的备用电源可以是从废品站以20英镑购买的二手汽车电池。ADI LTC3789是一个四开关降压-升压转换器,能以极高效率提供恒定的12V电源,其输入电压可以高于或低于此电压。其评估套件在5V到36V输入电压条件下能提供12V、5A的电源输出,因此可以直接使用,无需修改。Wi-Fi路由器仅需要1A电流,因此该评估套件可用于为其他许多需要12V电压的应用供电。
无绳电话需要6.5V、约600mA电源,因此选择LT8608来为此电源轨提供低噪声、高效率电源,其静态电流极低(2.5μA)。LT8608和LTC3789的最大输入电压分别为42V和38V,因此将它们直接连接到汽车电池以实现最高电路效率。某些较低成本的电池充电器如果未正确连接到电池,可能会产生高电压,导致电池无法充分吸收充电电流。因此,如果充电器与电路连接良好,但与电池连接不良,那么产生的电压可能会损坏电子设备。LTC3789和LT8608的宽输入电压范围减轻了连接电池充电器时产生高电压的担忧。电路既可以在永久连接电池充电器的情况下工作,也可以在没有连接的情况下工作。但是,在不通风的室内保持电池充电器永久连接的安全方面取决于所用的电池和充电器的类型。
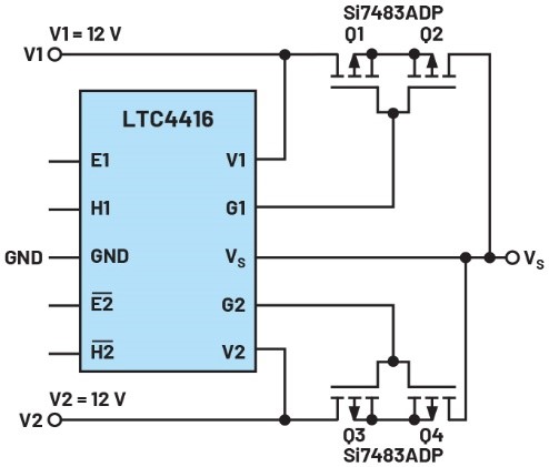
此电路的精巧部分由LTC4416提供。这是一个双通道理想二极管,负责切换主电源电压和备用电源。LTC4416含有一个精密比较器,当比较器检测到主电源发生故障时,就会使用四个外部P沟道MOSFET(PFET)切换到备用电源。
此电路的更简单形式是双通道二极管OR配置,两个二极管的阴极连接在一起,主电源和备用电源连接到阳极。然而,该电路仅将两个电源中的最高者馈送到位于阴极的输出端,并会在二极管上产生0.6V的损耗。用PFET代替二极管可以设计更高效的电路。测量PFET体二极管两端的电压降,如果它超过某个阈值,则FET导通,从而使体二极管短路。如果此电压降为负,则对PFET的驱动被移除,体二极管会阻止反向电流。这样就创建了一个具有低正向电压降和反向阻断功能的理想二极管,如图2所示。

图2.二极管OR电路的理想二极管实现
在该电路中,每个PFET的体二极管从输入指向输出,因此如果一个输入电压比另一个输入电压高出600mV以上,该体二极管就会导通。因此,如果备用电源恰好高于主电源,负载的电源将由备用电源提供,这是不可取的。反转PFET可以解决这个问题,但如果输出电压比输入电压高出600mV以上,体二极管就会导通,发生电流倒流。
更简洁的解决方案是为每条路径添加一个额外的PFET,如图3所示。在该电路中,两个体二极管彼此相对,因此当FET断开时,该电路提供双向开路,并隔离每个通道,而不管输入或输出电压如何。

图3.具有双向断开功能的二极管OR电路
对于12V电路,LTC4416(DC1059A)的评估套件做了修改,以提供11.17V的切换电压,其中R3使用100kΩ电阻,R1使用10kΩ+2.2kΩ电阻。这很有效,但ADI发现,Wi-Fi接入点需要精确的12V电源,有时候当12V主电源再次切换回来时,它会重新启动。这是由于电压阶跃(从11.17V到12V)扰乱了路由器电子器件。将R1改为11.47kΩ可将切换电压提高到11.8V,从而减小了电压阶跃的大小。
无绳电话电路对电源阶跃的感受更强烈,因此R15由22kΩ+10kΩ电阻组成,以提供5V的切换电压。
波形如图4所示。绿色迹线显示的是LTC4416始终开启的12V输出,红色迹线显示的插墙式电源适配器的12V输出(主电源),蓝色迹线显示的是汽车电池电压。当示波器直流耦合时,看不到对绿色迹线的干扰。更改为交流耦合后,当连接(600ms)和断开(5.8s)主电源12V时,可以看到很小的干扰。具有讽刺意味的是,当连接12V主电源时,该电源轨上的噪声明显更高,这表明插墙式电源适配器输出的噪声高于LTC3789。

图4.当主电源(红色迹线)断开时,12V(绿色迹线)几乎不受干扰
图5所示为UPS电子设备的照片,完整电路如图6所示。

图5.电源和理想二极管安装在UPS箱的侧面

图6.带电池的完整电路
未来改进
前面提到的电路需要切断来自插墙式电源适配器的电缆,以允许串联插入UPS。一个更简洁的解决方案是从汽车电池产生340V DC,并将其馈入扩展插座,然后将插墙式电源适配器插入扩展插座。由于所有插墙式电源适配器的内部电路都包含整流器,因此该电压是交流还是直流没有关系。然而,从12V电池产生340V电压会带来损耗,在插墙式电源适配器内降低该电压也会产生损耗,这意味着低压电路将更加高效和简单,哪怕需要切断插墙式电源适配器电缆。
LTC4416评估套件含有LED,可指示正在使用主电源还是备用电源,而且很容易将这些LED放到外壳上。另一个有用的附加功能是一个按钮开关,用于人为将LTC4416的使能引脚拉低以测试切换功能。
此电路经过广泛测试,性能优异。对于更高的电流,可以使用N沟道理想二极管。LTC4416是ADI公司提供的各种理想二极管和热插拔器件的一种。
结论
本文描述的电路展示了一种简单家用不间断电源的设计,它可以在断电时让各种家用电器保持运行。此电路当然可以进行修改,使用更强大的MOSFET和更大的电池来提供更高的输出功率和更长的后援时间。
关于ADI公司
ADI是全球领先的高性能模拟技术公司,致力于解决最艰巨的工程设计挑战。凭借杰出的检测、测量、电源、连接和解译技术,搭建连接现实世界和数字世界的智能化桥梁,从而帮助客户重新认识周围的世界。详情请浏览ADI官网www.analog.com/cn。
关于作者
Simon Bramble于1991年毕业于伦敦布鲁内尔大学,拥有电气工程和电子学学位,专门从事模拟电子器件和电源工作。他的职业生涯主要从事模拟电子器件工作,就职于凌力尔特(现为ADI公司的一部分)。